GM Service Manual Online
For 1990-2009 cars only
Makes
🢒
Chevrolet
🢒
2002
🢒
S10 Pickup - 2WD
🢒
Transmission/Transaxle
🢒
Shift Lock Control
🢒 Shift Lock Control Schematics
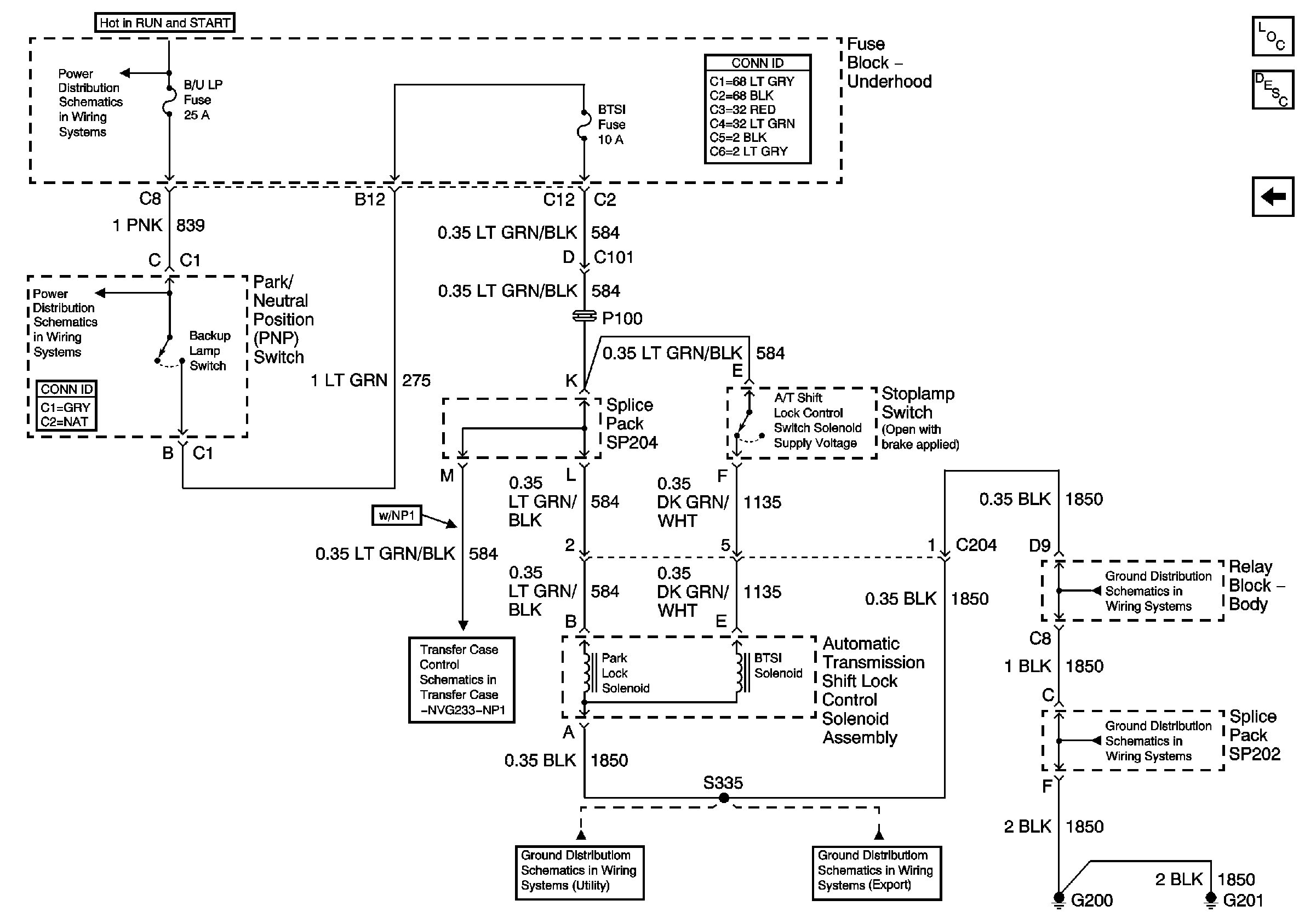
Figure
1:
Park/Neutral Position (PNP) Switch and Automatic Transmission Shift Lock Solenoid - Pickup w/ Column Shift
Master Electrical Component List
Automatic Transmission Shift Lock Control Description and Operation
Park/Neutral Position (PNP) Switch and Automatic Transmission Shift Lock Solenoid (Crew Cab and Utility w/ Column Shift)
Ign RUN and START Bus Bar
B/U LP, TRL B/U, VEH B/U, and BTSI Fuses (Automatic Transmission)
Backup Lamps - Pickup
Front Axle Indicator Switch and Powertrain Control Module (PCM)
G200, G201 and G207 (Pickup and Crew Cab)
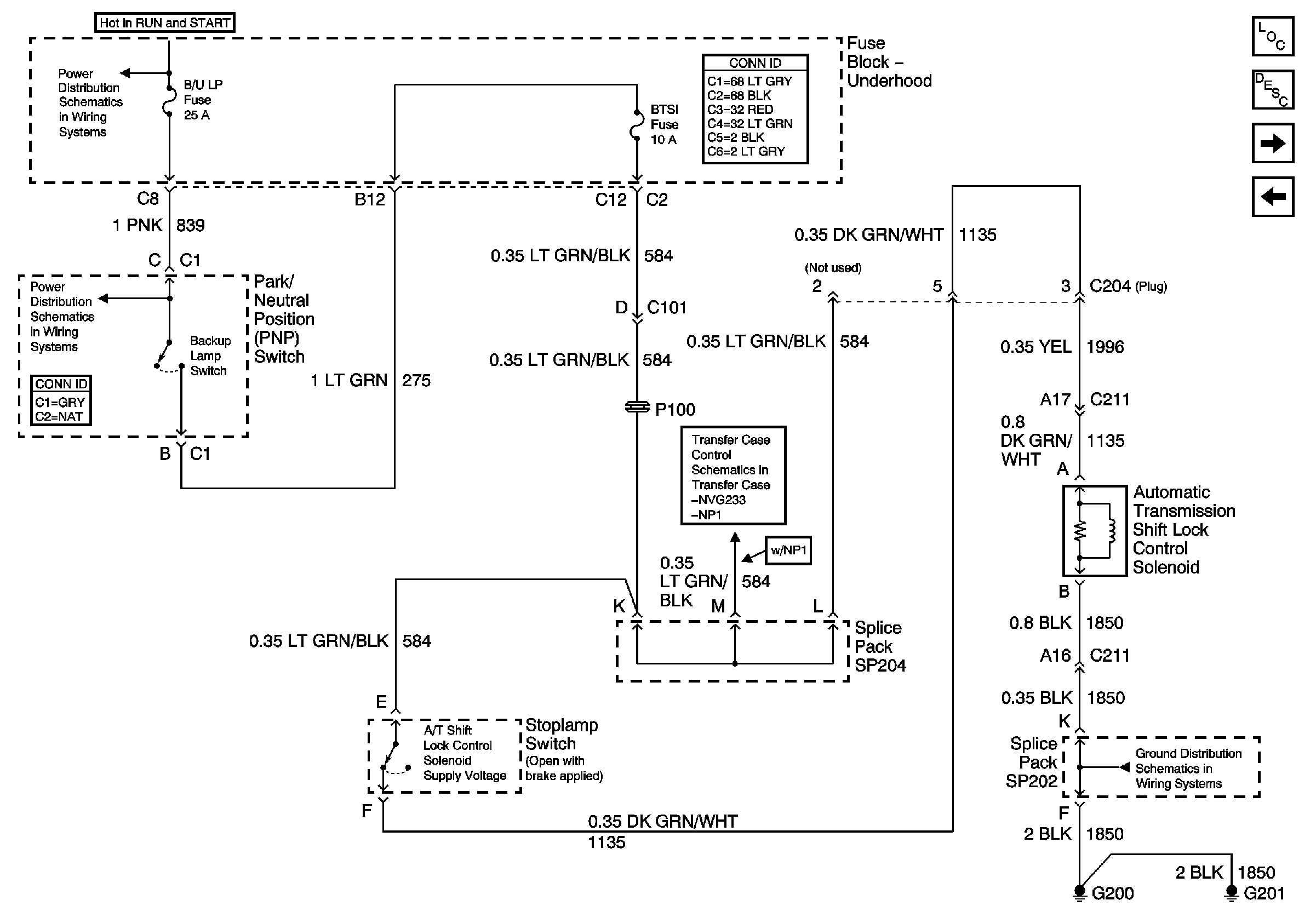
Figure
2:
Park/Neutral Position (PNP) Switch and Automatic Transmission Shift Lock Solenoid - Crew Cab and Utility w/ Column Shift
Master Electrical Component List
Automatic Transmission Shift Lock Control Description and Operation
Park/Neutral Position (PNP) Switch, and Automatic Transmission Controller(Utility w/ Floor Shift)
Park/Neutral Position (PNP) Switch and Automatic Transmission Shift Lock Solenoid (Pickup w/ Column Shift)
Ign RUN and START Bus Bar
B/U LP, TRL B/U, VEH B/U, and BTSI Fuses (Automatic Transmission)
Backup Lamps - Utility
Front Axle Indicator Switch and Powertrain Control Module (PCM)
G200, G201 and G207 (Utility)
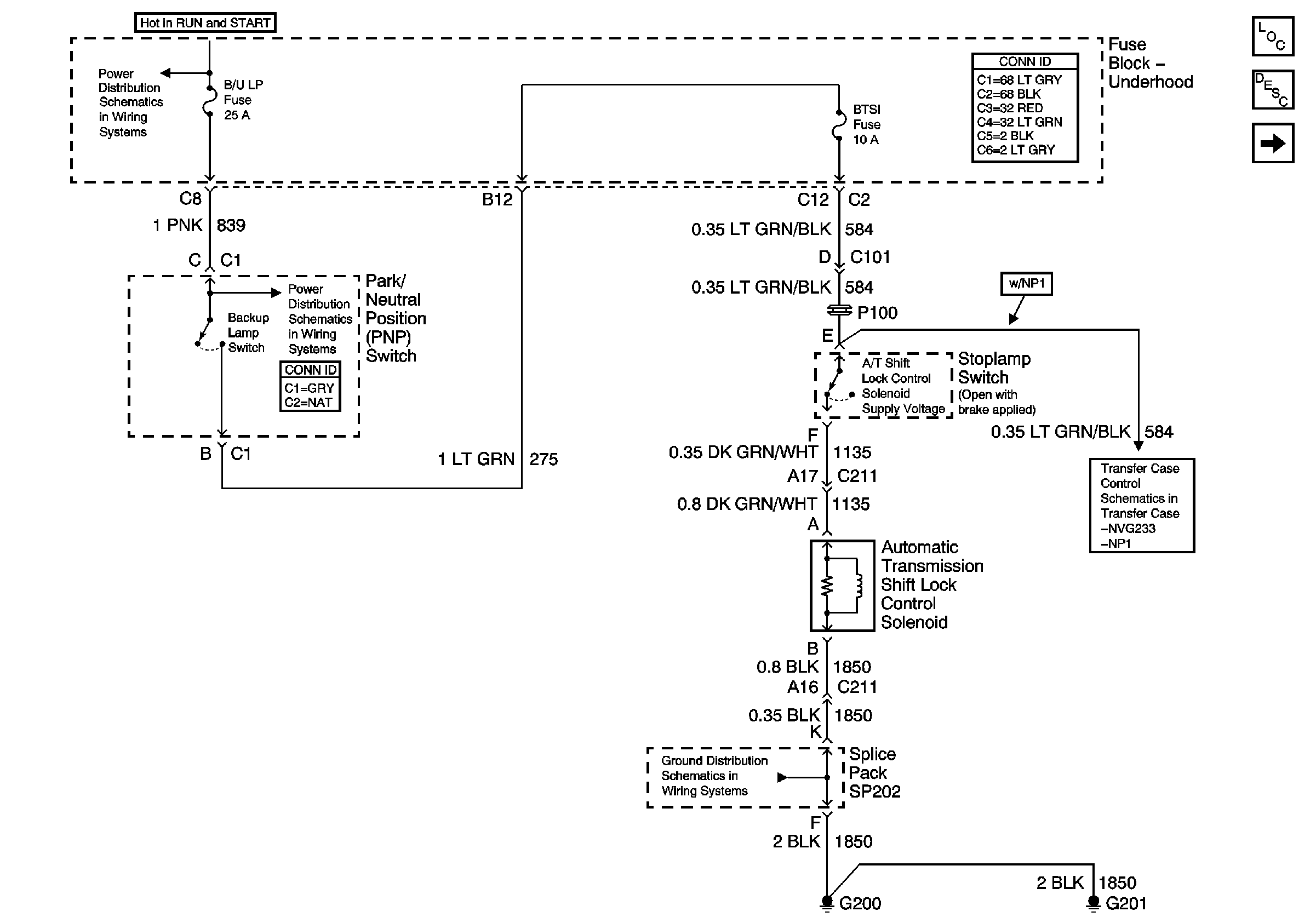
Figure
3:
Park/Neutral Position (PNP) Switch, and Automatic Transmission Controller - Utility w/ Floor Shift
Master Electrical Component List
Automatic Transmission Shift Lock Control Description and Operation
Park/Neutral Position (PNP) Switch and Automatic Transmission Shift Lock Solenoid (Crew Cab and Utility w/ Column Shift)
Ign RUN and START Bus Bar
B/U LP, TRL B/U, VEH B/U, and BTSI Fuses (Automatic Transmission)
Front Axle Indicator Switch and Powertrain Control Module (PCM)
G200, G201 and G207 (Utility)
G200, G201 and G207 (Export)
G200, G201 and G207 (Utility)
G200, G201 and G207 (Utility)