GM Service Manual Online
For 1990-2009 cars only
Makes
🢒
Chevrolet
🢒
2002
🢒
S10 Pickup - 2WD
🢒
HVAC
🢒
HVAC Systems - Automatic
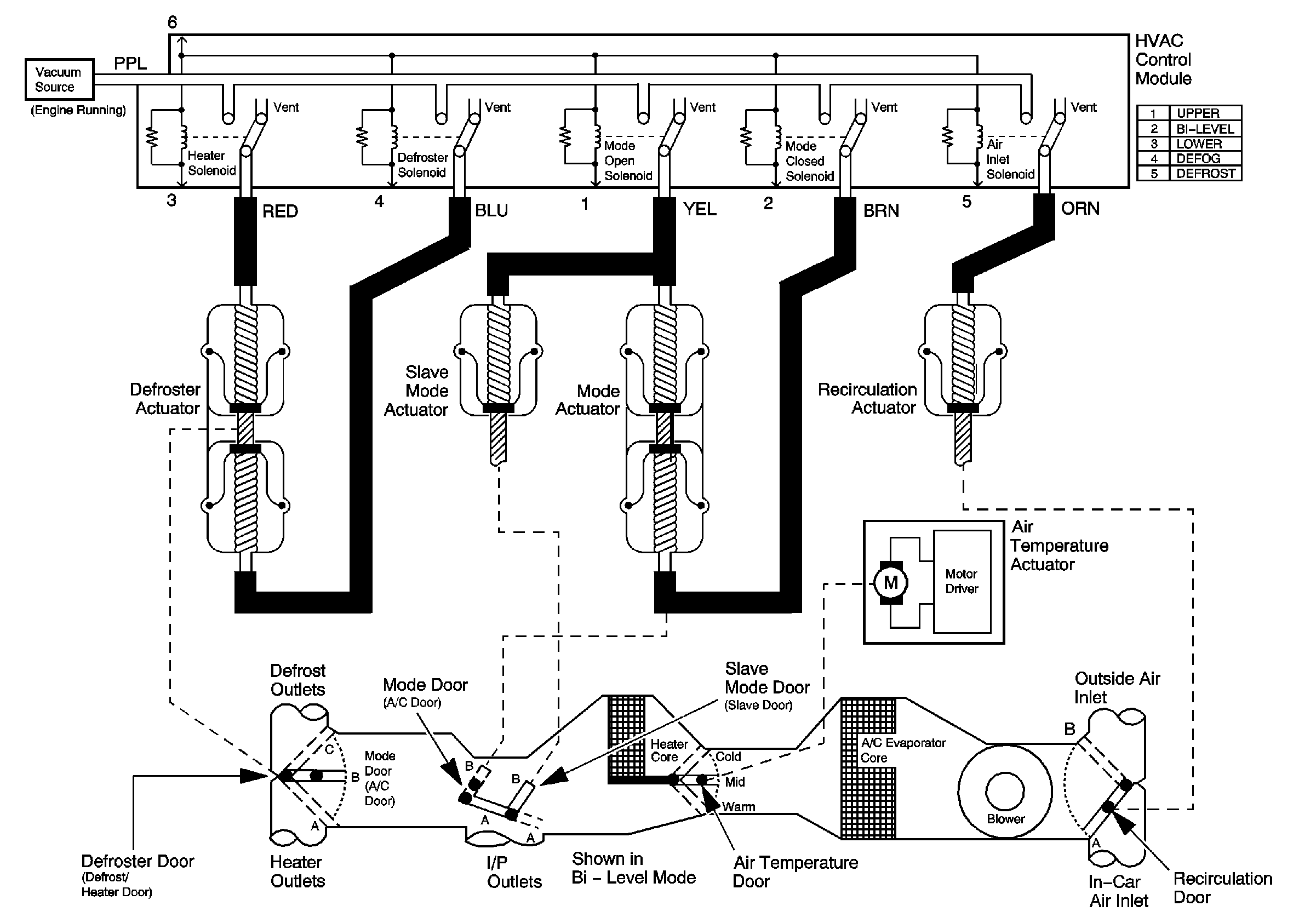
🢒 HVAC Vacuum Schematics
HVAC Vacuum Schematic