GM Service Manual Online
For 1990-2009 cars only
Makes
🢒
Chevrolet
🢒
2002
🢒
S10 Pickup - 2WD
🢒
Body and Accessories
🢒
Doors
🢒 Door Lock/Indicator Schematics
Figure
1:
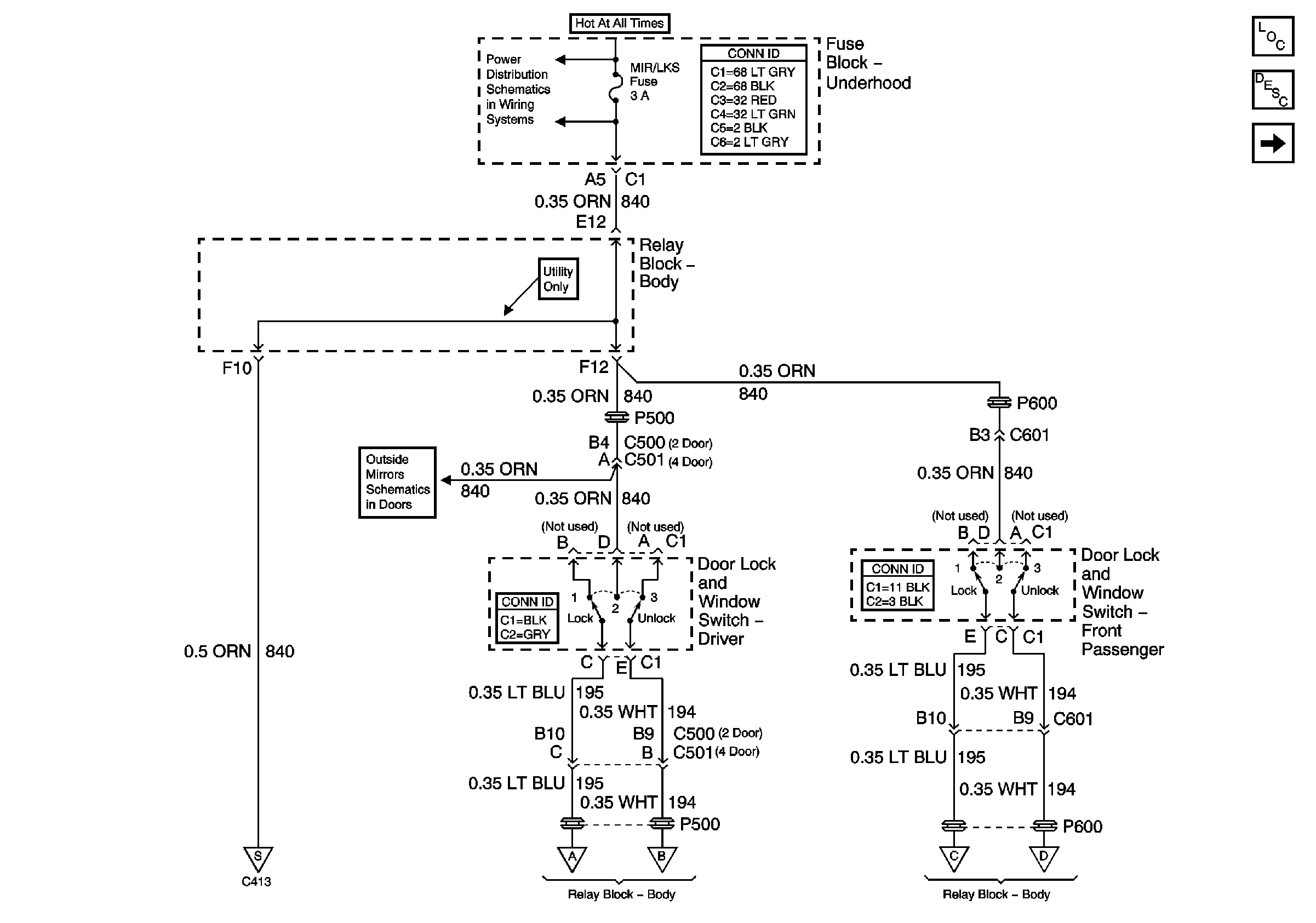
Door Lock Switch Inputs
Master Electrical Component List
Power Door Locks Description and Operation
Endgate Lock Cylinder Switch Inputs (Utility)
B+ Bus Bar
Endgate Lock Cylinder Switch Inputs (Utility)
Relay Control
Relay Control
Figure
2:
Endgate Lock Cylinder Switch Inputs - Utility
Master Electrical Component List
Power Door Locks Description and Operation
BCM Inputs and Outputs
Door Lock Switch Inputs
Door Lock Switch Inputs
Output
Output
Relay Control
Relay Control
Figure
3:
BCM Inputs and Outputs
Master Electrical Component List
Power Door Locks Description and Operation
Relay Control
Endgate Lock Cylinder Switch Inputs (Utility)
G200, G201 and G207 (Pickup and Crew Cab)
Relay Control
Gages
Figure
4:
Relay Control
Master Electrical Component List
Power Door Locks Description and Operation
Door Lock Actuators
BCM Inputs and Outputs
INT BATT Fuse
G200, G201 and G207 (Pickup and Crew Cab)
BCM Inputs and Outputs
BCM Inputs and Outputs
Endgate Lock Cylinder Switch Inputs (Utility)
Door Lock Switch Inputs
Door Lock Switch Inputs
BCM Inputs and Outputs
Endgate Lock Cylinder Switch Inputs (Utility)
Door Lock Switch Inputs
Door Lock Switch Inputs
G200, G201 and G207 (Export)
Door Lock Actuators
Door Lock Actuators
Door Lock Actuators
Door Lock Actuators
Door Lock Actuators
Door Lock Actuators
Figure
5:
Door Lock Actuators
Master Electrical Component List
Power Door Locks Description and Operation
Relay Control
Relay Control
Relay Control