GM Service Manual Online
For 1990-2009 cars only
Makes
🢒
Chevrolet
🢒
2002
🢒
S10 Pickup - 2WD
🢒
Body and Accessories
🢒
Stationary Windows
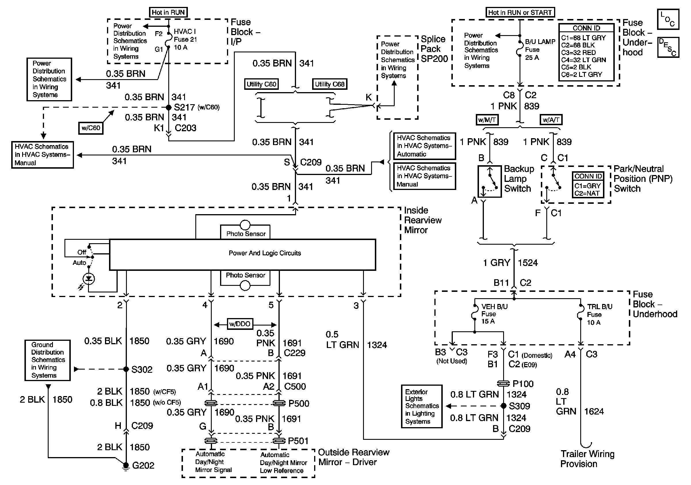
🢒 Inside Rearview Mirror Schematics
Master Electrical Component List
Inside Rearview Mirror Description and Operation
Ign ACC, RUN and RAP Bus Bar
HVAC I Fuse
Air Delivery/Temperature Controls (C60)
G202 (Utility and Crew Cab)
HVAC I Fuse
Ign RUN and START Bus Bar
HVAC Vacuum Control Solenoid Valve Assembly and Electric Actuator
Air Delivery/Temperature Controls (C60)
Backup Lamps - Utility