GM Service Manual Online
For 1990-2009 cars only
Makes
🢒
Chevrolet
🢒
2002
🢒
S10 Pickup - 2WD
🢒
Body and Accessories
🢒
Garage Door Opener
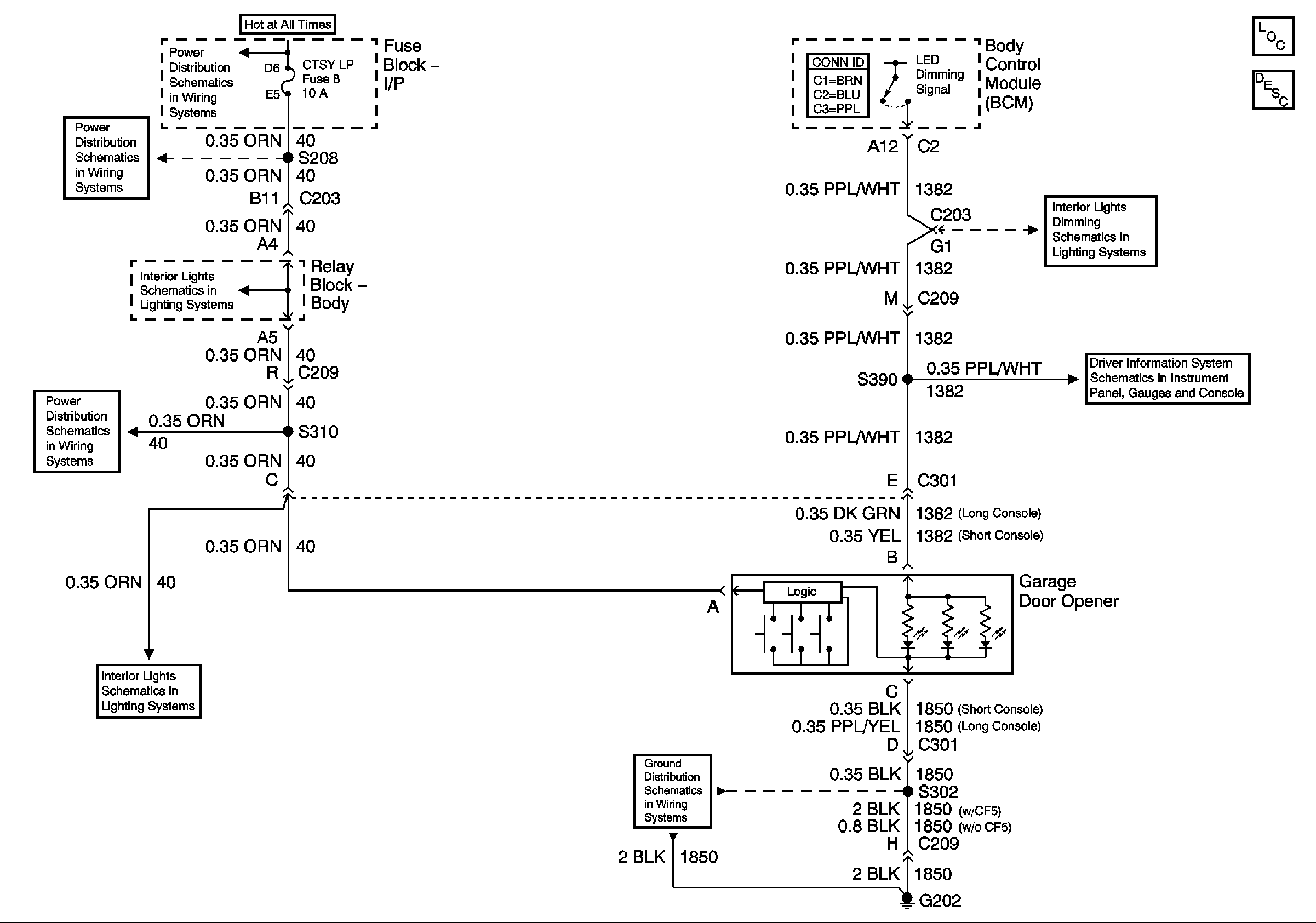
🢒 Garage Door Opener Schematics
Master Electrical Component List
Garage Door Opener Description and Operation
INT BATT Fuse
Inadvertent Power Lamp Relay
LED Dimming Signal
Inadvertent Power Lamp Relay
Inadvertent Power Lamp Relay
LED Dimming Signal
G202 (Utility and Crew Cab)