GM Service Manual Online
For 1990-2009 cars only
Figure 1:

TBC, PARK LPS, GAGES and CRUISE Fuses


Object Number: 755748  Size: FS
Master Electrical Component List
Audible Warnings Description and Operation
Seat Belt Switch, Ignition Key Alarm Switch, Door Jamb Switch and Headlamp Switch
Keyless Entry Schematics
B+ Bus Bar
ILLUM and PARK LP Fuses
ILLUM and PARK LP Fuses
Power and Ground
TURN, SIR and GAUGES Fuses
Ign ACC, RUN and RAP Bus Bar
HVAC and CRUISE Fuses
Power and Ground
Figure 2:

Seat Belt Switch, Ignition Key Alarm Switch, Door Jamb Switch and Headlamp Switch


Object Number: 755749  Size: FS
Master Electrical Component List
Audible Warnings Description and Operation
Turn Signals
TBC, PARK LPS, GAGES and CRUISE Fuses
S313 and S419
G420,G450 and S427 (Utility and Crew Cab)
Indicators
Front Door Jamb and Door Handle Switches
G200, G201 and G207 (Pickup and Crew Cab)
Front
G203 and G204 (Pickup)
Headlight Leveling Schematics
G203 and G204 (Pickup)
Figure 3:

Turn Signals


Object Number: 755751  Size: FS
Master Electrical Component List
Audible Warnings Description and Operation
BCM, PCM and Headlamp Switch
Seat Belt Switch, Ignition Key Alarm Switch, Door Jamb Switch and Headlamp Switch
G203 and G204 (Pickup)
G203 and G204 (Utility w/ Manual A/C)
G203 and G204 (Utility w/ Automatic A/C)
Park/Turn Signal Lamps, Marker Lamps and Turn Signal Fuses, Front
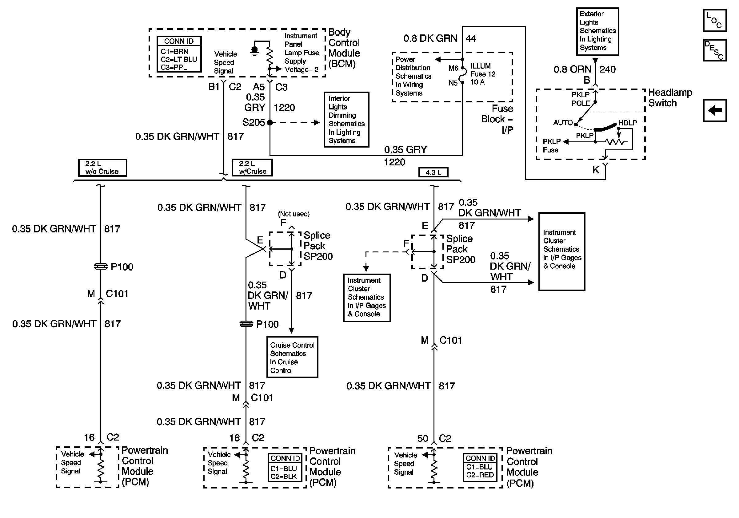
Figure 4:

BCM, PCM and Headlamp Switch


Object Number: 755753  Size: FS
Master Electrical Component List
Audible Warnings Description and Operation
Turn Signals
ILLUM Fuse 12
ILLUM and PARK LP Fuses
Fuse Block - Underhood
Gages
Clutch Pedal Position Switch, Stop Lamp Switch, PCM and Cruise Control Module
Gages