GM Service Manual Online
For 1990-2009 cars only
Figure 1:

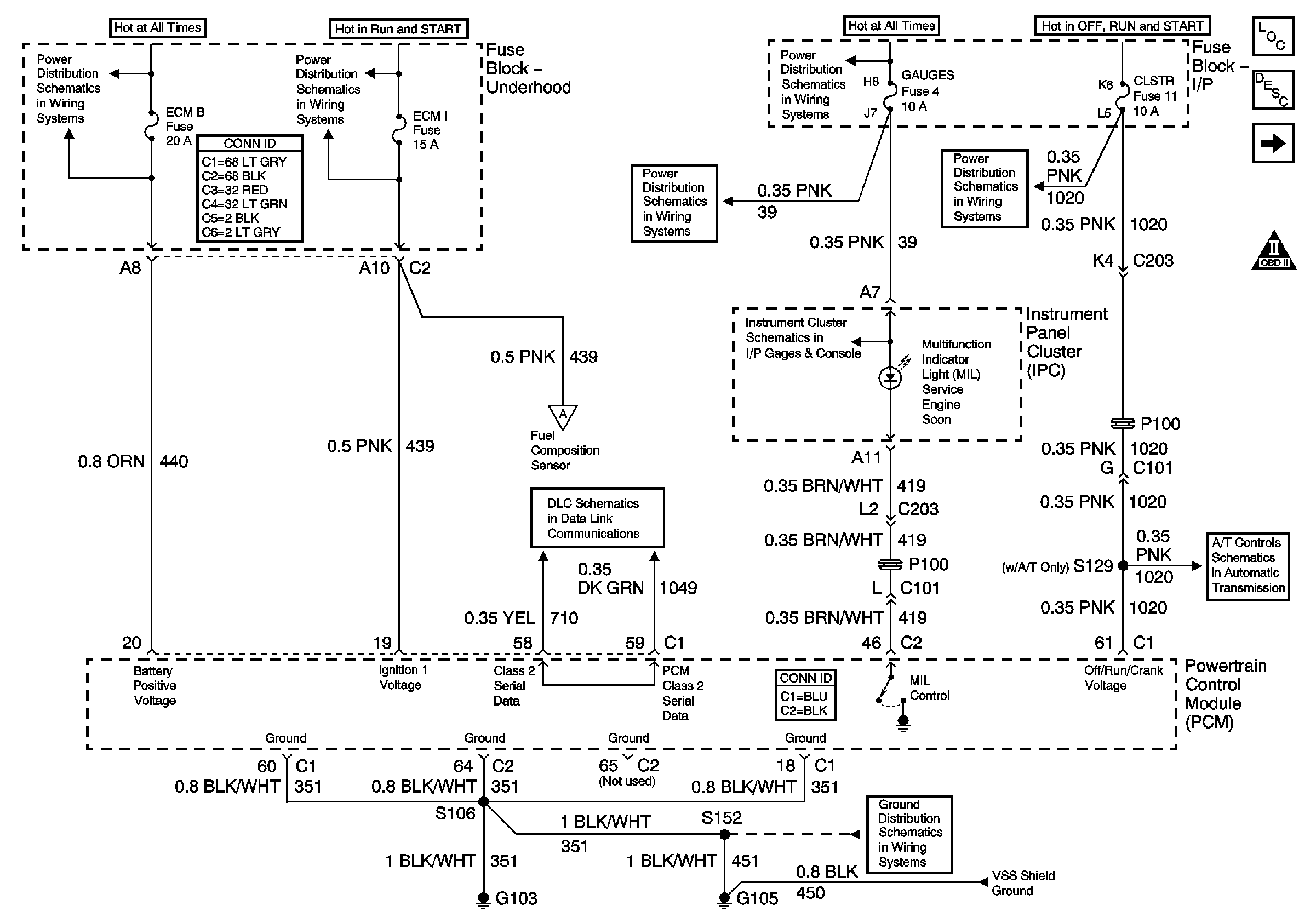
Module Power, Ground, Serial Data and MIL


Object Number: 755481  Size: FS
Master Electrical Component List
Service Programming System (SPS) Description
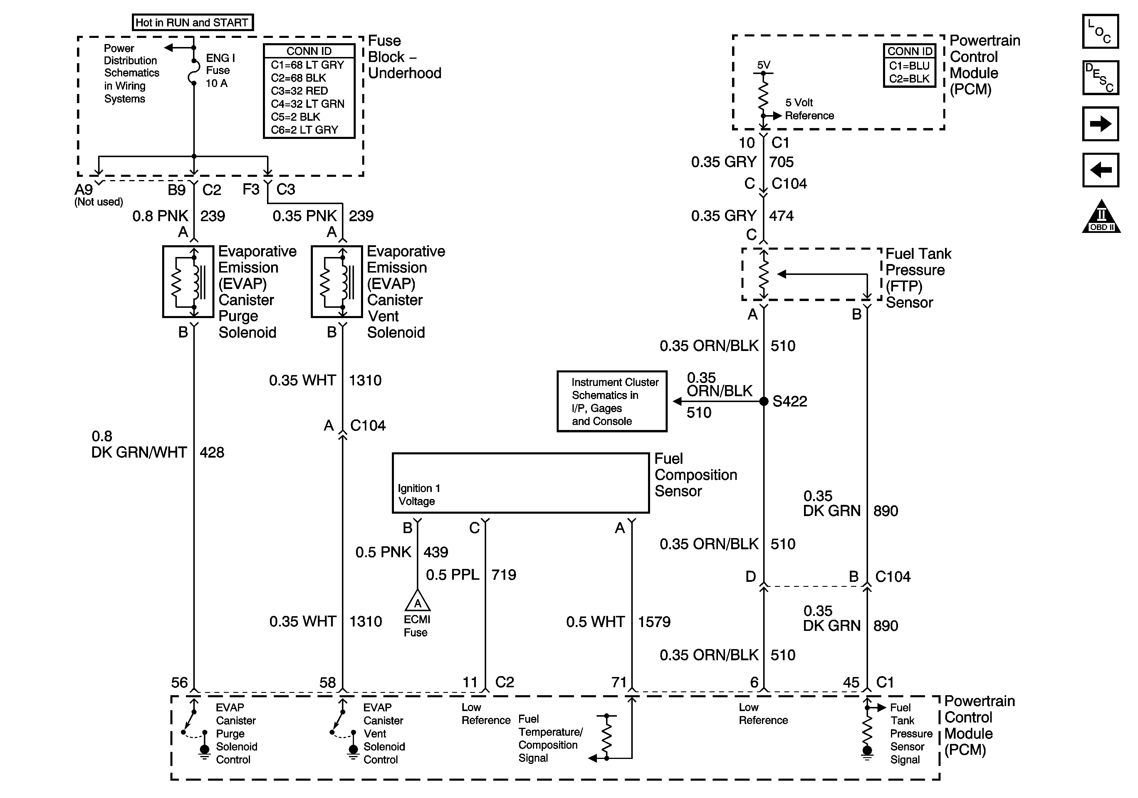
Engine Data Sensors - Pressure, Temperature, and VSS
OBD II Symbol Description Notice
B+ Bus Bar
Ign RUN and START Bus Bar
TURN, SIR and GAUGES Fuses
TURN, SIR and GAUGES Fuses
CRANK and CLSTR Fuses
Indicators
Fuel Controls - Fuel Composition Sensor and EVAP Controls
SP201 (2.2L)
Valve Controls (2.2L)
G103 and G105 (2.2 L)
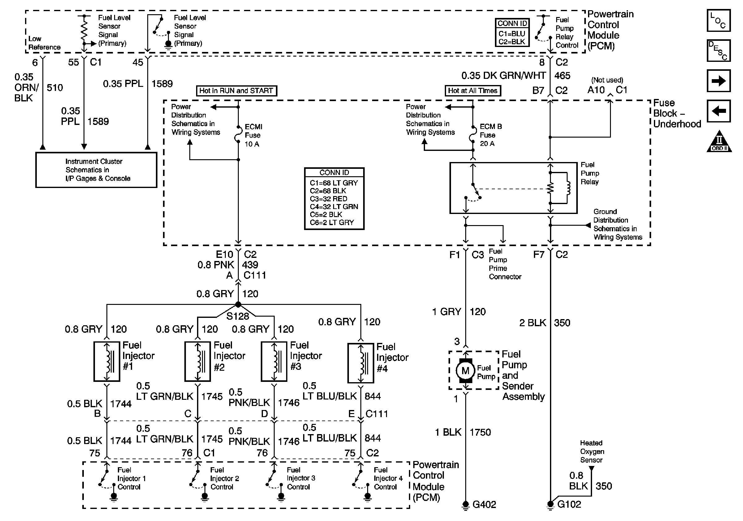
Fuel Injectors and Fuel Pump Controls
Figure 2:

Engine Data Sensors - Pressure, Temperature and VSS


Object Number: 755484  Size: FS
Master Electrical Component List
Powertrain Control Module Description
Oxygen Sensors
Module Power, Ground, Serial Data, and MIL
OBD II Symbol Description Notice
Manual Transmission - NV1500
Brake Switch, VSS Inputs (2.2L)
Figure 3:

Oxygen Sensors


Object Number: 755487  Size: FS
Master Electrical Component List
Powertrain Control Module Description
Ignition Controls
Engine Data Sensors - Pressure, Temperature, and VSS
OBD II Symbol Description Notice
Ign RUN and START Bus Bar
G102 (Except Export)
Figure 4:

Ignition Controls


Object Number: 755489  Size: FS
Master Electrical Component List
Electronic Ignition (EI) System Description
Fuel Injectors and Fuel Pump Controls
Oxygen Sensors
OBD II Symbol Description Notice
Ign RUN and START Bus Bar
Gages
G103 and G105 (2.2 L)
Figure 5:

Fuel Injectors and Fuel Pump Controls


Object Number: 755490  Size: FS
Master Electrical Component List
Fuel System Description
Fuel Controls - Fuel Composition Sensor and EVAP Controls
Ignition Controls
OBD II Symbol Description Notice
Fuel Level Sensor Signal
Ign RUN and START Bus Bar
Ign RUN and START Bus Bar
G102 (Except Export)
Module Power, Ground, Serial Data, and MIL
Figure 6:

Fuel Controls - Fuel Composition Sensor and EVAP Controls


Object Number: 755491  Size: FS
Master Electrical Component List
Evaporative Emission Control System Description
Device Controls
Fuel Injectors and Fuel Pump Controls
OBD II Symbol Description Notice
Ign RUN and START Bus Bar
Module Power, Ground, Serial Data, and MIL
Fuel Level Sensor Signal
Figure 7:

Device Controls


Object Number: 755494  Size: FS
Master Electrical Component List
Secondary Air Injection System Description
Controlled/Monitored Subsystem References
Fuel Controls - Fuel Composition Sensor and EVAP Controls
OBD II Symbol Description Notice
Ign RUN and START Bus Bar
B+ Bus Bar
Figure 8:

Controlled Monitored Subsystem References


Object Number: 755496  Size: FS
Master Electrical Component List
Powertrain Control Module Description
Transmission Controls - A/T
Device Controls
OBD II Symbol Description Notice
Engine Charging (2.2 L)
Gages
Speed Sensor Signals
Compressor Controls - 2.2L
Clutch Pedal Position Switch, Stop Lamp Switch, PCM and Cruise Control Module
Figure 9:

Transmission Controls - A/T


Object Number: 755500  Size: FS
Master Electrical Component List
Powertrain Control Module Description
Controlled/Monitored Subsystem References
OBD II Symbol Description Notice
Switch Inputs and PNP Switch (2.2L)
Valve Controls (2.2L)