GM Service Manual Online
For 1990-2009 cars only
Makes
🢒
Chevrolet
🢒
2002
🢒
S10 Pickup - 2WD
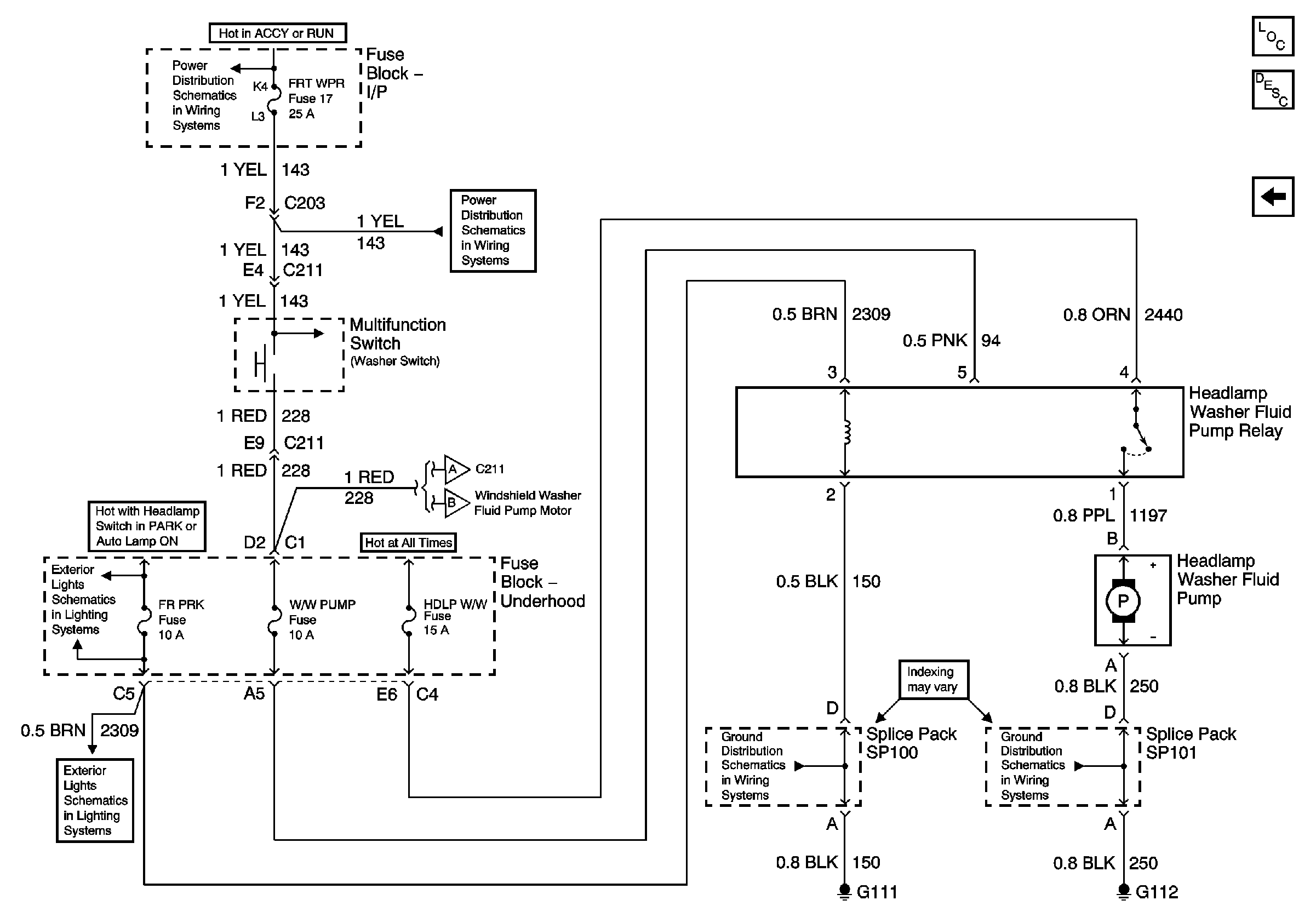
🢒 Headlamp Washer System (Export Only)
Headlamp Washer System (Export Only)
Headlamp Washer System - Export Only
Master Electrical Component List
Headlamp Washer System Description and Operation
Rear Wipers
Ign ACC, RUN and RAP Bus Bar
Park/Turn Signal Lamps, Marker Lamps and Turn Signal Fuses, Front
Park/Turn Signal Lamps, Marker Lamps and Turn Signal Fuses, Front
Pulse Wipers
Pulse Wipers
RR WPR, FRT WPR and ABS Fuses
G111 and G112 (Export)
G111 and G112 (Export)