GM Service Manual Online
For 1990-2009 cars only
Makes
🢒
Chevrolet
🢒
2002
🢒
S10 Pickup - 2WD
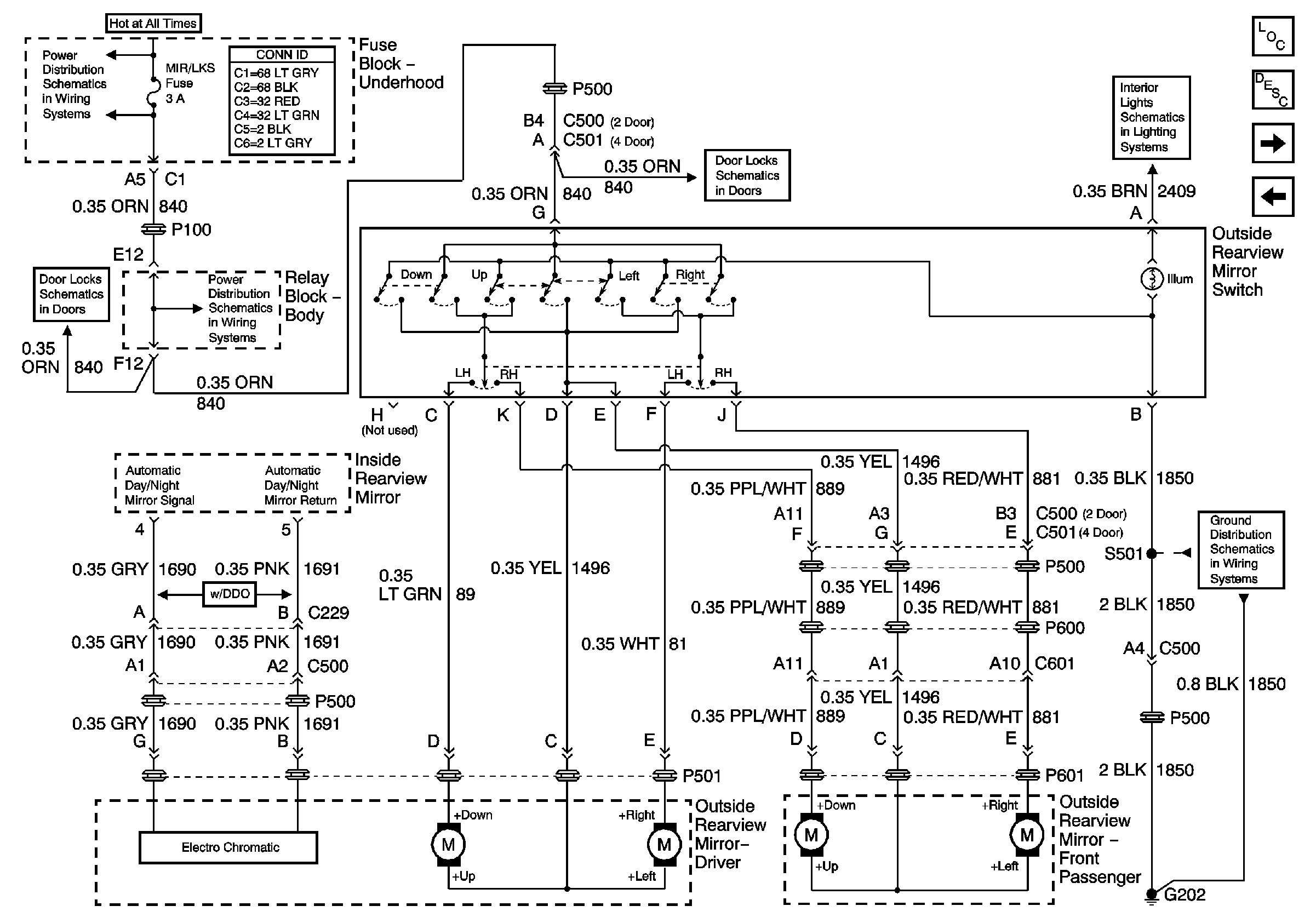
🢒 Outside Rearview Mirror Switch
Outside Rearview Mirror Switch
Outside Rearview Mirror Switch
Master Electrical Component List
Outside Mirror Description and Operation Power Mirrors
Folding Mirrors (Export Only)
Heated Mirrors
B+ Bus Bar
Door Lock Switch Inputs
MIR/LKS, FOG LP Fuses and DRL, Headlamp Power Relays
Door Lock Switch Inputs
Headlamp Switch
G202 (Pickup Except Crew Cab)