GM Service Manual Online
For 1990-2009 cars only
Makes
🢒
Chevrolet
🢒
2002
🢒
S10 Pickup - 2WD
🢒 Switches And VSS
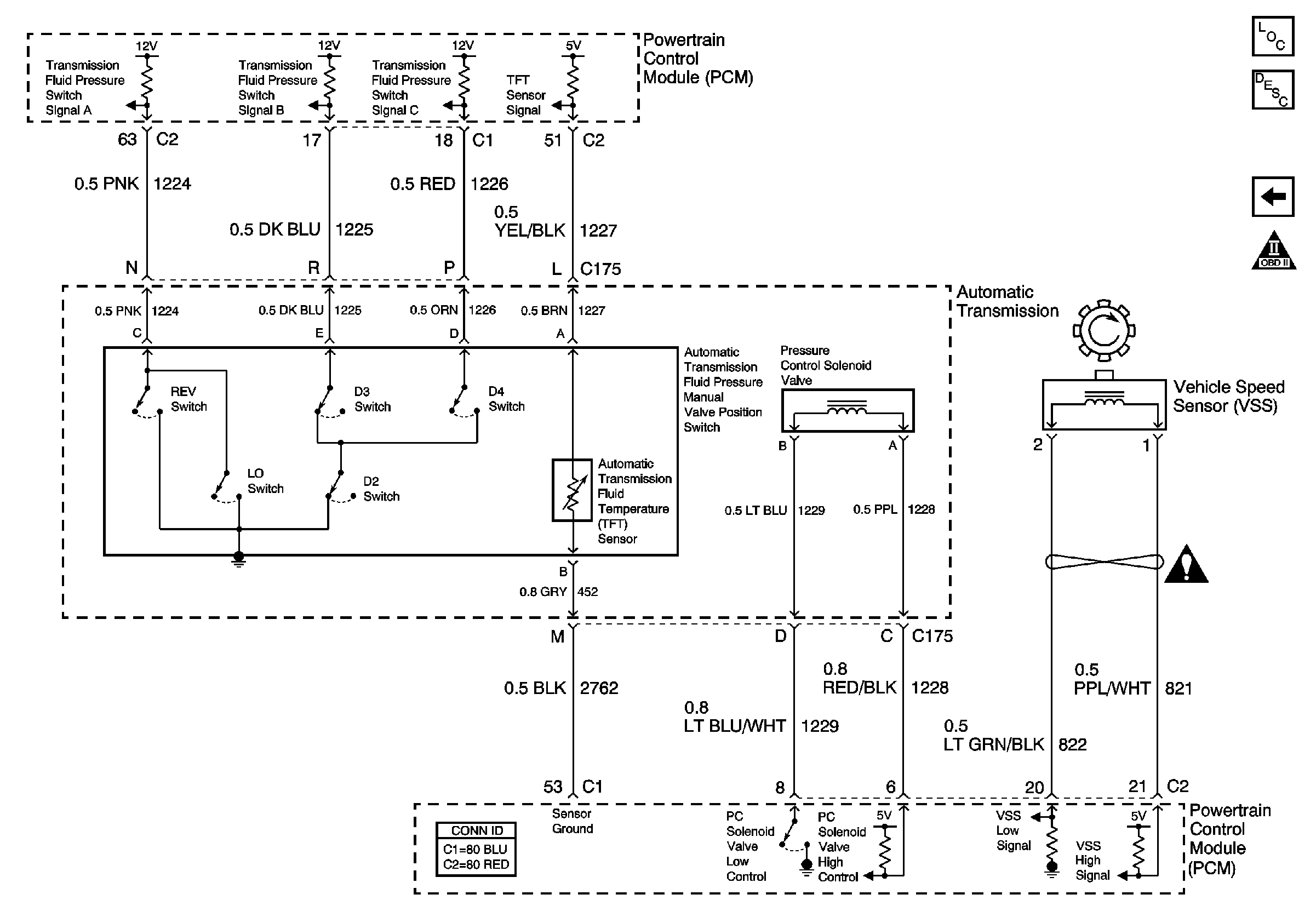
Switches And VSS
Switches and VSS
Master Electrical Component List
Electronic Component Description
Park/Neutral Position Switch
OBD II Symbol Description Notice
Automatic Transmission Schematic Icons