GM Service Manual Online
For 1990-2009 cars only
Makes
🢒
Chevrolet
🢒
2002
🢒
S10 Pickup - 2WD
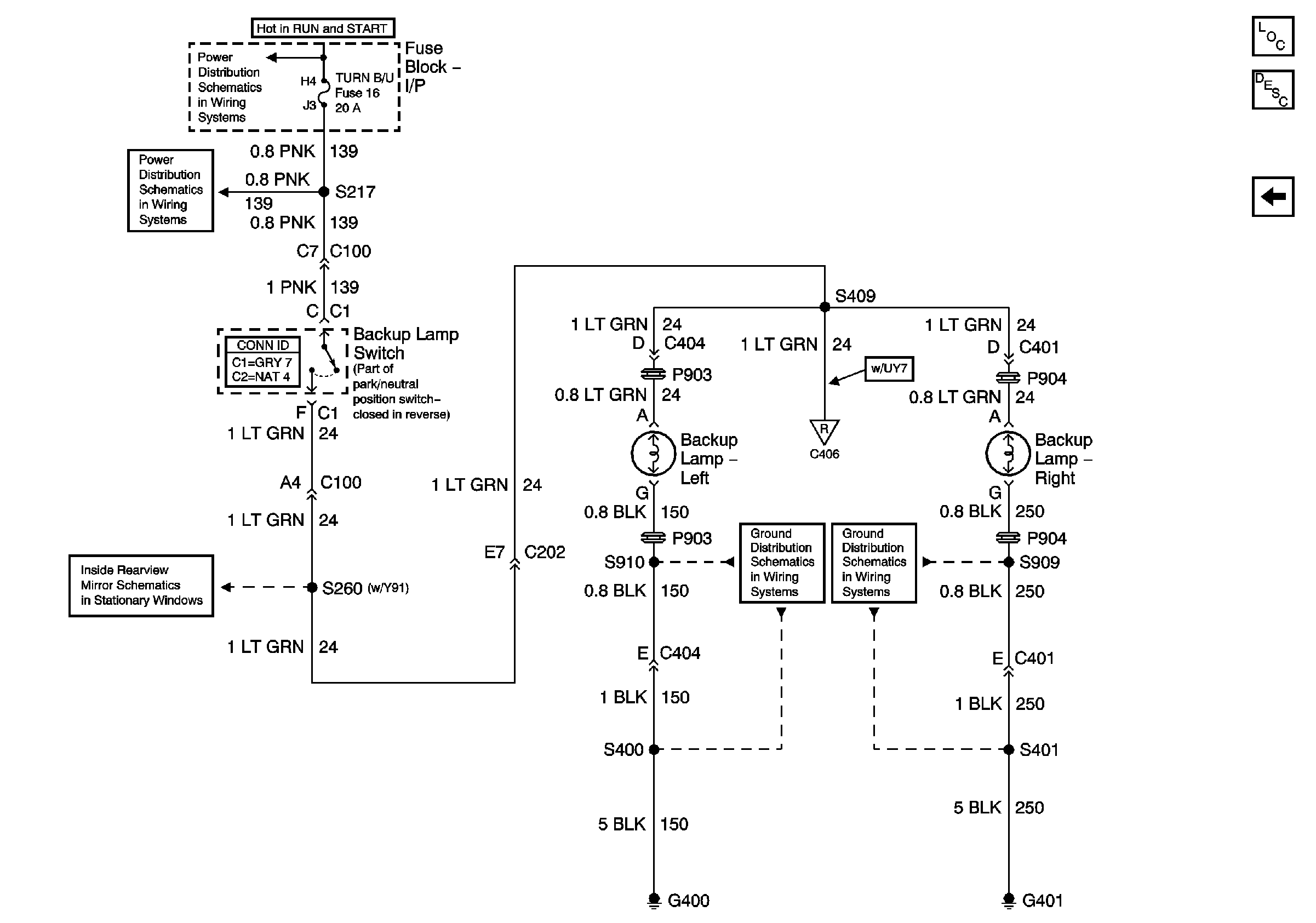
🢒 Backup Lamps
Backup Lamps
Backup Lamps
Master Electrical Component List
Exterior Lighting Systems Description and Operation
Tail Lamps, Rear Park and Turn Signal Lamps, Center High Mounted Stoplamps, License Lamp
Ignition A, Ignition B Fuses, and Ignition Switch
Courtesy, Air Bags, and Turn Backup Fuses
Inside Rearview Mirror
Tail Lamps, Rear Park and Turn Signal Lamps, Center High Mounted Stoplamps, License Lamp
G400
G401