GM Service Manual Online
For 1990-2009 cars only
Makes
🢒
Chevrolet
🢒
2002
🢒
S10 Pickup - 2WD
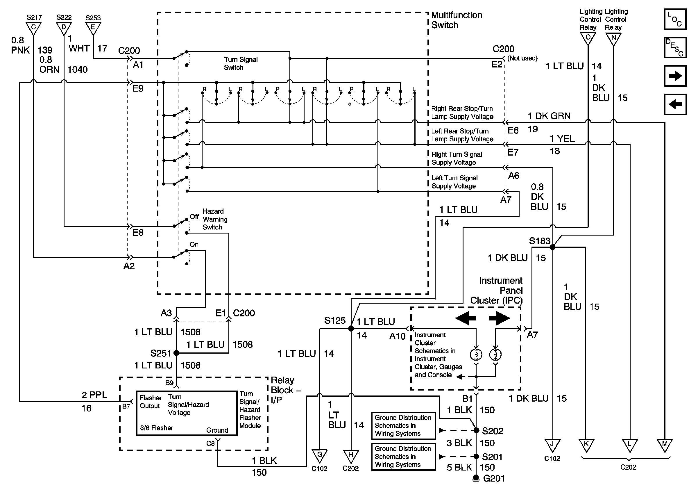
🢒 Turn/Hazard Lamp Flasher
Turn/Hazard Lamp Flasher
Turn/Hazard Lamp Flasher
Master Electrical Component List
Exterior Lighting Systems Description and Operation
Front Lamps
PARK LPS, TURN B/U, HAZARD and STOP Fuses
PARK LPS, TURN B/U, HAZARD and STOP Fuses
PARK LPS, TURN B/U, HAZARD and STOP Fuses
PARK LPS, TURN B/U, HAZARD and STOP Fuses
Theft Deterrent Flasher
Theft Deterrent Flasher
Indicators 2 of 2 - Gas and Diesel and Fuel Sender Buffer Module- Diesel Only
Front Lamps
Rear Lamps
Components through S202 and S205 to G201
G201
Front Lamps
Rear Lamps
Rear License Plate Lamps
Rear License Plate Lamps