GM Service Manual Online
For 1990-2009 cars only
Makes
🢒
Chevrolet
🢒
2002
🢒
S10 Pickup - 2WD
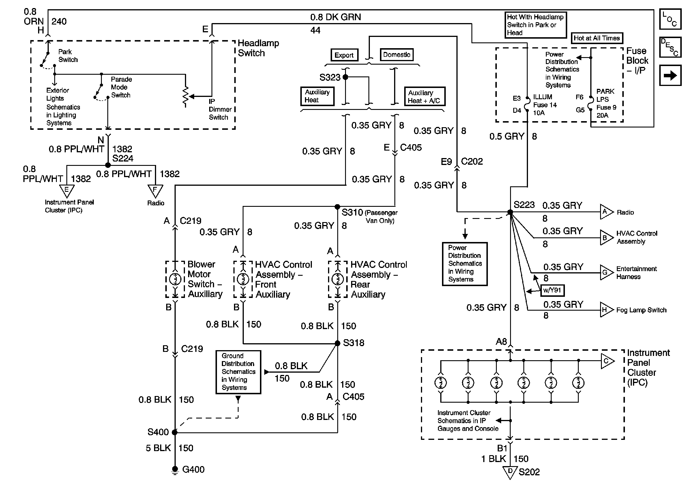
🢒 ILLUM and PARK LPS Fuses
ILLUM and PARK LPS Fuses
ILLUM and PARK LPS Fuses
Master Electrical Component List
Interior Lighting Systems Description and Operation
IP Illumination
PARK LPS, TURN B/U, HAZARD and STOP Fuses
IP Illumination
IP Illumination
G400
Illumination Fuse and Headlamp Switch
Indicators 2 of 2 - Gas and Diesel and Fuel Sender Buffer Module- Diesel Only
Lighting and Battery Fuses
IP Illumination
IP Illumination
Additional Control Illumination Lamps with Y91
Additional Control Illumination Lamps with Y91
IP Illumination
IP Illumination