GM Service Manual Online
For 1990-2009 cars only
Makes
🢒
Chevrolet
🢒
2002
🢒
S10 Pickup - 2WD
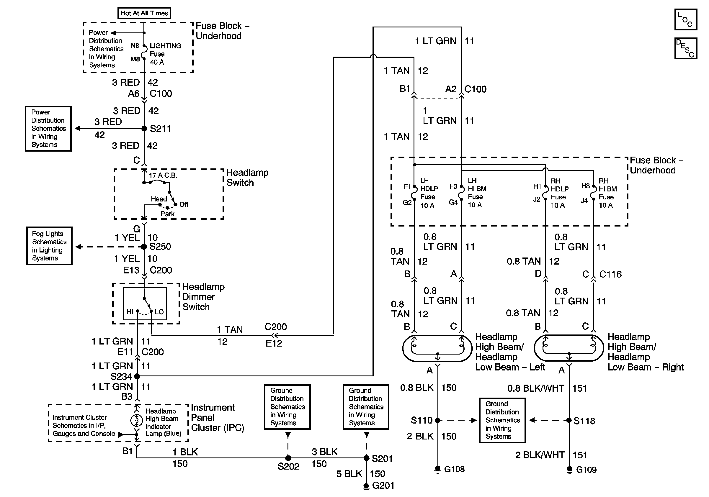
🢒 Headlamp and Dimmer Switches (Export)
Headlamp and Dimmer Switches (Export)
Master Electrical Component List
Exterior Lighting Systems Description and Operation
Battery, Auxiliary Battery, and Underhood Fuse/Relay Center
Lighting and Battery Fuses
G108 and G109 - Export
Rear Fog Lamps (Export)
Indicators 2 of 2 - Gas and Diesel and Fuel Sender Buffer Module- Diesel Only
Components through S202 and S205 to G201
G201