GM Service Manual Online
For 1990-2009 cars only
Makes
🢒
Chevrolet
🢒
2004
🢒
S10 Pickup - 2WD
🢒
Accessories
🢒
Theft Deterrent
🢒 Theft Deterrent System Schematics
Figure
1:
Power, Ground and Passlock⢠Sensor
Master Electrical Component List
Theft Systems Description and Operation
Door Jamb Switch Inputs
STUD 2, ABS, HDLP W/W, TBC and RR W/W Fuses
G200, G201and G207-Pickup and Crew Cab
Class 2 Serial Data
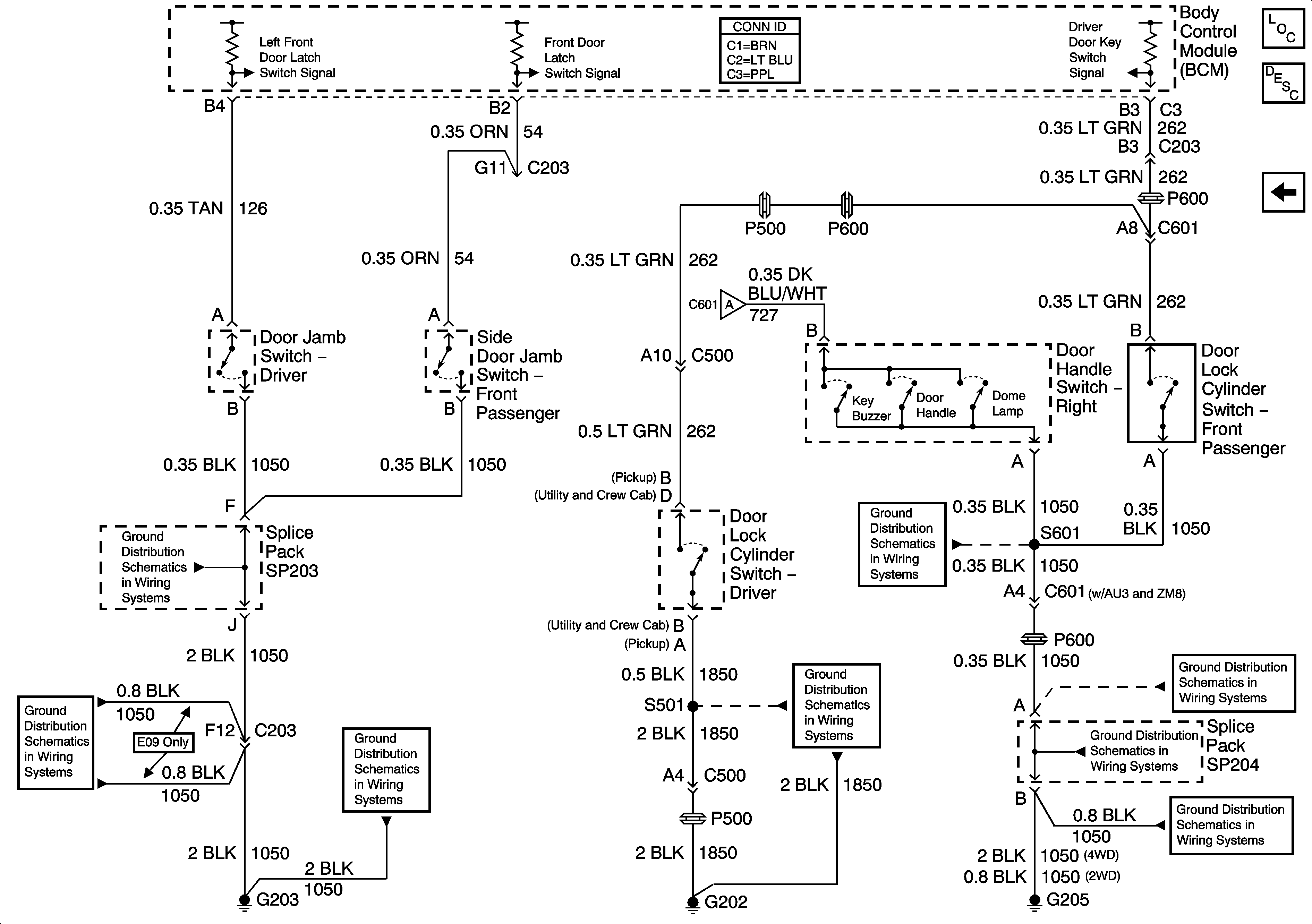
Figure
2:
Door Jamb Switch Inputs
Master Electrical Component List
Theft Systems Description and Operation
Door Handle Switch Inputs
Power, Ground and Passlock Sensor
Door Handle Switch Inputs
G420, G450 and S427 - Utility and Crew Cab
G200, G201and G207-Pickup and Crew Cab
Figure
3:
Door Handle Switch Inputs
Master Electrical Component List
Theft Systems Description and Operation
Door Jamb Switch Inputs
G203 and G204 - Pickup
G203 and G204 - Utility w/Manual A/C
G203 and G204 - Pickup
Door Jamb Switch Inputs
G205 - Utility and Crew Cab
G202 - Pickup Except Crew Cab
G205 - Utility and Crew Cab