GM Service Manual Online
For 1990-2009 cars only
Makes
🢒
Chevrolet
🢒
2004
🢒
S10 Pickup - 2WD
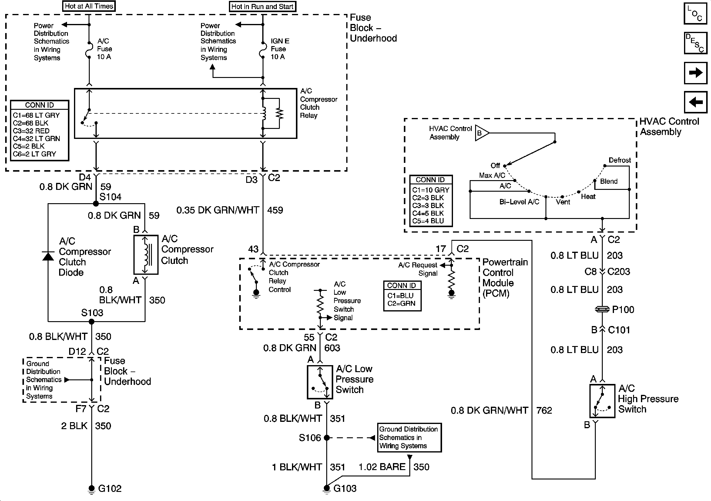
🢒 Compressor Controls-4.3L
Compressor Controls-4.3L
Compresser Controls-4.3L