GM Service Manual Online
For 1990-2009 cars only

Intake Manifold Replacement Upper

Removal Procedure

  1. Drain the engine coolant. Refer to Draining and Filling Cooling System in Engine Cooling.
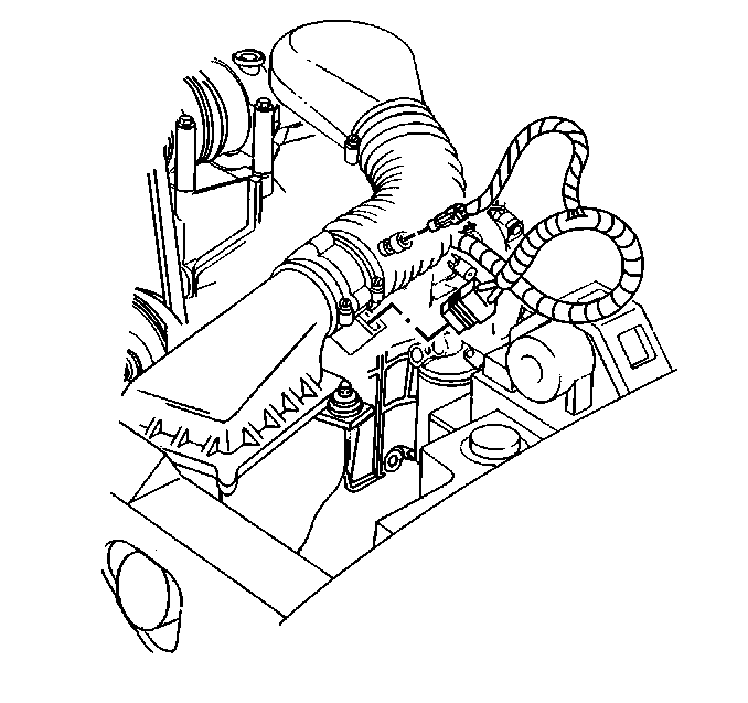
  2. Remove the air cleaner and air inlet duct. Refer to Air Cleaner in Engine Controls.
  3. Remove the following wire harnesses:
  4. • The throttle position sensor (TP sensor)
    • The idle air control (IAC) motor
    • The manifold absolute pressure (MAP) sensor
  5. Remove the throttle linkage. Refer to Throttle Linkage in Engine Controls.
  6. Remove the ignition coil. Refer to Ignition Coil in Engine Electrical.
  7. Remove the PCV pipe.
  8. Remove the vacuum hoses.

  9. Object Number: 31649  Size: SH
  10. Remove the upper intake manifold.

Installation Procedure


    Object Number: 31649  Size: SH
  1. Install the upper intake manifold. Refer to Intake Manifold Installation (Upper Intake) .
  2. Install the PCV pipe.
  3. Install the vacuum hoses.
  4. Install the throttle linkage. Refer to Throttle Linkage in Engine Controls.
  5. Install the ignition coil. Refer to Ignition Coil in Engine Electrical.
  6. Install the following wiring harnesses:
  7. • The throttle position sensor (TP sensor)
    • The idle air control (IAC) motor
    • The manifold absolute pressure (MAP) sensor
  8. Install the air cleaner and the air inlet duct. Refer to Air Cleaner in Engine Controls.
  9. Fill the cooling system. Refer to Draining and Filling Cooling System in Engine Cooling.

Intake Manifold Replacement Lower

Removal Procedure

  1. Disconnect the negative battery cable. Refer to

    Caution: Unless directed otherwise, the ignition and start switch must be in the OFF or LOCK position, and all electrical loads must be OFF before servicing any electrical component. Disconnect the negative battery cable to prevent an electrical spark should a tool or equipment come in contact with an exposed electrical terminal. Failure to follow these precautions may result in personal injury and/or damage to the vehicle or its components.

    .
  2. Drain the cooling system. Refer to Cooling System Draining and Filling in Engine Cooling.

  3. Object Number: 31487  Size: SH
  4. Remove the air cleaner intake duct.
  5. Remove the distributor.
  6. Remove the upper radiator hose at the thermostat housing. Refer to Radiator Hose Replacement and Engine Coolant Thermostat Replacement in Engine Cooling.

  7. Object Number: 31608  Size: SH
  8. Remove the throttle linkage and bracket from the upper intake manifold.
  9. Remove the heater hoses at the lower intake manifold.
  10. Remove the transmission oil level indicator and tube, automatic transmissions only.
  11. Remove the exhaust gas recirculation (EGR) tube, clamp, and bolt. Refer to Intake Manifold Removal .

  12. Object Number: 31809  Size: SH
  13. Remove the fuel supply and return lines at the rear of the lower intake manifold.
  14. Remove the bolts attaching the air conditioning compressor.

  15. Object Number: 31769  Size: SH
  16. Remove the wire harnesses. Include the following items:
  17. • The central (sequential fuel injector)
    • The EGR valve
    • The engine coolant temperature sensor
    • The manifold absolute pressure (MAP) sensor
    • The mass air flow sensor
    • Distributor spark plug wires
  18. Remove the positive crankcase ventilation (PCV) valve and vacuum hose.
  19. Remove the EGR valve inlet tube from the intake manifold.
  20. Remove the oxygen sensor wire support bracket and nut.
  21. Remove the canister purge system tubing.
  22. Remove the lower intake manifold. Refer to Intake Manifold Removal .

Installation Procedure

  1. Install the lower intake manifold. Refer to Intake Manifold Installation .
  2. Install the oxygen sensor wire support bracket and nut.
  3. Install the EGR inlet tube, clamp, and bolt.
  4. Install the wiring harnesses. Include the following items:
  5. • The EGR valve
    • The engine coolant temperature sensor
    • The central (sequential fuel injector)
    • The MAP sensor
    • The mass air flow sensor
    • Distributor spark plug wires
  6. Install the air conditioning compressor bolts into the A/C bracket.

  7. Object Number: 31809  Size: SH
  8. Install the fuel supply and return lines to the rear of the lower intake manifold.
  9. Install the transmission oil level indicator and tube, automatic transmissions only.

  10. Object Number: 31608  Size: SH
  11. Install the throttle linkage and bracket from the upper intake manifold.
  12. Install the heater hoses at the lower intake manifold.
  13. Install the upper radiator hose to the thermostat housing. Refer to Radiator Hose Replacement in Engine Cooling.
  14. Install the distributor.

  15. Object Number: 31487  Size: SH
  16. Install the air cleaner intake duct.
  17. Refill the cooling system. Refer to Cooling System Draining and Filling in Engine Cooling.
  18. Connect the negative battery cable.