GM Service Manual Online
For 1990-2009 cars only

Automatic Transmission Controls Schematics 2.2L

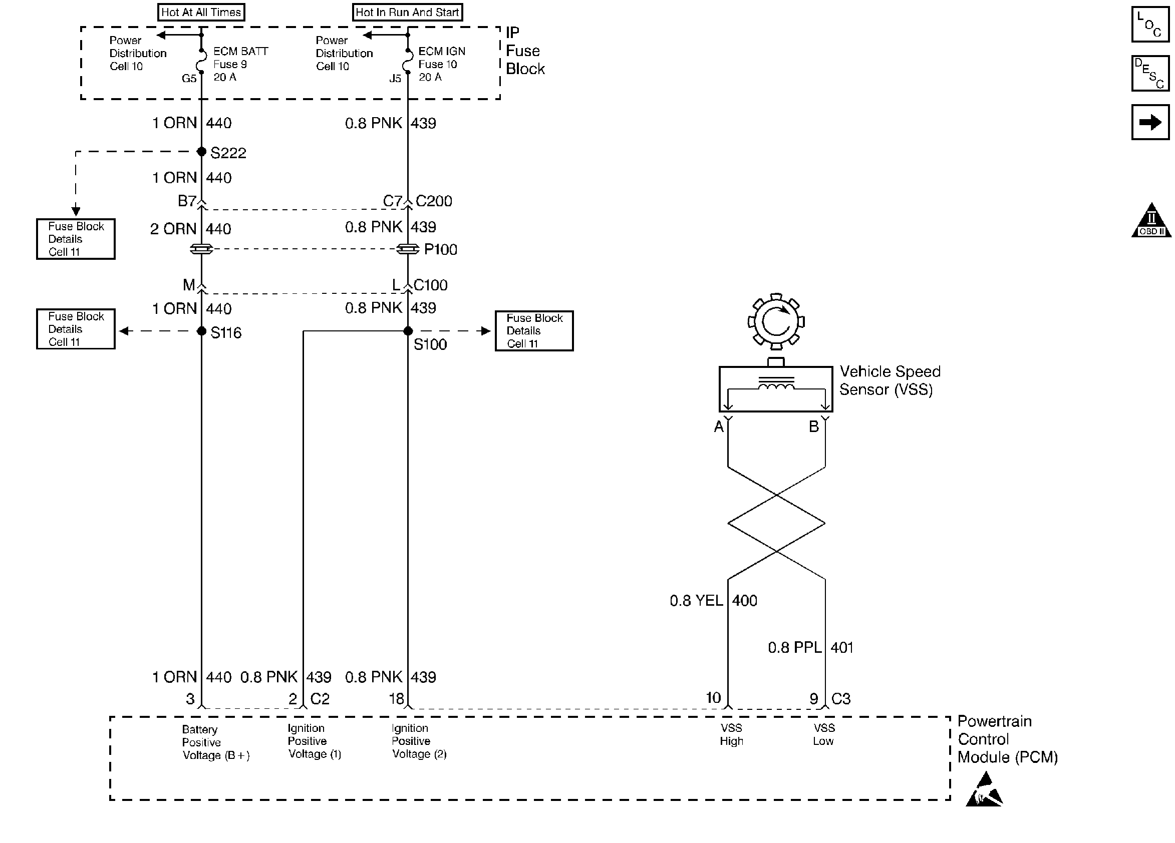
Figure 1:

PCM Power and VSS


Object Number: 26683  Size: FS
Automatic Transmission Components 2.2L
Electronic Component Description
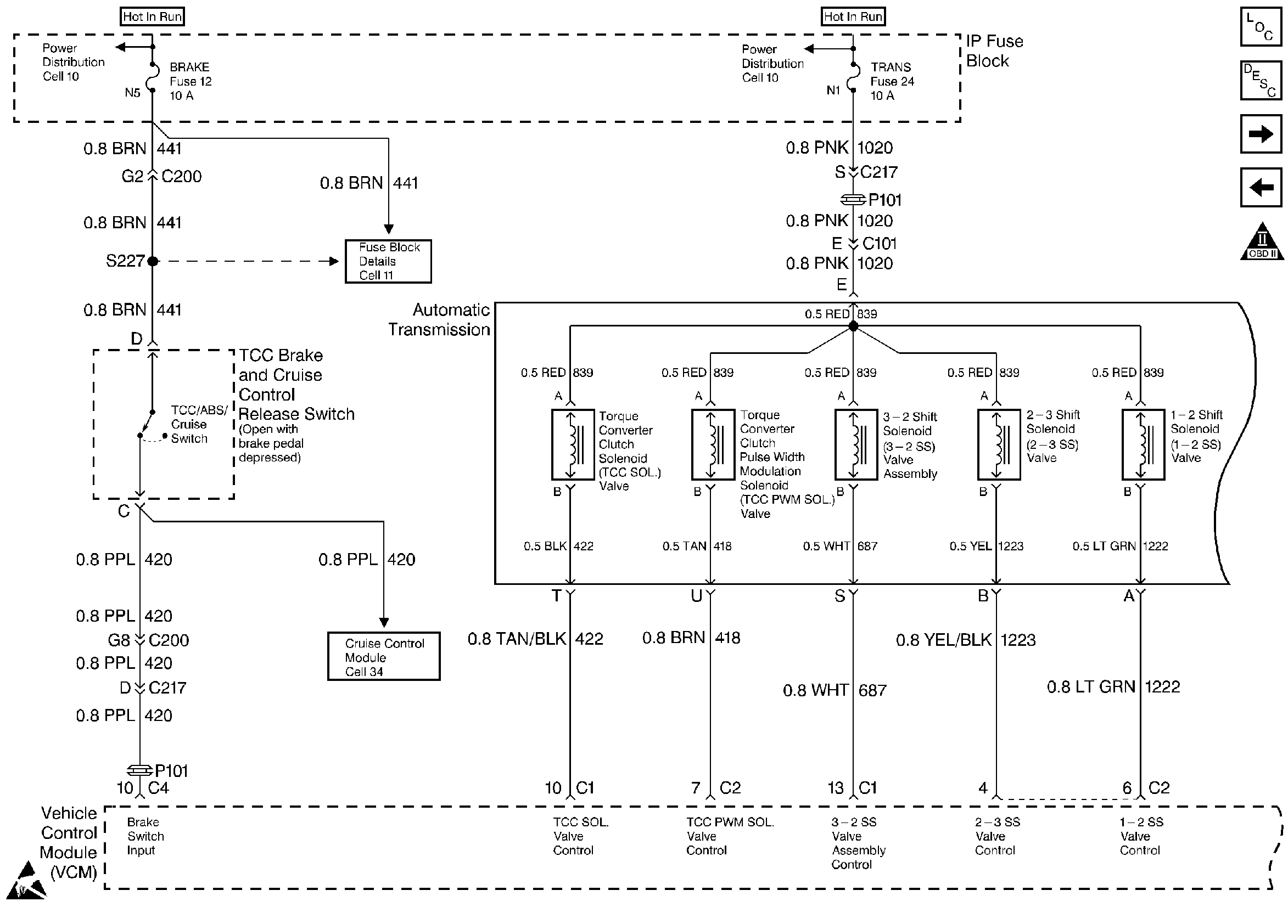
Brake Switch and Solenoids
OBD II Symbol Description Notice
Handling ESD Sensitive Parts Notice
Automatic Transmission Schematic References 2.2L
Automatic Transmission Schematic References 2.2L
Automatic Transmission Schematic References 2.2L
Automatic Transmission Schematic References 2.2L
Automatic Transmission Schematic References 2.2L
Figure 2:

Brake Switch and Solenoids


Object Number: 26684  Size: FS
Automatic Transmission Components 2.2L
Electronic Component Description
TFP Valve Position Switch and PC Solenoid Valve
PCM Power and VSS
OBD II Symbol Description Notice
Handling ESD Sensitive Parts Notice
Automatic Transmission Schematic References 2.2L
Automatic Transmission Schematic References 2.2L
Automatic Transmission Schematic References 2.2L
Automatic Transmission Schematic References 2.2L
Automatic Transmission Schematic References 2.2L
Automatic Transmission Schematic References 2.2L
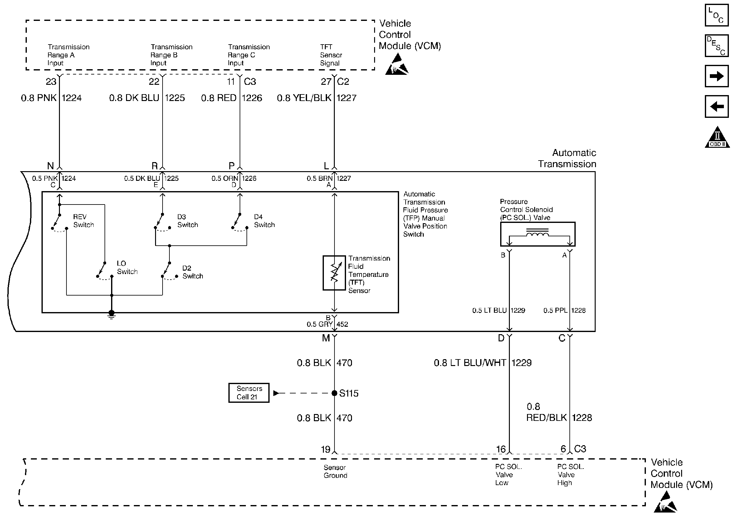
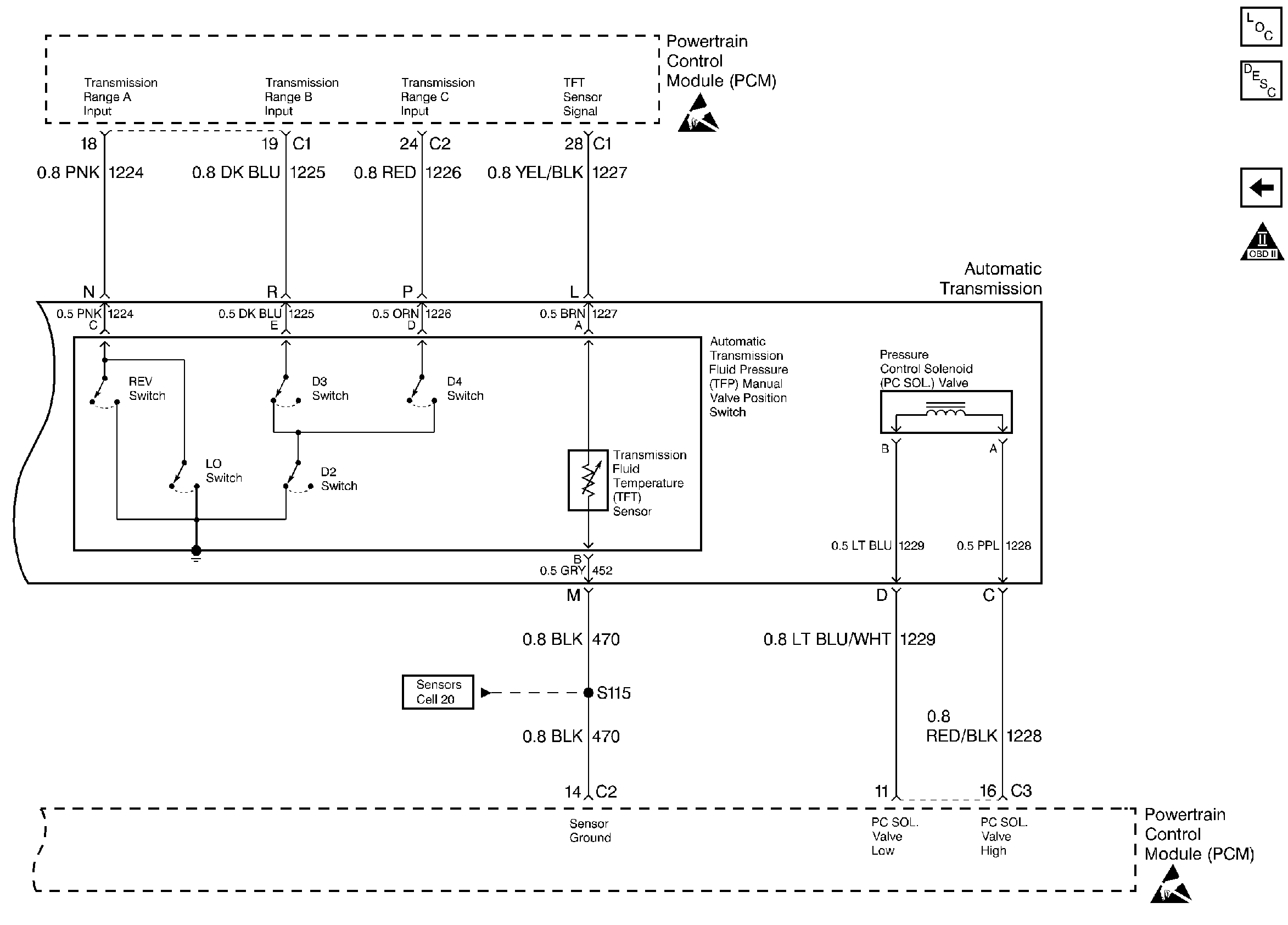
Figure 3:

TFP Valve Position Switch and PC Solenoid Valve


Object Number: 26685  Size: FS
Automatic Transmission Components 2.2L
Electronic Component Description
Brake Switch and Solenoids
OBD II Symbol Description Notice
Handling ESD Sensitive Parts Notice
Handling ESD Sensitive Parts Notice
Automatic Transmission Schematic References 2.2L

Automatic Transmission Controls Schematics 4.3L

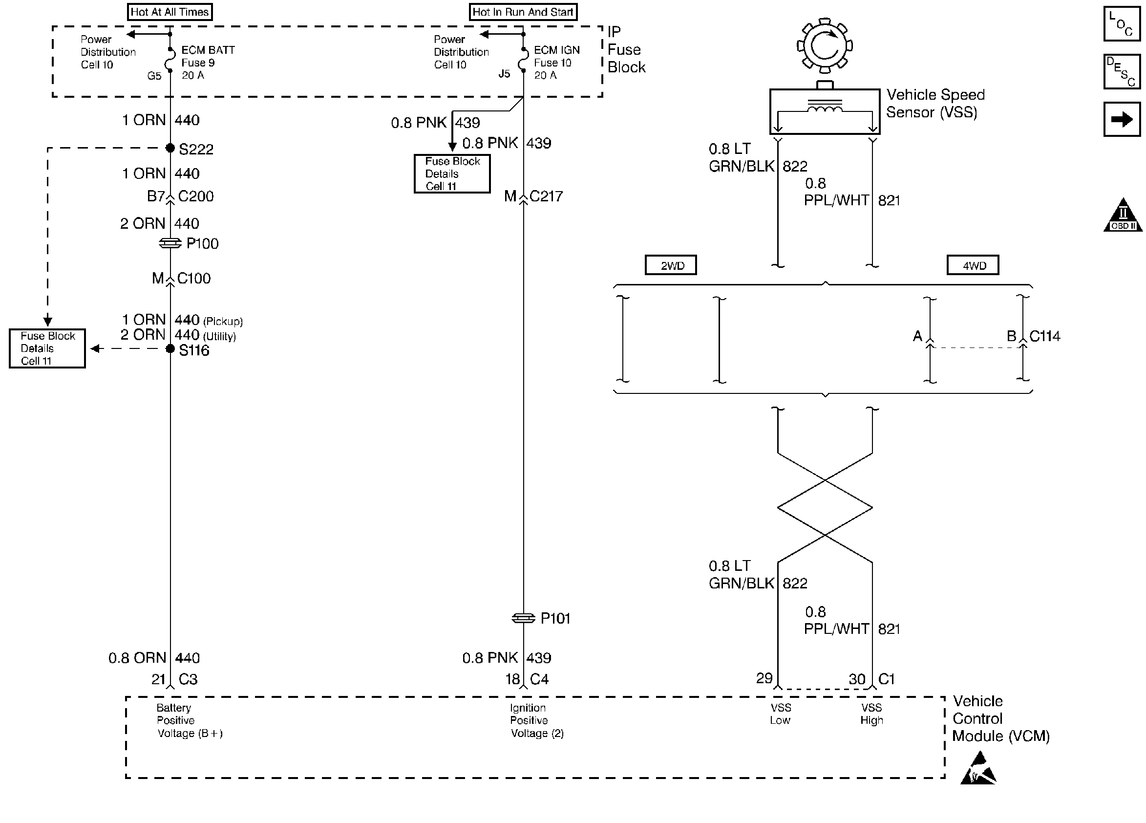
Figure 1:

VCM Power and VSS


Object Number: 26687  Size: FS
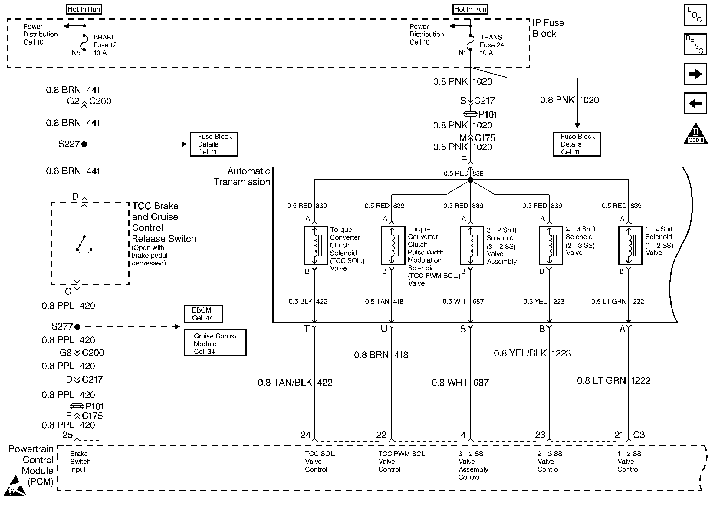
Figure 2:

Brake Switch and Solenoids


Object Number: 26688  Size: FS
Figure 3:

TFP Valve Position Switch and PC Solenoid Valve


Object Number: 26690  Size: FS
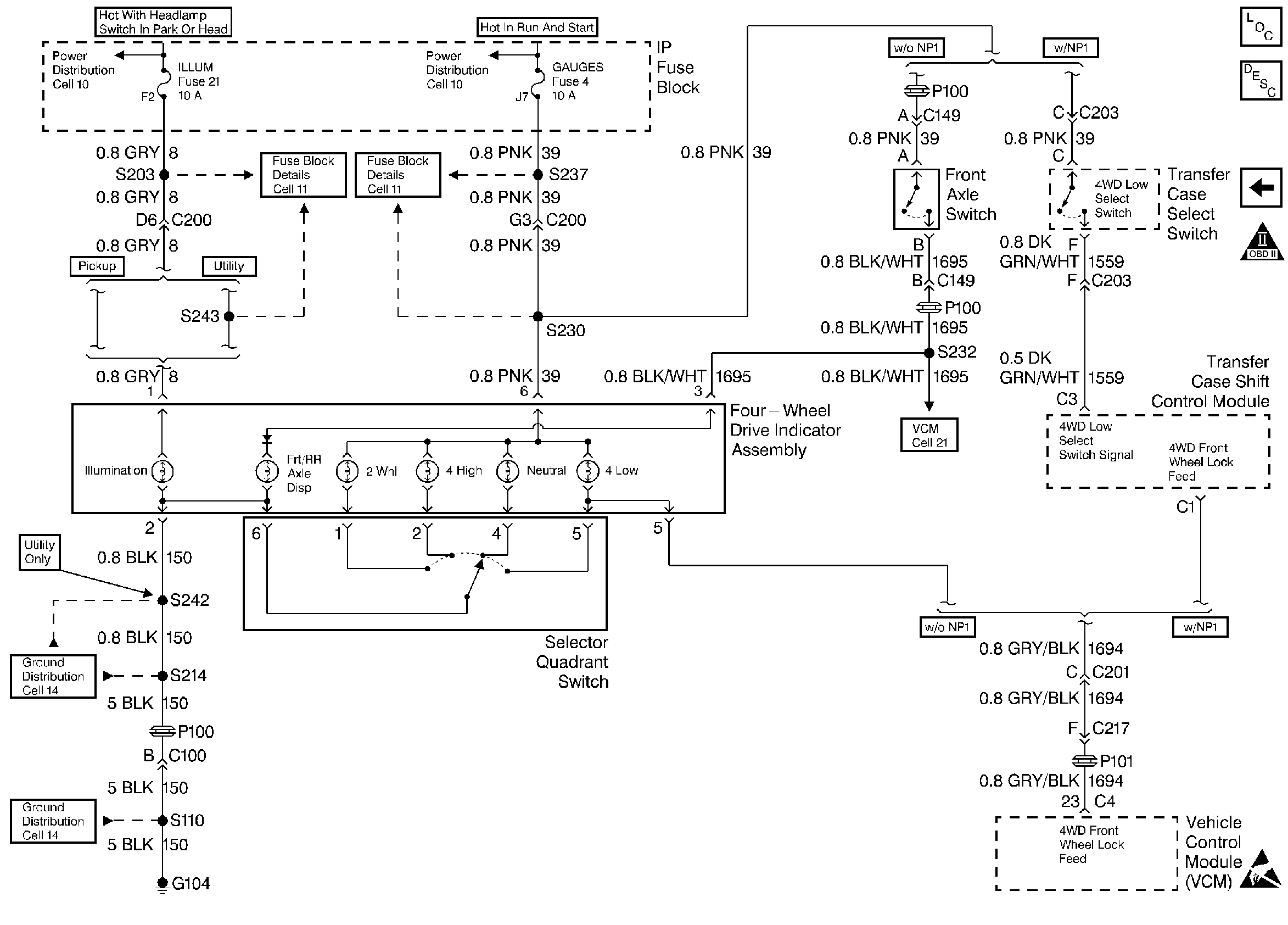
Figure 4:

4WD Indicator and Front Axle Switch


Object Number: 29119  Size: FS