GM Service Manual Online
For 1990-2009 cars only
Makes
🢒
Chevrolet
🢒
1996
🢒
S10 Pickup - 4WD
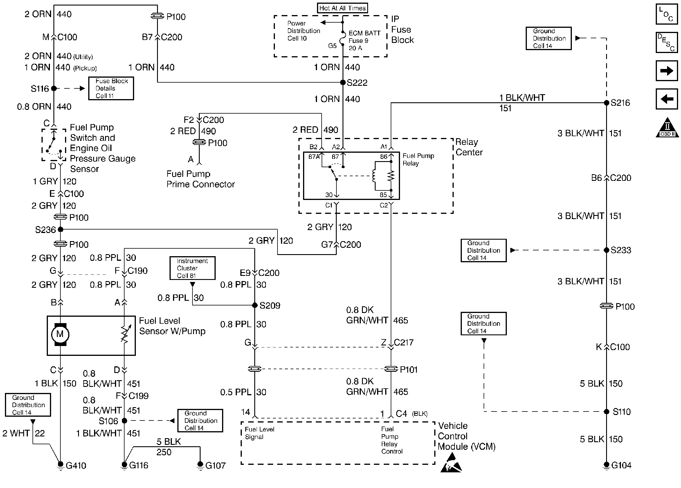
🢒 Fuel Pump
Fuel Pump
Fuel Pump
Handling ESD Sensitive Parts Notice
Engine Controls Components
Fuel System Central SFI Fuel Injection
Fuel Injectors
CMP, CKP, ICM, and the Ignition Coil
OBD II Symbol Description Notice