GM Service Manual Online
For 1990-2009 cars only
Makes
🢒
Chevrolet
🢒
1997
🢒
S10 Pickup - 4WD
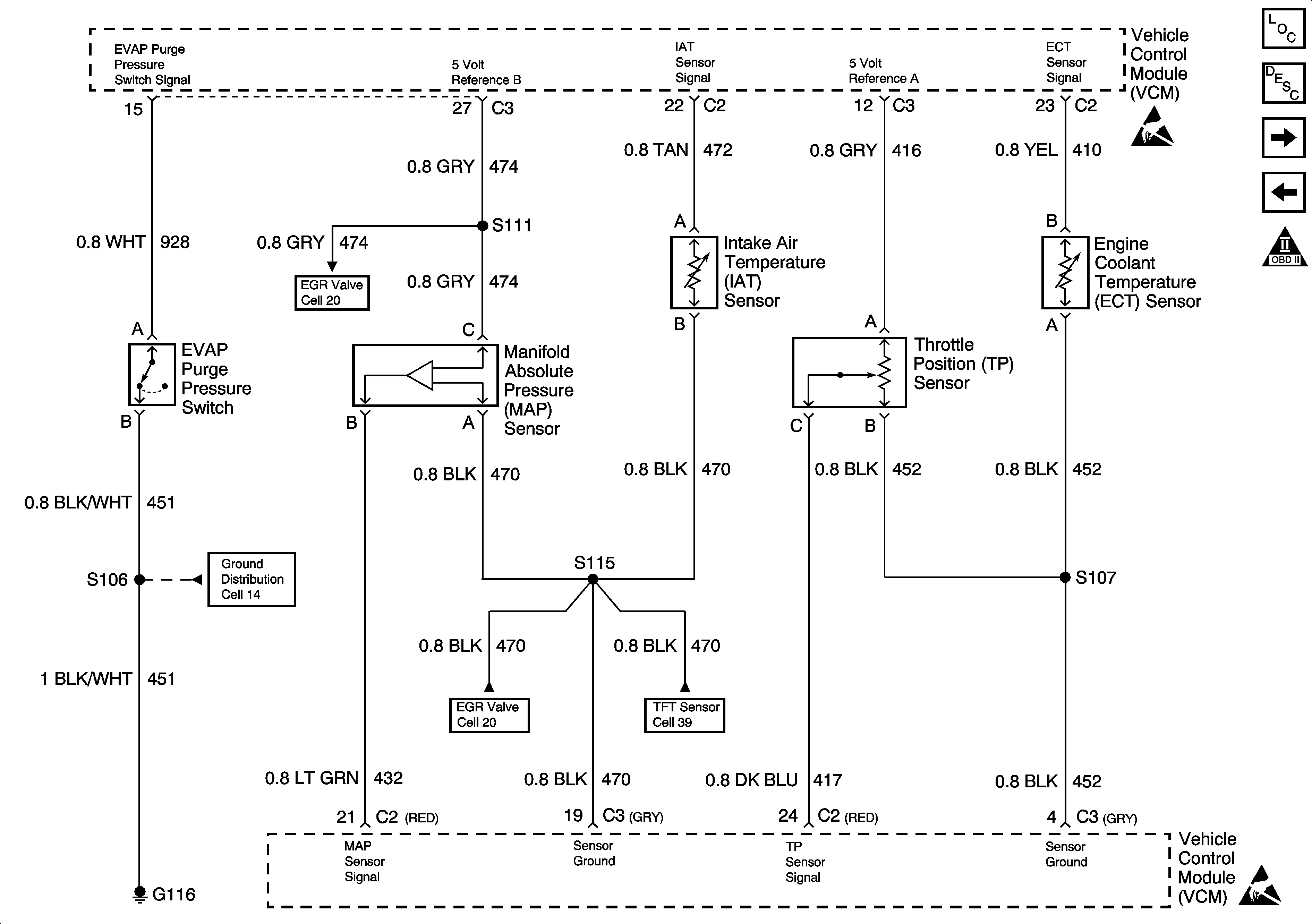
🢒 MAP, IAT, TP, ECT, and the Fuel Tank Pressure Sensors
MAP, IAT, TP, ECT, and the Fuel Tank Pressure Sensors
MAP, IAT, TP, ECT, and the Fuel Tank Pressure Sensors
Handling ESD Sensitive Parts Notice
Handling ESD Sensitive Parts Notice
Engine Controls Components
Information Sensors
MAF, EVAP, and the EGR
Fuel Injectors
OBD II Symbol Description Notice