GM Service Manual Online
For 1990-2009 cars only
Makes
🢒
Chevrolet
🢒
1997
🢒
S10 Pickup - 4WD
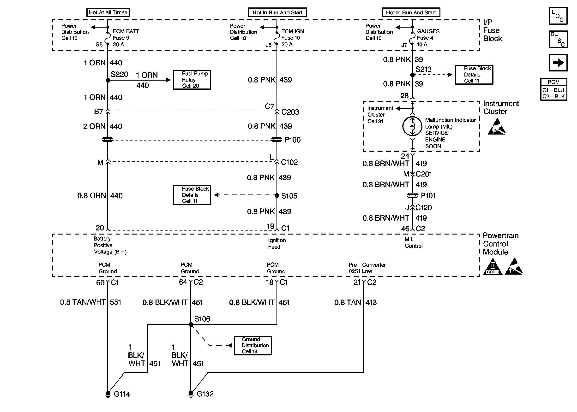
🢒 Power, Ground, MIL
Power, Ground, MIL
Power, Ground, MIL
Engine Controls Components
Powertrain Control Module (PCM) Control Modules
DLC
Fuel Controls
Handling Electrostatic Discharge Sensitive Parts Notice
OBD II Symbol Description Notice
Handling Electrostatic Discharge Sensitive Parts Notice