GM Service Manual Online
For 1990-2009 cars only
Makes
🢒
Chevrolet
🢒
1997
🢒
S10 Pickup - 4WD
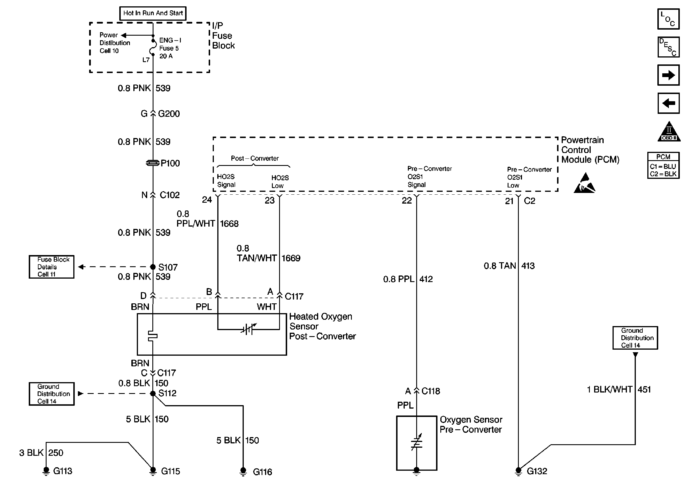
🢒 Oxygen Sensors
Oxygen Sensors
Oxygen Sensors
Engine Controls Components
Powertrain Control Module (PCM) Control Modules
Transmission Shift Light
IAC Valve, EVAP and EGR Controls
OBD II Symbol Description Notice
Handling Electrostatic Discharge Sensitive Parts Notice