GM Service Manual Online
For 1990-2009 cars only
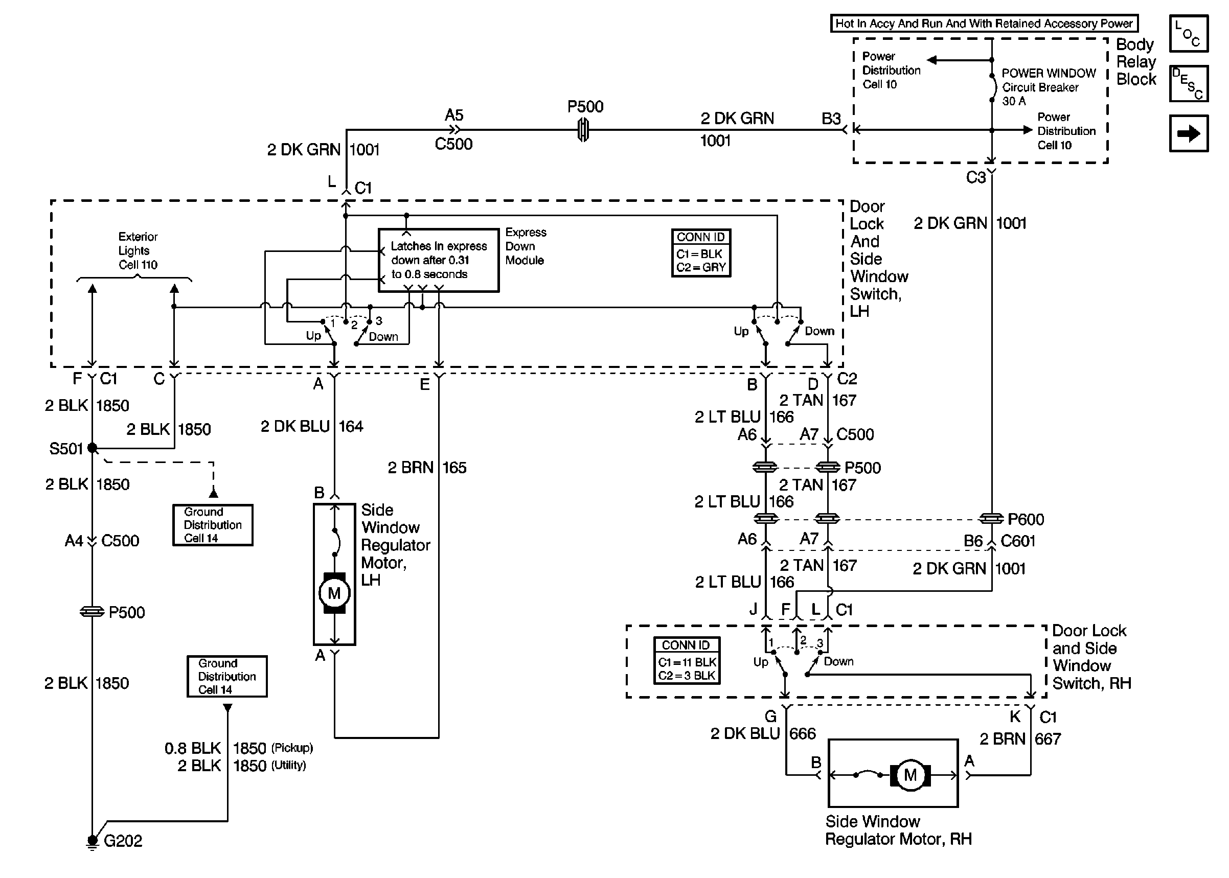
Figure 1:

Cell 120: Power and Ground


Object Number: 380093  Size: FS
Cell 10: Power Seats, Power Windows Circuit Breakers and RAP Relays
Cell 10: Power Seats, Power Windows Circuit Breakers and RAP Relays
Power Door Systems Components
Power Windows Circuit Description
Cell 120: Front Side Window Motors
Power Door Systems Connector End Views
Cell 14: G202 (Pickup)
Cell 14: G202 (Pickup)
Power Door Systems Connector End Views
Cell 110: PARK LP Fuse and Headlamp Switch
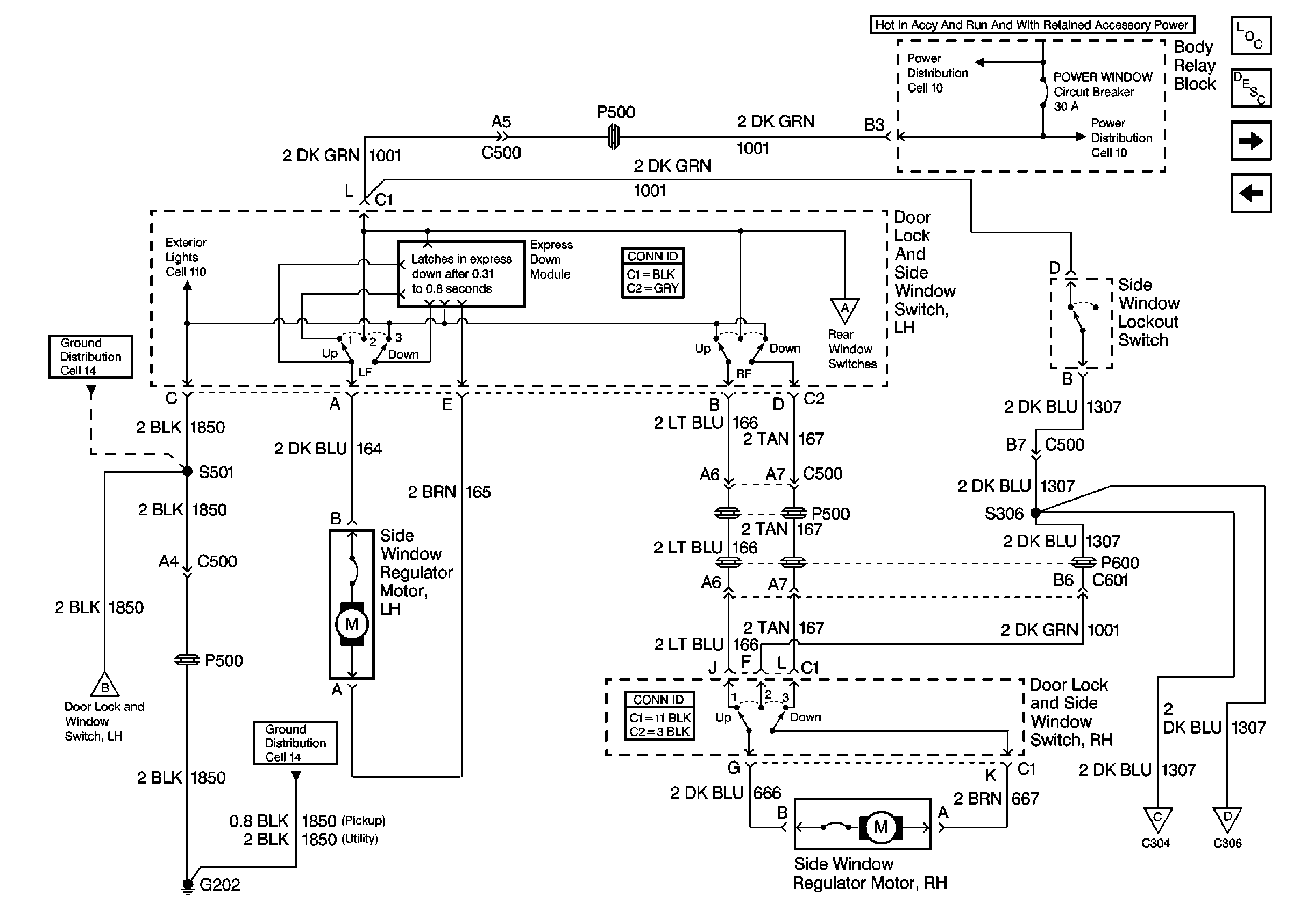
Figure 2:

Cell 120: Front Side Window Motors


Object Number: 380096  Size: FS
Cell 10: Power Seats, Power Windows Circuit Breakers and RAP Relays
Cell 10: Power Seats, Power Windows Circuit Breakers and RAP Relays
Power Door Systems Components
Power Windows Circuit Description
Cell 120: Rear Side Window Motors
Cell 120: Power and Ground
Power Door Systems Connector End Views
Cell 120: Rear Side Window Motors
Cell 120: Rear Side Window Motors
Power Door Systems Connector End Views
Cell 14: G202 (Pickup)
Cell 120: Rear Side Window Motors
Cell 14: G202 (Pickup)
Cell 110: PARK LP Fuse and Headlamp Switch
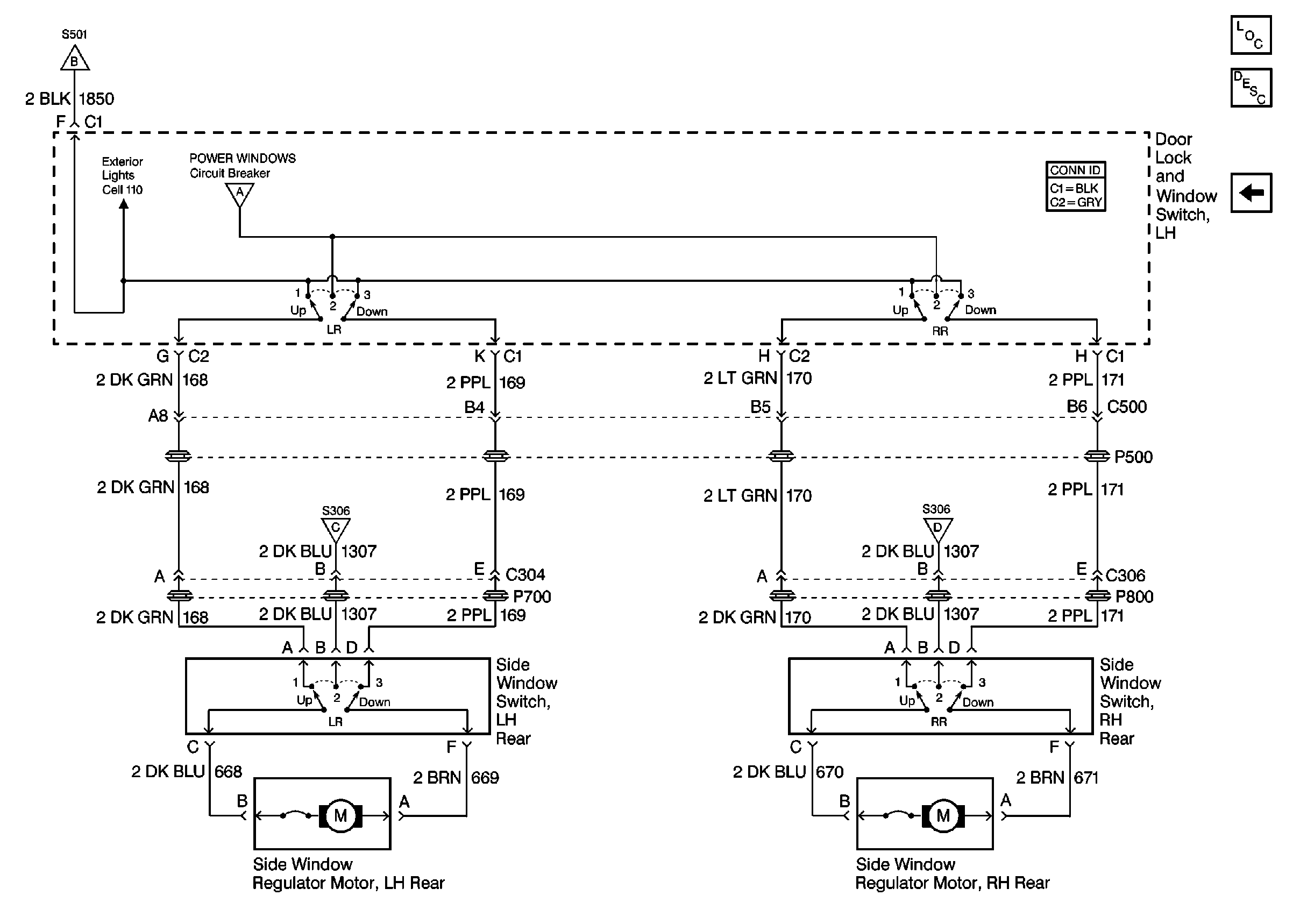
Figure 3:

Cell 120: Rear Side Window Motors


Object Number: 380099  Size: FS
Cell 120: Front Side Window Motors
Power Door Systems Components
Power Windows Circuit Description
Cell 120: Front Side Window Motors
Power Door Systems Connector End Views
Cell 120: Front Side Window Motors
Cell 120: Front Side Window Motors
Cell 120: Front Side Window Motors
Cell 110: PARK LP Fuse and Headlamp Switch