GM Service Manual Online
For 1990-2009 cars only
Makes
🢒
Chevrolet
🢒
1999
🢒
S10 Pickup - 4WD
🢒
Body and Accessories
🢒
Seats
🢒 Heated Seats Schematics
Figure
1:
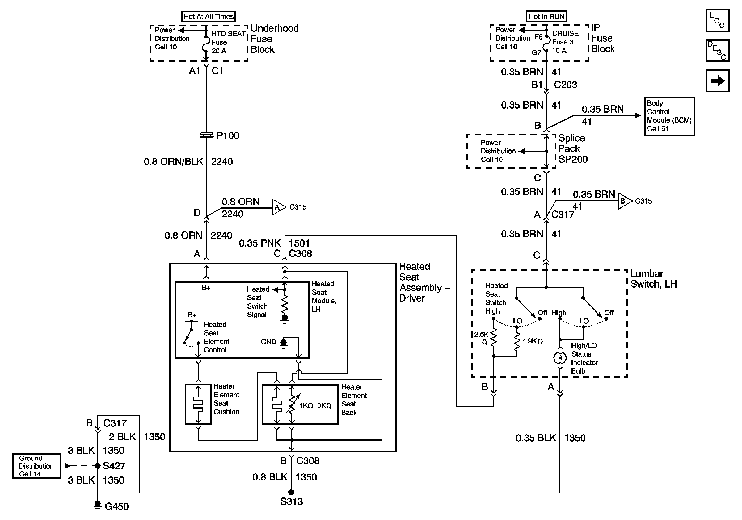
Cell 143: LH Heated Seat
Cell 10: HTD SEAT, ATC, HVAC and A/C Fuses
Cell 10: HVAC and CRUISE Fuses
Power Seat Systems Components
Heated Seats Circuit Description
Cell 143: RH Heated Seat
Cell 51: Power and Ground
Cell 10: HVAC and CRUISE Fuses
Cell 143: RH Heated Seat
Cell 143: RH Heated Seat
Cell 14: G420 and G450 (Utility w/ Endgate)
Figure
2:
Cell 143: RH Heated Seat
Cell 143: LH Heated Seat
Cell 143: LH Heated Seat
Power Seat Systems Components
Heated Seats Circuit Description
Cell 143: LH Heated Seat
Cell 14: G420 and G450 (Utility w/ Liftgate)