GM Service Manual Online
For 1990-2009 cars only
Makes
🢒
Chevrolet
🢒
1999
🢒
S10 Pickup - 4WD
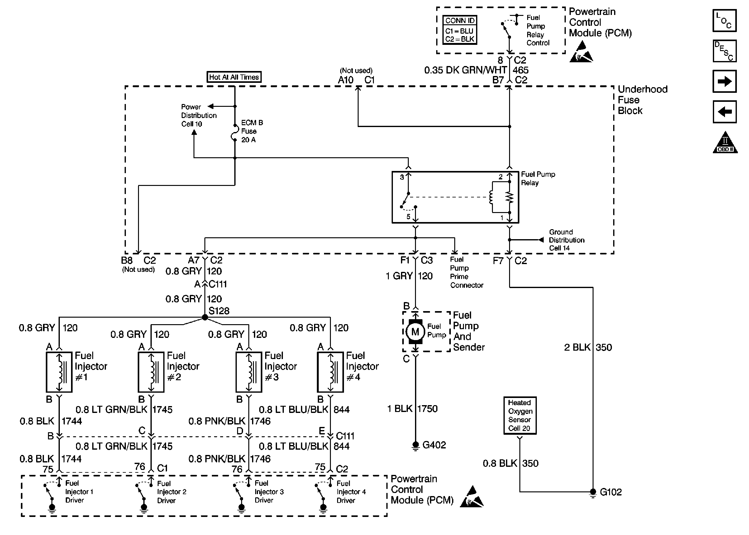
🢒 Cell 20: Fuel Injectors and Fuel Pump
Cell 20: Fuel Injectors and Fuel Pump
Cell 20: Fuel Injectors and Fuel Pump
Powertrain Control Module Connector End Views
Handling ESD Sensitive Parts Notice
Engine Controls Components
Powertrain Control Module Description
Cell 20: MAP, IAT, TPS and ECT Sensors
Cell 20: Fuel Level and Fuel Tank Pressure Sensors
OBD II Symbol Description Notice
Cell 20: Oxygen Sensors
Handling ESD Sensitive Parts Notice
Cell 14: G102 (Except Envoy)
Cell 10: ECM B Fuse and Horn, Rear Defogger Relays