GM Service Manual Online
For 1990-2009 cars only
Makes
🢒
Chevrolet
🢒
1999
🢒
S10 Pickup - 4WD
🢒 Cell 14: G206 (Except Base Pickup)
Cell 14: G206 (Except Base Pickup)
Cell 14: G206 (Except Base Pickup)
Entertainment Connector End Views
Entertainment Connector End Views
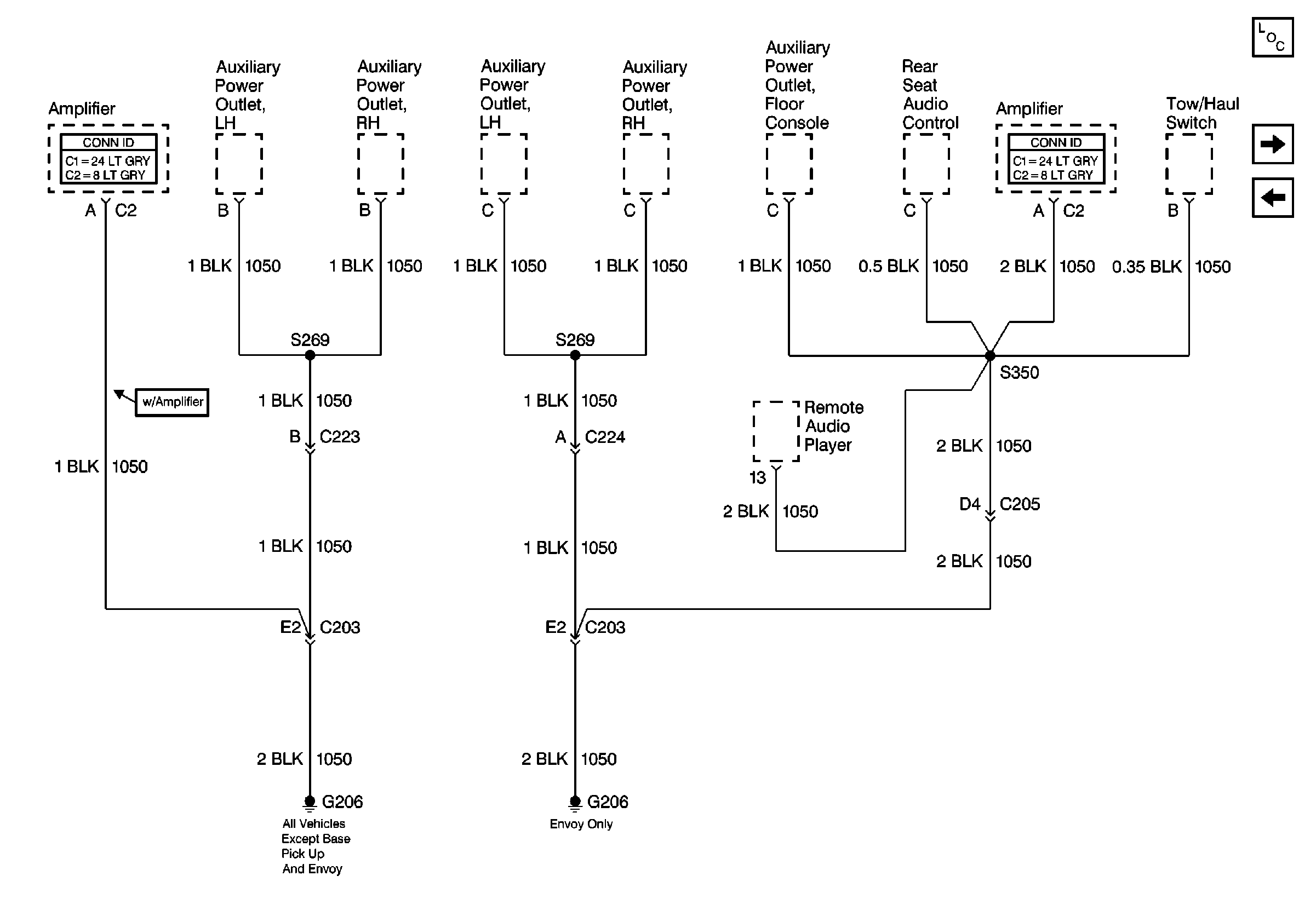
Power and Grounding Components
Cell 14: S313 and S419
Cell 14: G205 and G206 (Utility)