GM Service Manual Online
For 1990-2009 cars only
Makes
🢒
Chevrolet
🢒
1999
🢒
S10 Pickup - 4WD
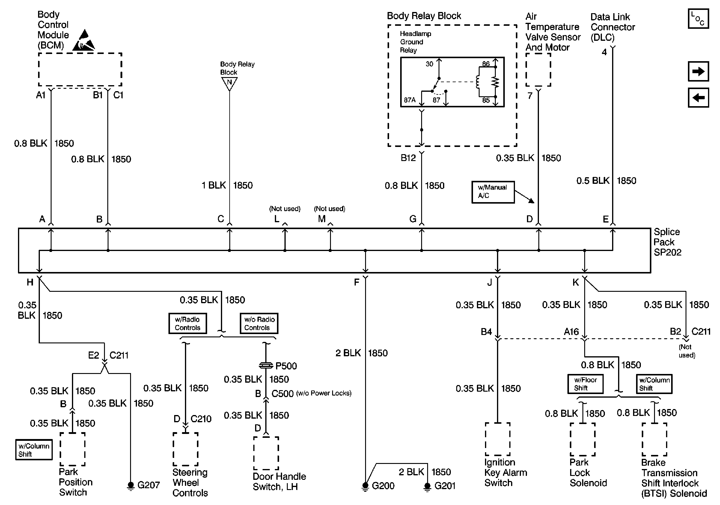
🢒 Cell 14: G200, G201 and G207 (4-Door Utility w/ Endgate)
Cell 14: G200, G201 and G207 (4-Door Utility w/ Endgate)
Cell 14: G200, G201 and G207 (4-Door Utility w/ Endgate)
Handling ESD Sensitive Parts Notice
Cell 14: S335 and Body Relay Block
Power and Grounding Components
Cell 14: G202 (Utility)
Cell 14: G200, G201 and G207 (2-Door Utility w/ Endgate)