GM Service Manual Online
For 1990-2009 cars only
Makes
🢒
Chevrolet
🢒
1999
🢒
S10 Pickup - 4WD
🢒 Cell 64 (4.3L)
Cell 64 (4.3L)
Cell 64 (4.3L)
Cell 10: HTD SEAT, ATC, HVAC and A/C Fuses
Power and Grounding Connector End Views
Cell 10: IGN E Fuse and A/C Compressor, Rear Defogger, DRL Relays
Cell 10: HVAC and CRUISE Fuses
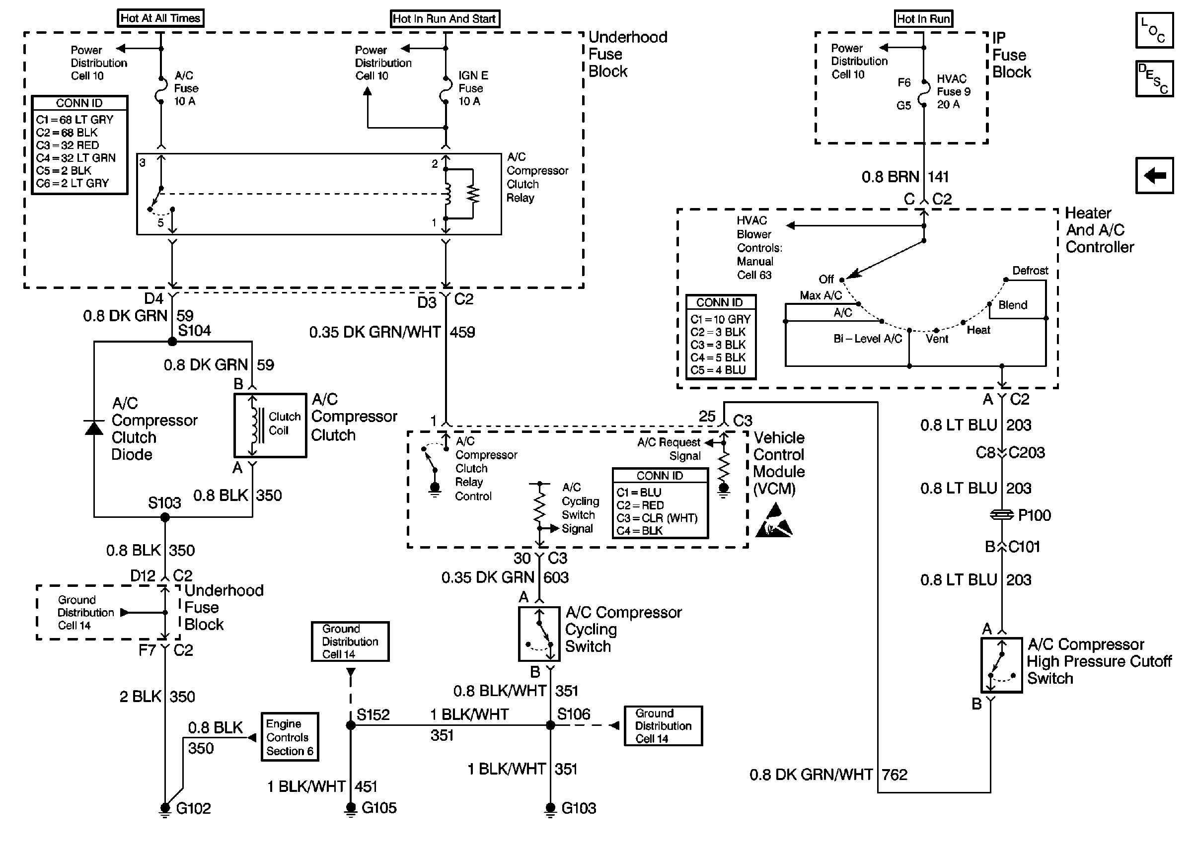
HVAC Components
HVAC Compressor Controls Circuit Description
Cell 64 (2.2L)
HVAC Connector End Views
Cell 63
VCM Connector End Views
Handling ESD Sensitive Parts Notice
Cell 14: G103 and G105 (4.3L)
Cell 14: G102 (Except Envoy)
Cell 14: G103 and G105 (4.3L)
Cell 21: Automatic A/C Compressor Control