GM Service Manual Online
For 1990-2009 cars only
Makes
🢒
Chevrolet
🢒
1999
🢒
S10 Pickup - 4WD
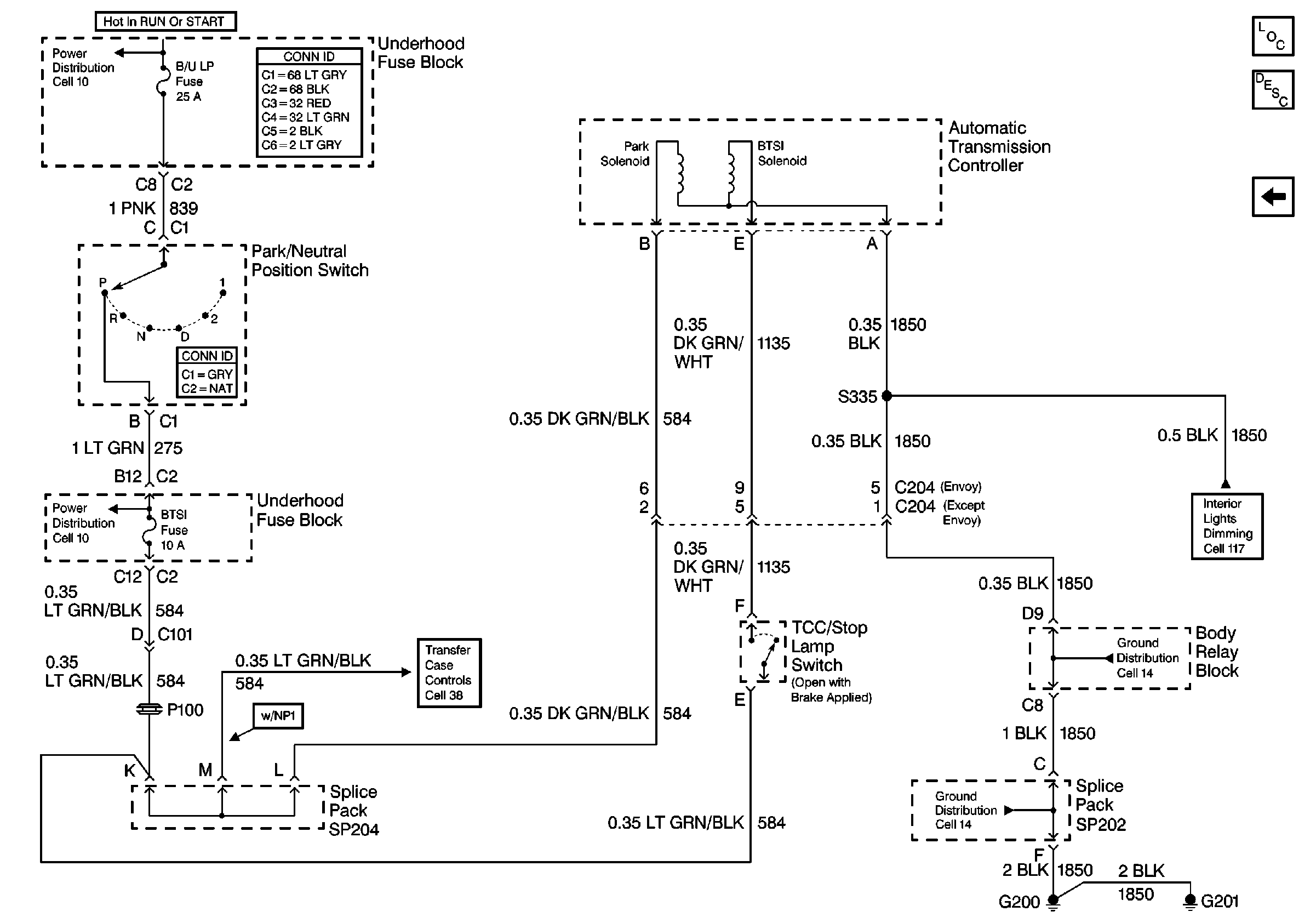
🢒 Cell 138: Park/Neutral Position Switch and Automatic Transmission Controller (Utility w/ Floor Shift)
Cell 138: Park/Neutral Position Switch and Automatic Transmission Controller (Utility w/ Floor Shift)
Cell 138: Park/Neutral Position Switch and Automatic Transmission Controller (Utility w/ Floor Shift)
Cell 10: B/U LP, TRL B/U and BTSI Fuses (A/T)
Power and Grounding Connector End Views
Tilt Wheel/Column Connector End Views
Cell 10: B/U LP, TRL B/U and BTSI Fuses (A/T)
Cell 38: Power and Ground
Cell 14: G200, G201 and G207 (2-Door Utility w/ Endgate)
Cell 14: G200, G201 and G207 (2-Door Utility w/ Endgate)
Cell 117: Instrument Cluster and BCM
Standard Wheel/Column Components
Automatic Transmission Shift Lock Control Circuit Description
Cell 138: Park/Neutral Position Switch and BTSI Solenoid (Utility w/ Column Shift)