GM Service Manual Online
For 1990-2009 cars only
Makes
🢒
Chevrolet
🢒
1999
🢒
S10 Pickup - 4WD
🢒 Cell 136
Cell 136
Cell 136
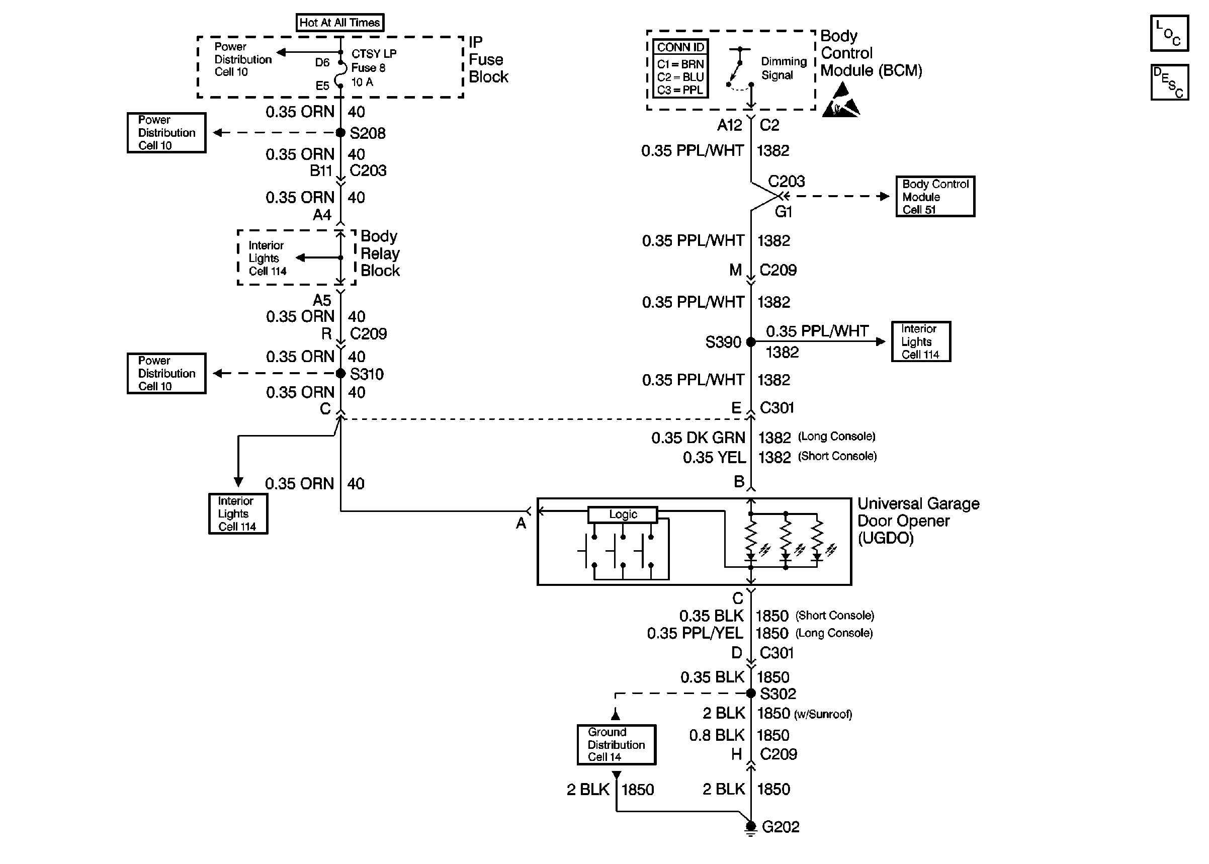
Cell 10: INT BATT Fuse
Cell 10: Inadvertent Power Lamp Relay
Cell 114: Headlamp Switch
Cell 10: Inadvertent Power Lamp Relay
Cell 114: Driver Information Display Module (Utility w/o Sunroof)
Cell 14: G202 (Utility)
Cell 114: Driver Information Display Module (Utility w/o Sunroof)
Cell 51: Dimming Signal
Body Control System Connector End Views
Handling ESD Sensitive Parts Notice
Garage Door Opener Components
Garage Door Opener Circuit Description