GM Service Manual Online
For 1990-2009 cars only
Makes
🢒
Chevrolet
🢒
1999
🢒
S10 Pickup - 4WD
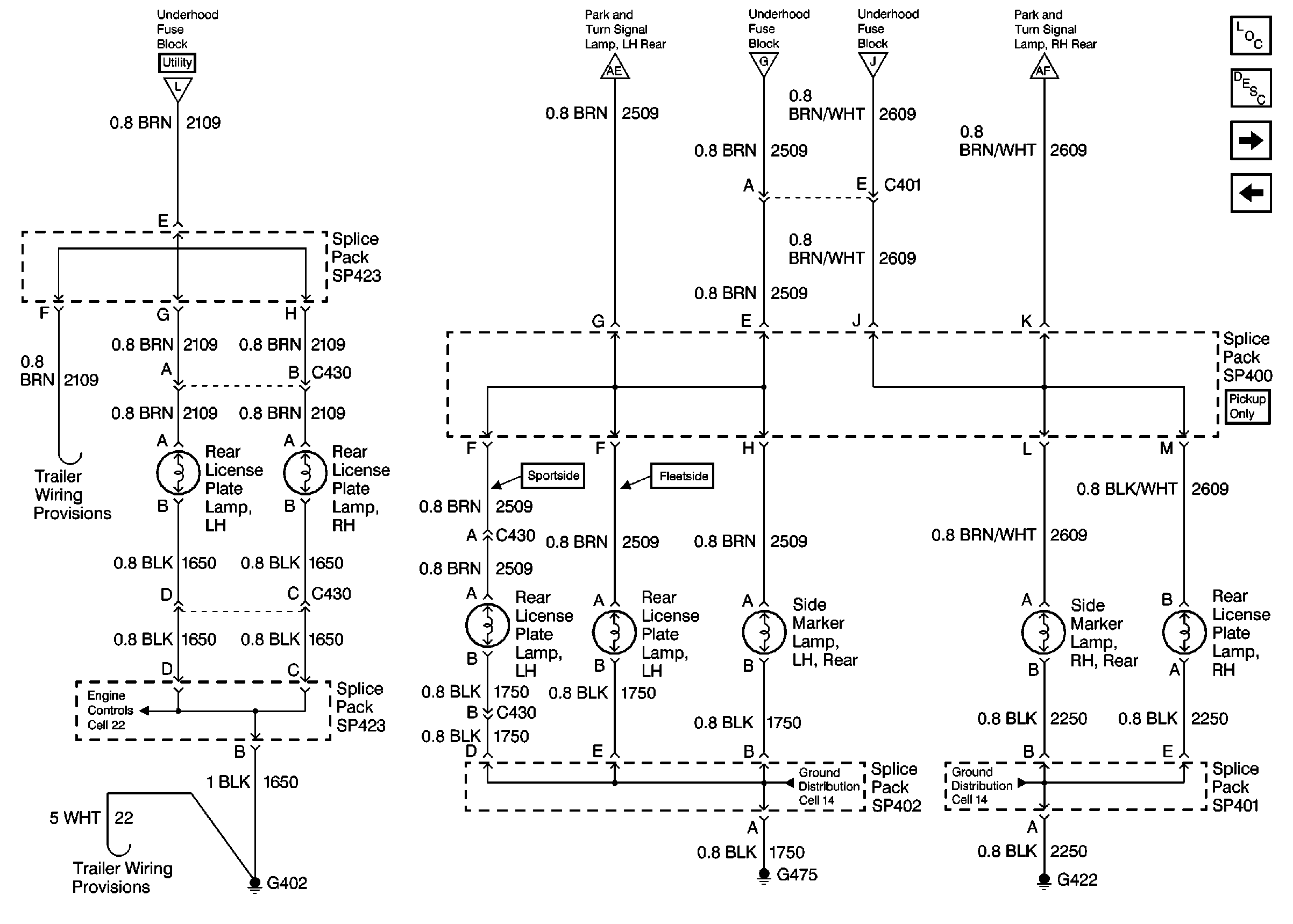
🢒 Cell 110: License and Side Marker Lamps
Cell 110: License and Side Marker Lamps
Cell 110: License and Side Marker Lamps
Cell 110: PARK LP Fuse and Park Lamp Relay
Cell 110: Park and Turn Signal Lamps (Pickup)
Cell 110: PARK LP Fuse and Park Lamp Relay
Cell 110: PARK LP Fuse and Park Lamp Relay
Cell 110: Park and Turn Signal Lamps (Pickup)
Lighting Systems Components
Exterior Lights Circuit Description
Cell 110: Park and Turn Signal Lamps (Utility)
Cell 110: STOP LP Fuse, High Mount Stop Lamp and High Mount Stop Lamp Relay
Cell 21: Fuel Level Sensor
Cell 14: G402, G422 and G475 (Fleetside Pickup)
Cell 14: G402, G422 and G475 (Fleetside Pickup)