GM Service Manual Online
For 1990-2009 cars only
Makes
🢒
Chevrolet
🢒
1999
🢒
S10 Pickup - 4WD
🢒 Cell 92
Cell 92
Cell 92
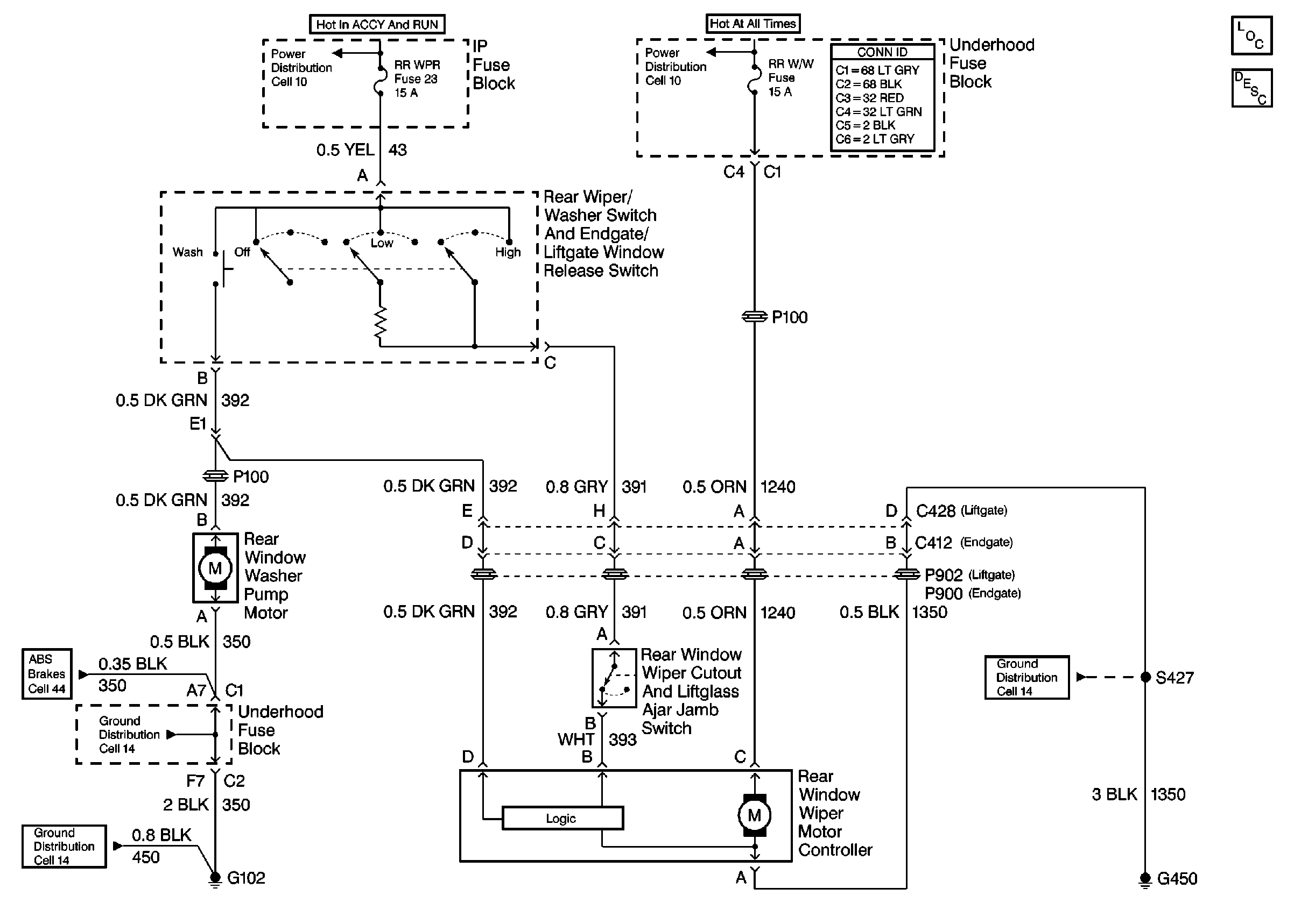
Cell 10: RR WPR, FRT WPR and ABS Fuses
Cell 10: STUD 2, ABS, TBC and RR W/W Fuses
Power and Grounding Connector End Views
Wiper/Washer System Components
Cell 44: Power and Ground
Cell 14: G102 (Except Envoy)
Cell 14: G102 (Except Envoy)
Cell 14: G420 and G450 (Utility w/ Endgate)