GM Service Manual Online
For 1990-2009 cars only
Makes
🢒
Chevrolet
🢒
2001
🢒
S10 Pickup - 4WD
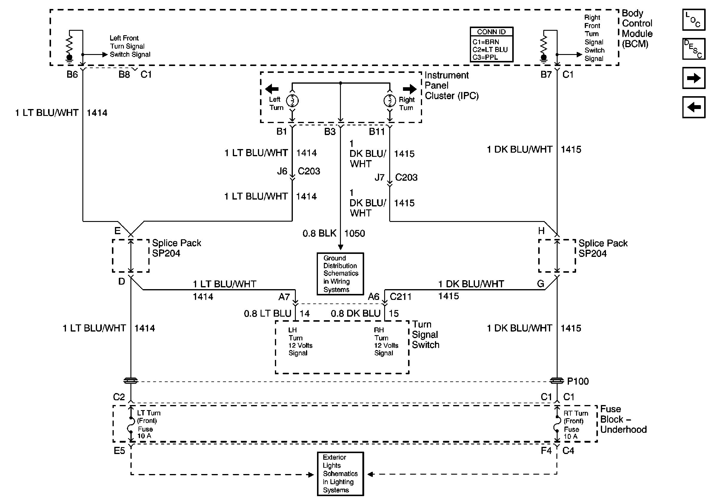
🢒 Turn Signals
Turn Signals
Turn Signals
Master Electrical Component List
Body Control System Description and Operation
Headlamps (Except Envoy)
Interior Lights and Dome Lamps
G203 and G204 (Envoy)
Turn Signal Lamps, Front and Turn Signal Fuses, Rear