GM Service Manual Online
For 1990-2009 cars only
Makes
🢒
Chevrolet
🢒
2002
🢒
S10 Pickup - 4WD
🢒
Body and Accessories
🢒
Wiring Systems
🢒 Theft Deterrent System Schematics
Figure
1:
Power, Ground and Passlock⢠Sensor
Master Electrical Component List
Theft Systems Description and Operation
Door Jamb Switch Inputs
B+ Bus Bar
G200, G201 and G207 (Utility)
SP201 (4.3L)
Figure
2:
Door Jamb Switch Inputs
Master Electrical Component List
Theft Systems Description and Operation
Door Handle Switch Inputs
Power, Ground and Passlock™ Sensor
Door Handle Switch Inputs
G420,G450 and S427 (Utility and Crew Cab)
G200, G201 and G207 (Utility)
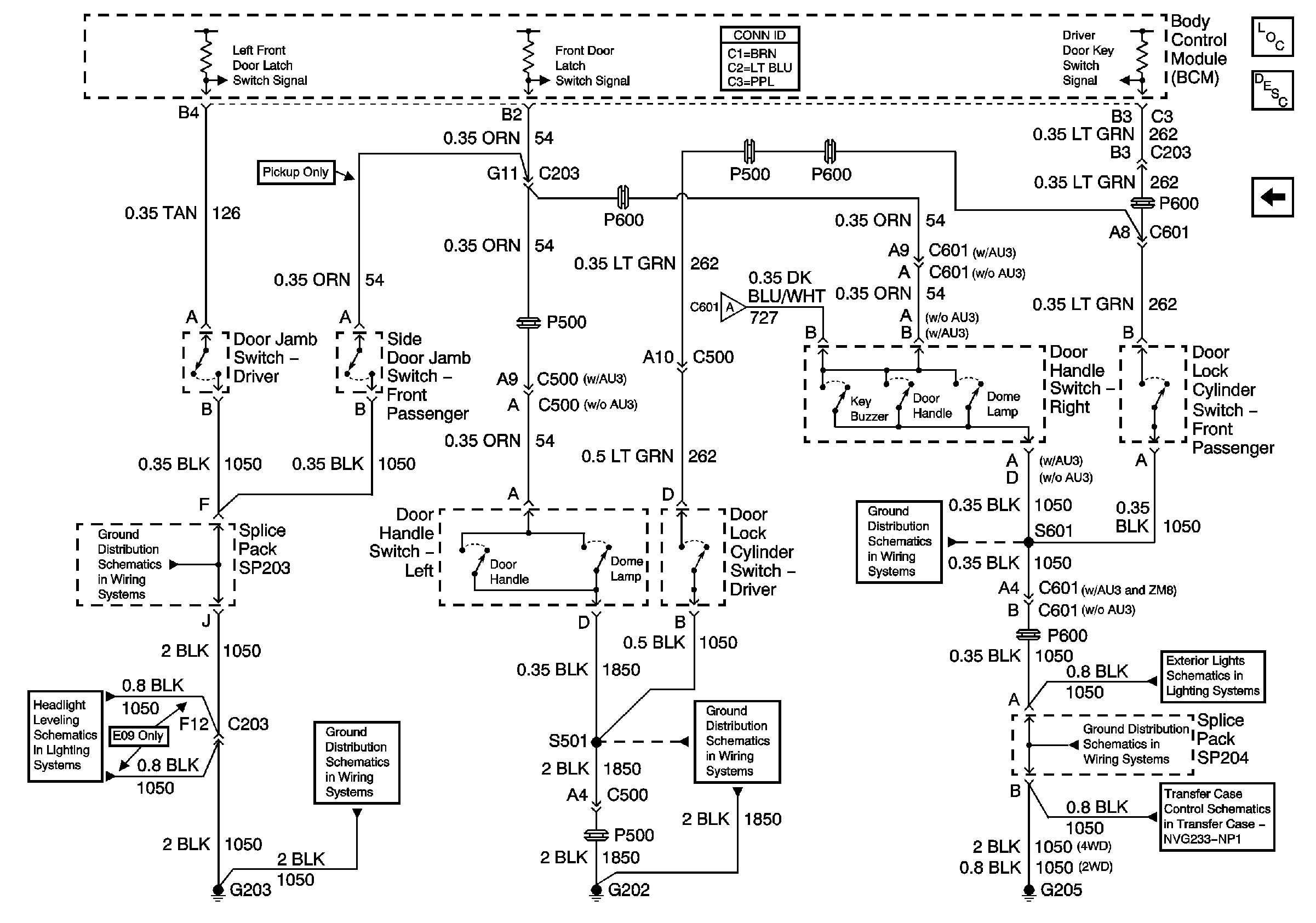
Figure
3:
Door Handle Switch Inputs
Master Electrical Component List
Theft Systems Description and Operation
Door Jamb Switch Inputs
G203 and G204 (Pickup)
Headlight Leveling Schematics
G203 and G204 (Pickup)
Door Jamb Switch Inputs
G205 (Utility and Crew Cab)
G202 (Pickup Except Crew Cab)
Multifunction Switch and Turn Signal Lamp Flasher
G205 (Utility and Crew Cab)
Power and Ground