GM Service Manual Online
For 1990-2009 cars only
Makes
🢒
Chevrolet
🢒
2002
🢒
S10 Pickup - 4WD
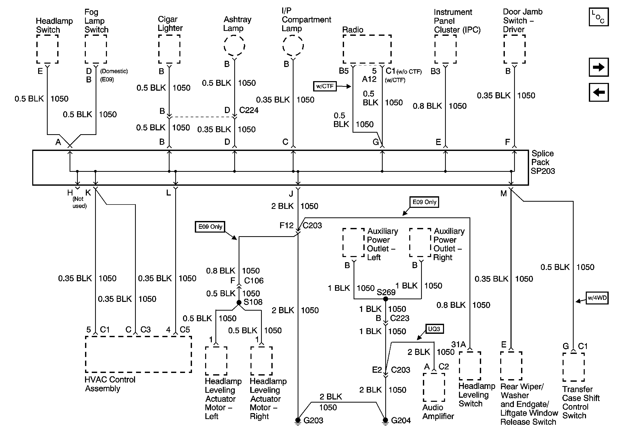
🢒 G203 and G204 (Utility w/ Manual A/C)
G203 and G204 (Utility w/ Manual A/C)
G203 and G204 (Utility w/ Manual A/C)
Master Electrical Component List
G203 and G204 (Utility w/ Automatic A/C)
G203 and G204 (Pickup)