GM Service Manual Online
For 1990-2009 cars only
Makes
🢒
Chevrolet
🢒
2004
🢒
S10 Pickup - 4WD
🢒
Accessories
🢒
Cruise Control
🢒 Cruise Control Schematics
Figure
1:
Clutch Pedal Position Switch, Stop Lamp Switch, PCM and Cruise Control Module
Master Electrical Component List
Cruise Control Description and Operation
CRUISE Fuse, Multifunction Switch and Cruise Control Module
RR WPR, FRT WPR and ABS Fuses
Power and Ground
Brake Switch, VSS Inputs - 2.2L
Brake Switch Input and Tow/Haul Switch
Gages
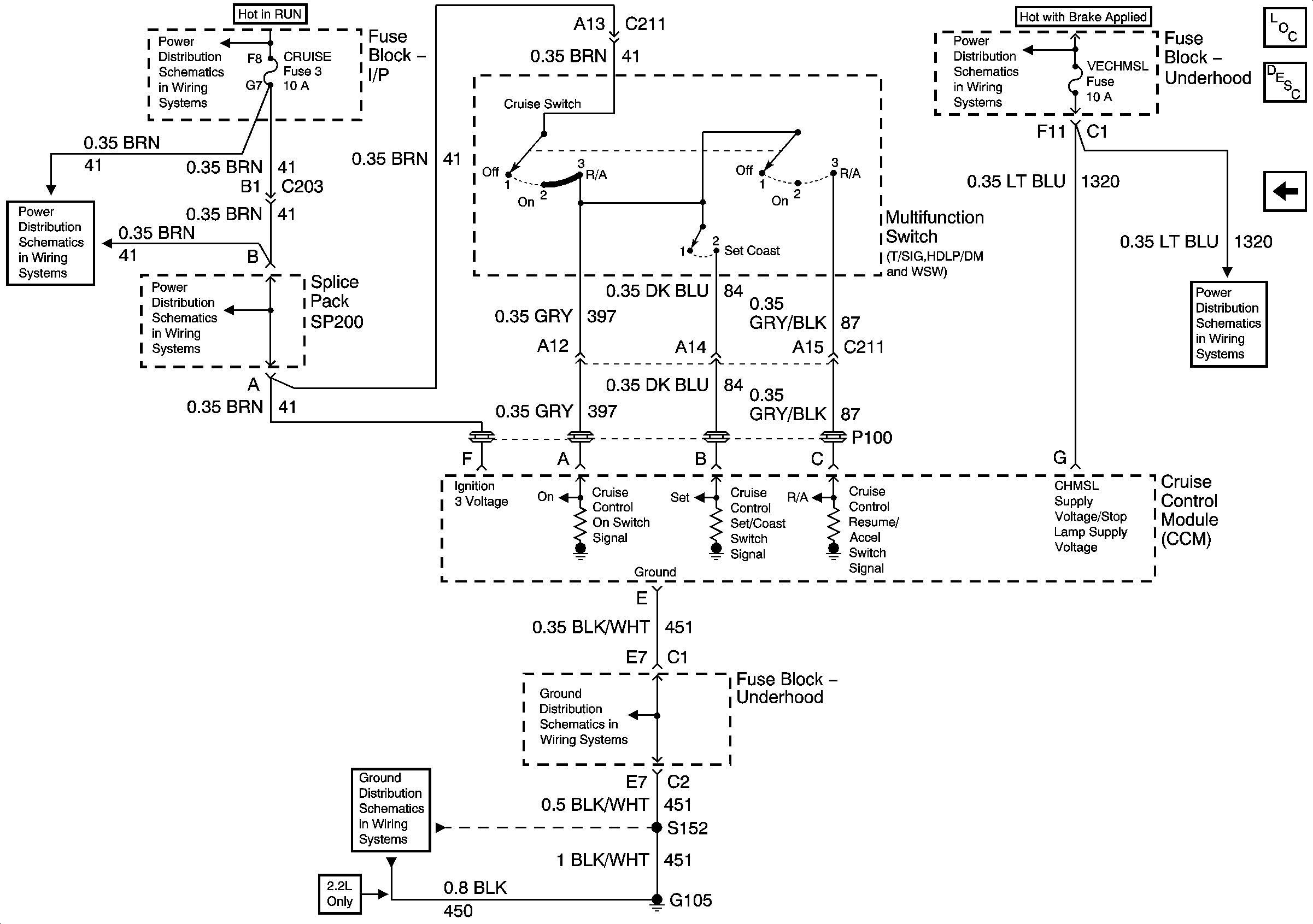
Figure
2:
CRUISE Fuse, Multifunction Switch and Cruise Control Module
Master Electrical Component List
Cruise Control Description and Operation
Clutch Pedal Position Switch, Stop Lamp Switch, PCM and Cruise Control Module
Ign ACC, RUN and RAP Bus Bar
HVAC and CRUISE Fuses
HVAC and CRUISE Fuses
G103 and G105 - 2.2L
G103 and G105 - 2.2L
VECHMSL, TRCHMSL Fuses and CHMSL Relay
VECHMSL, TRCHMSL Fuses and CHMSL Relay