GM Service Manual Online
For 1990-2009 cars only
Makes
🢒
Chevrolet
🢒
2004
🢒
S10 Pickup - 4WD
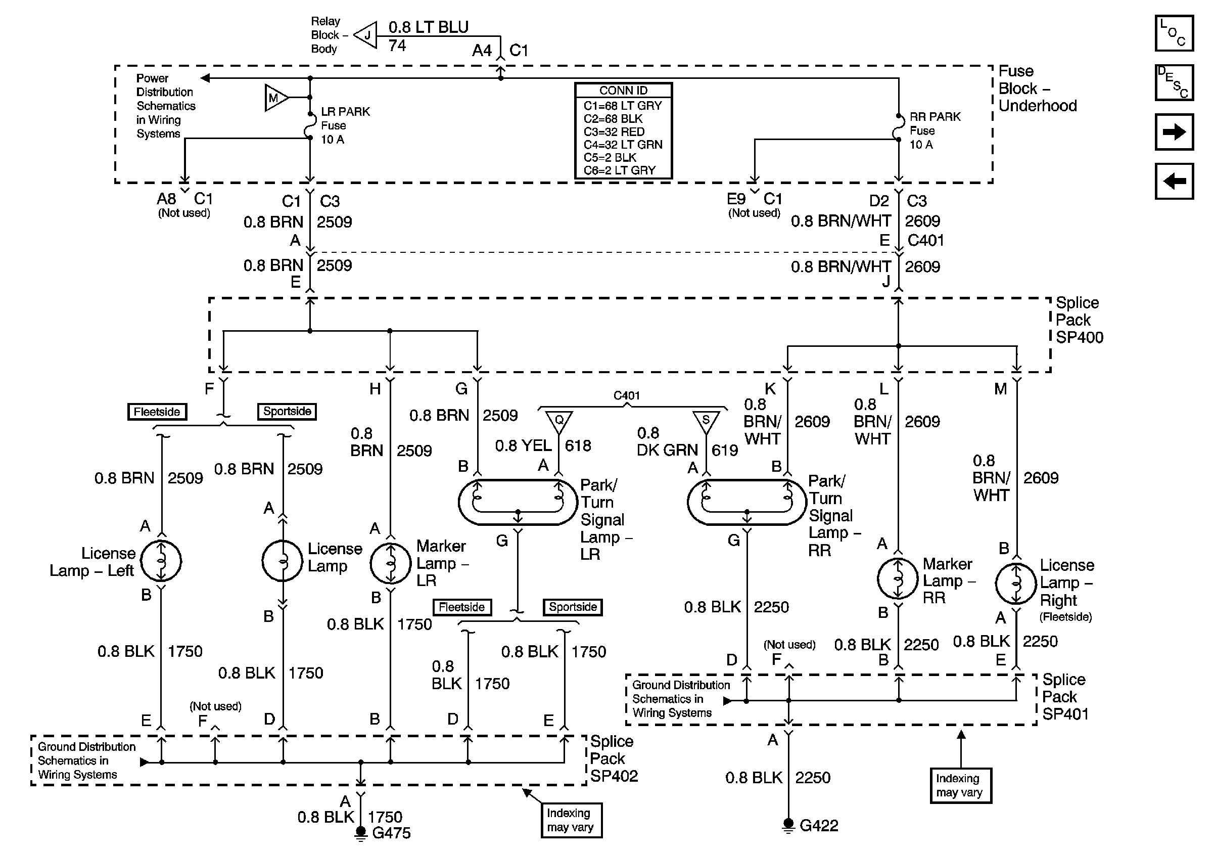
🢒 Park/Turn Signal Lamp, Marker and License Lamps, Rear - Pickup
Park/Turn Signal Lamp, Marker and License Lamps, Rear - Pickup
Park/Turn Signal Lamp, Marker and License Lamps, Rear - Pickup
Master Electrical Component List
Exterior Lighting Systems Description and Operation
Park and License Lamps, Rear - Utility
Park/Turn Signal Lamps, Marker Lamps and Turn Signal Fuses, Front
Park/Turn Signal Lamps, Marker Lamps and Turn Signal Fuses, Front
Park/Turn Signal Lamps, Marker Lamps and Turn Signal Fuses, Front
FR PRK, LR PRK, RR PRK Fuses and Fog Lamp Relay - Pickup
G402, G422 and G475 - Fleetside Pickup
G402, G422 and G475 - Fleetside Pickup
Turn Signal Fuses