GM Service Manual Online
For 1990-2009 cars only
Makes
🢒
Chevrolet
🢒
2004
🢒
S10 Pickup - 4WD
🢒 Backup Lamps - Pickup
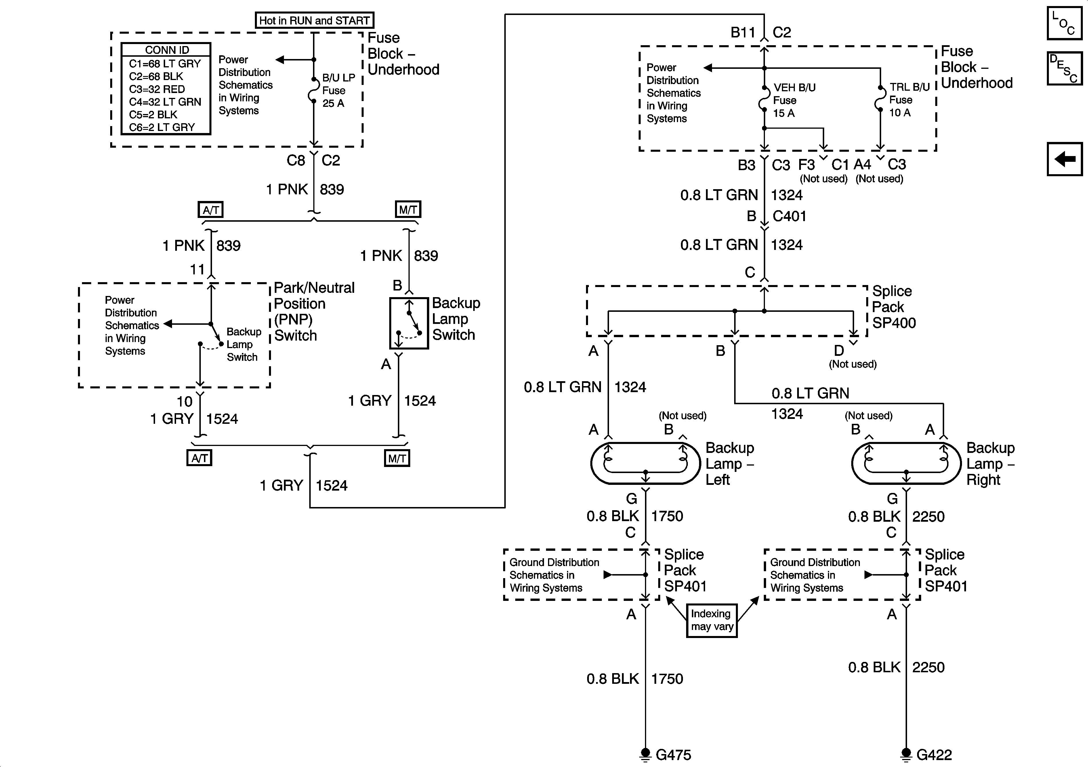
Backup Lamps - Pickup
Backup Lamps - Pickup
Master Electrical Component List
Exterior Lighting Systems Description and Operation
Backup Lamps - Utility
Ign RUN and START Bus Bar
B/U LP, TRL B/U and BTSI Fuses - Automatic Transmission
B/U LP, TRL B/U and BTSI Fuses - Automatic Transmission
G402, G422 and G475 - Fleetside Pickup
G402, G422 and G475 - Fleetside Pickup