GM Service Manual Online
For 1990-2009 cars only
Makes
🢒
Chevrolet
🢒
2004
🢒
S10 Pickup - 4WD
🢒 Indicators
Indicators
Indicators
Master Electrical Component List
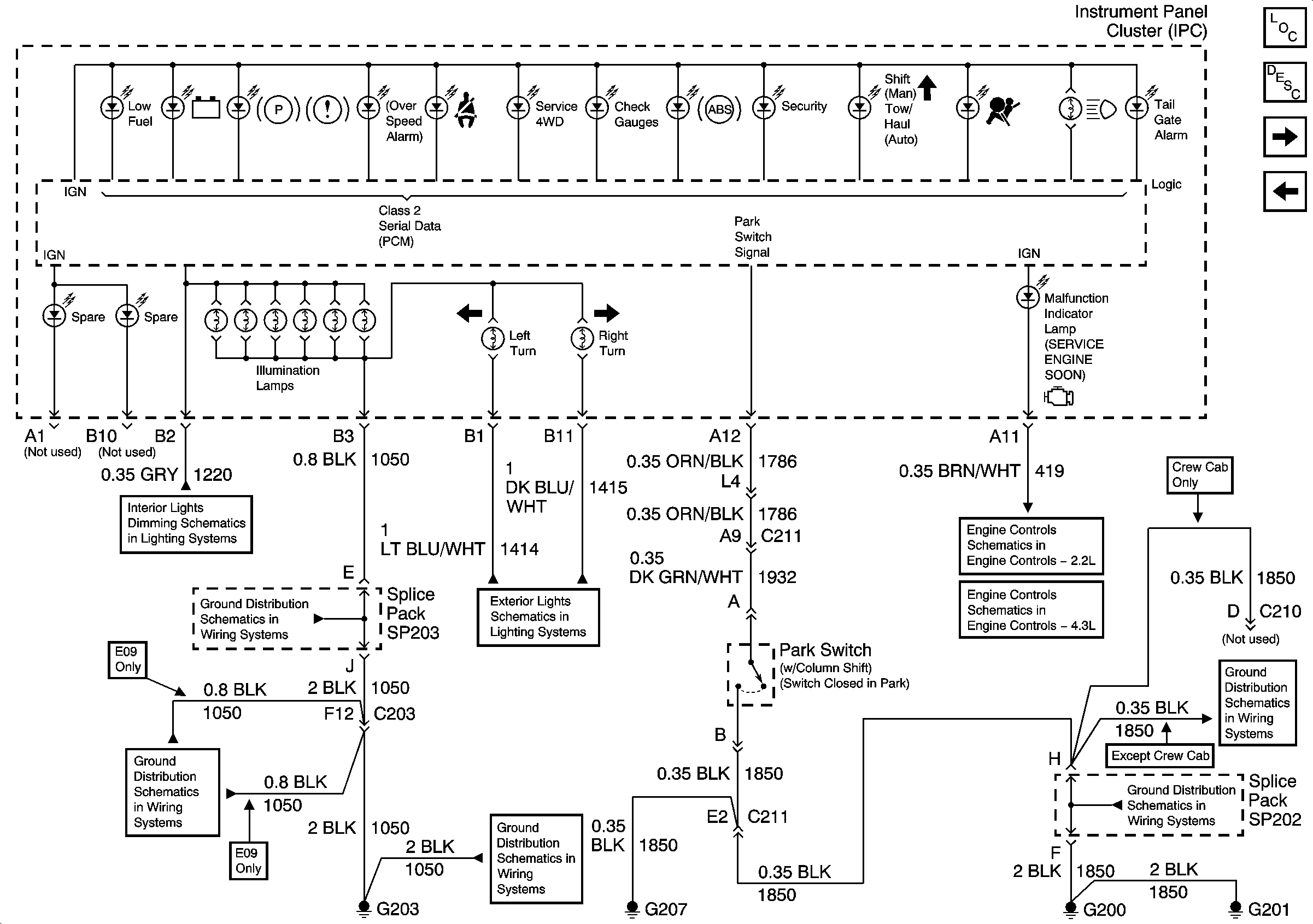
Instrument Cluster Description and Operation
Gages
Power and Ground
Instrument Panel Cluster, BCM and Automatic Transmission Indicators
G203 and G204 - Utility w/Manual A/C
G203 and G204 - Utility w/Manual A/C
Instrument Cluster Turn Signal Indicators
G203 and G204 - Utility w/Manual A/C
Module Power, Ground, Serial Data and MIL
Module Power, Ground, Serial Data and MIL
G200, G201, G207, and G300- Pickup and Crew Cab
G200, G201, G207, and G300- Pickup and Crew Cab