GM Service Manual Online
For 1990-2009 cars only

Removal Procedure

  1. Apply the parking brake.
  2. Move the steering column shift lever to the N (neutral) position.
  3. Ensure that the motor shift lever is in the mechanical neutral position.
  4. Remove the steering column filler panel.

  5. Object Number: 463047  Size: SH
  6. Remove the retainer that secures the shift cable to the steering column bracket.
  7. Remove the shift cable end from the steering column shift bracket ball stud.

  8. Object Number: 463061  Size: SH
  9. Remove the grommet that secures the shift cable to the dash panel.
  10. 7.1. Push the grommet through the dash panel toward the front of the vehicle.
    7.2. Raise and support the vehicle.

    Object Number: 463071  Size: SH
  11. Remove the strap that secures the shift cable to the subframe.
  12. Discard the strap.

  13. Remove the bolt that secures the shift cable clip to the frame bracket.

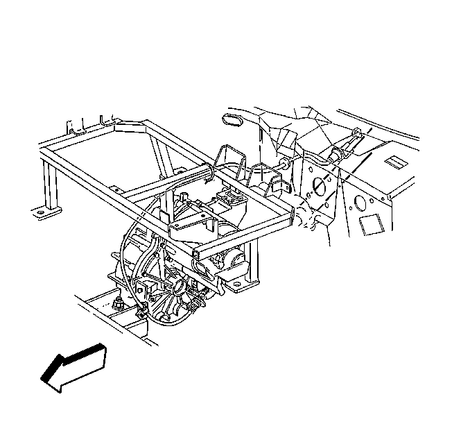
  14. Object Number: 463084  Size: SH
  15. Remove the retainer that secures the shift cable to the motor bracket.
  16. Squeeze the cable retainers while pulling the cable toward the rear of the vehicle.

  17. Remove the shift cable end from the motor control lever ball stud.
  18. Remove the shift cable from the vehicle.

Installation Procedure


    Object Number: 463047  Size: SH

    Important: Ensure that the motor control lever and the steering column selector are in the mechanical neutral positions.

  1. Lower the vehicle if necessary.
  2. Install the retainer that secures the shift cable to the steering column bracket.
  3. Install the shift cable end to the steering column shift bracket ball stud.

  4. Object Number: 463061  Size: SH
  5. Install the grommet that secures the shift cable to the dash panel.
  6. Install the steering column filler panel.

  7. Object Number: 463071  Size: SH
  8. Install a new strap that secures the shift cable to the sub-frame.
  9. Install the bolt that secures the shift cable clip to the frame bracket and nut.
  10. Tighten
    Tighten the bolt to 18 N·m (13 lb ft).


    Object Number: 463084  Size: SH
  11. Install the retainer that secures the shift cable to the motor bracket.
  12. Important: If the shift cable end does not align with the motor control lever ball stud, refer to Shift Cable Adjustment.

  13. Install the shift cable end to the motor control lever ball stud.
  14. Lower the vehicle.
  15. Verify proper shift operation.

Shift Cable Adjustment

Important: 

   • Ensure the steering column selector is in the N (neutral position.
   • Raise and support the vehicle.
   • Ensure that the shift cable end is removed from the motor control lever ball stud.
   • Ensure that the motor control lever is in the mechanical neutral position.


    Object Number: 463084  Size: SH
  1. Position the shift cable locking tab OUT to release the shift cable adjuster.
  2. Allowing the shift cable adjuster to move, position the shift cable end to the motor control lever ball stud.
  3. Press the locking tab on the shift cable IN to lock the shift cable adjuster.
  4. Lower the vehicle.
  5. Check for proper shift operation.