GM Service Manual Online
For 1990-2009 cars only

Removal Procedure

  1. Remove the high-voltage disconnect. Refer to High Voltage Disabling .
  2. Drain the coolant system. Refer to Cooling System Draining and Filling .
  3. Raise the vehicle on a hoist.
  4. Remove the drive axles from the drive motor. Refer to Wheel Drive Shaft Replacement .
  5. Remove the A/C compressor wire bracket.
  6. Disconnect the electrical leads to the motor.

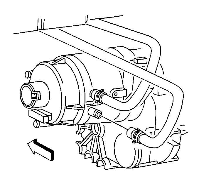
  7. Object Number: 409058  Size: SH
  8. Remove two coolant lines from the motor. Refer to Radiator Inlet Hose Replacement and Power Inverter Module Outlet Hose Replacement .

  9. Object Number: 463084  Size: SH
  10. Remove the shift cable from the motor. Refer to Shift Cable Replacement .

  11. Object Number: 367028  Size: SH
  12. Install the motor adapter J 42199-1 to the transmission jack.J 42187 .
  13. Raise the jack to the motor and strap the motor to the jack.

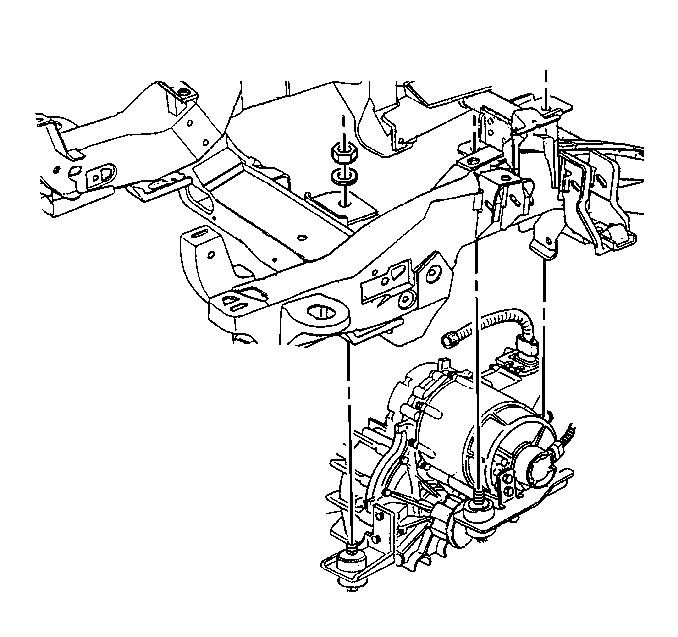
  14. Object Number: 367023  Size: SH
  15. Remove the three motor mounting bolts.
  16. Remove the motor from the vehicle by lowering the jack.

Installation Procedure


    Object Number: 367028  Size: SH
  1. Raise the motor into position with the transmission jack and the adapterJ 42199-1 .

  2. Object Number: 367023  Size: SH

    Notice: Use the correct fastener in the correct location. Replacement fasteners must be the correct part number for that application. Fasteners requiring replacement or fasteners requiring the use of thread locking compound or sealant are identified in the service procedure. Do not use paints, lubricants, or corrosion inhibitors on fasteners or fastener joint surfaces unless specified. These coatings affect fastener torque and joint clamping force and may damage the fastener. Use the correct tightening sequence and specifications when installing fasteners in order to avoid damage to parts and systems.

  3. Install the motor mounts with three mounting bolts.
  4. Tighten
    Tighten the drive motor mount nuts to 85 N·m (63 lb ft).


    Object Number: 463084  Size: SH
  5. Install the shift cable to motor. Refer to Shift Cable Replacement .

  6. Object Number: 409058  Size: SH
  7. Install the two coolant lines to the motor. Refer to Radiator Inlet Hose Replacement and Power Inverter Module Outlet Hose Replacement .
  8. Connect the electrical leads to the motor.
  9. Install the A/C compressor wire bracket.
  10. Install the drive axles. Refer to Wheel Drive Shaft Replacement .
  11. Lower the vehicle from the hoist.
  12. Fill the coolant system. Refer to Cooling System Draining and Filling .
  13. Install the high-voltage disconnect. Refer to High Voltage Enabling .