GM Service Manual Online
For 1990-2009 cars only
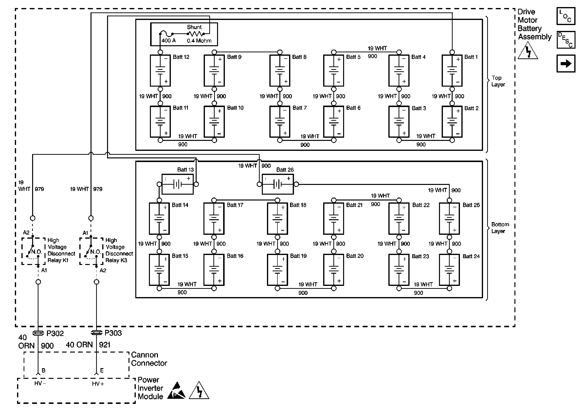
Figure 1:

Batt 1-26 and High Voltage Disconnect Relays


Object Number: 383155  Size: FS
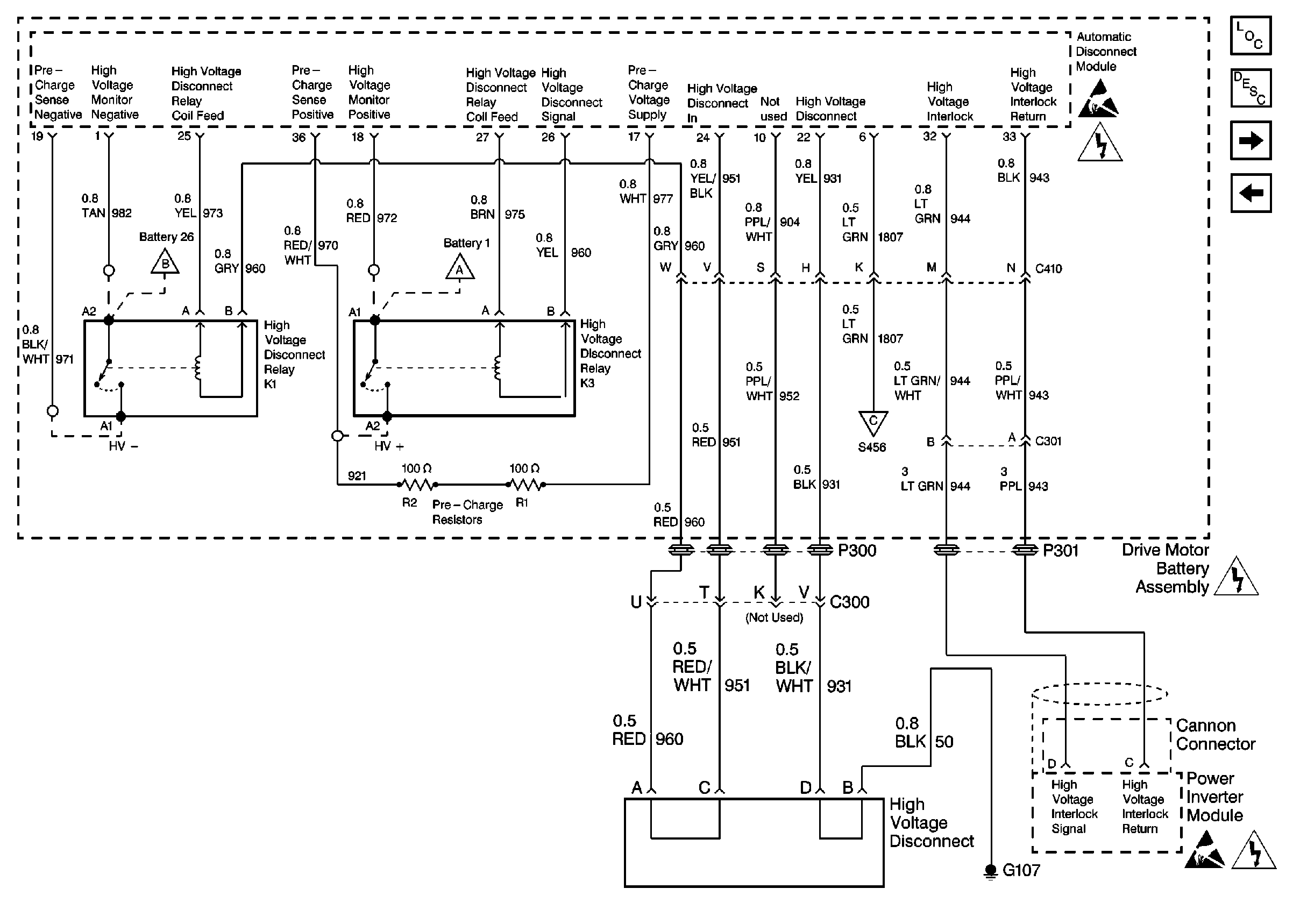
Figure 2:

Automatic Disconnect Module and High Voltage Disconnect


Object Number: 383170  Size: FS
Figure 3:

Automatic Disconnect Module and Battery Pack Control Module


Object Number: 383177  Size: FS
Figure 4:

Battery Pack Control Module, S456 and P300


Object Number: 383184  Size: FS
Figure 5:

Battery Pack Control Module and P300


Object Number: 383190  Size: FS
Figure 6:

Battery Pack Control Module and C430-C437


Object Number: 383194  Size: FS
Figure 7:

Battery Pack Control Module and C423-C429


Object Number: 383197  Size: FS
Figure 8:

Battery Pack Control Module and C417-C422


Object Number: 383199  Size: FS
Figure 9:

Battery Pack Control Module and C411-C416


Object Number: 383203  Size: FS
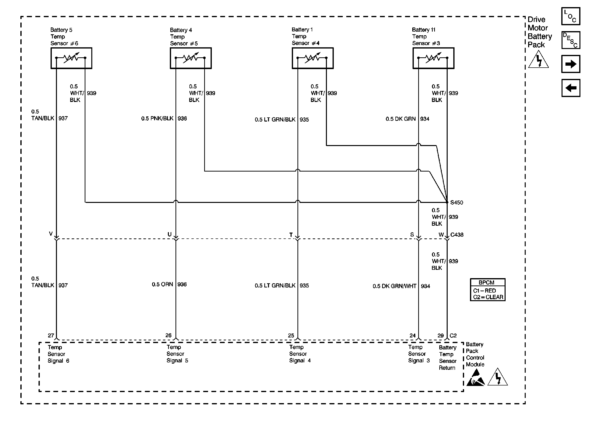
Figure 10:

Battery Pack Control Module, S450 and Battery Temp Sensors #3-6


Object Number: 383209  Size: FS
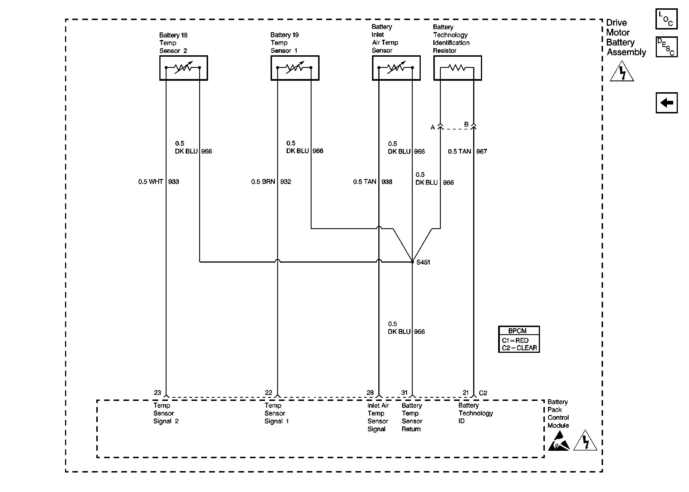
Figure 11:

Battery Pack Control Module, S451, Battery Inlet Air Temp Sensor, Battery Technology ID Resistor and Battery Temp Sensors #1-2


Object Number: 383221  Size: FS