GM Service Manual Online
For 1990-2009 cars only
Figure 1:

Cell 44: Stop Lamp Switch and Brake Differential Pressure Switch


Object Number: 375676  Size: FS
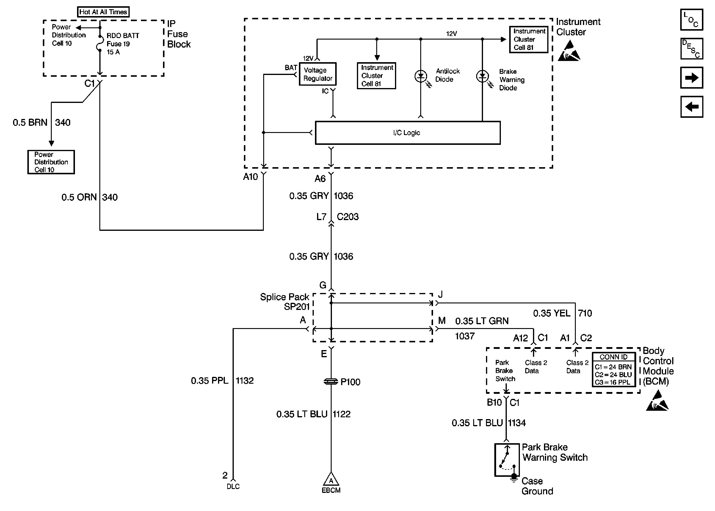
Figure 2:

Cell 44: Park Brake Warning Switch


Object Number: 375679  Size: FS
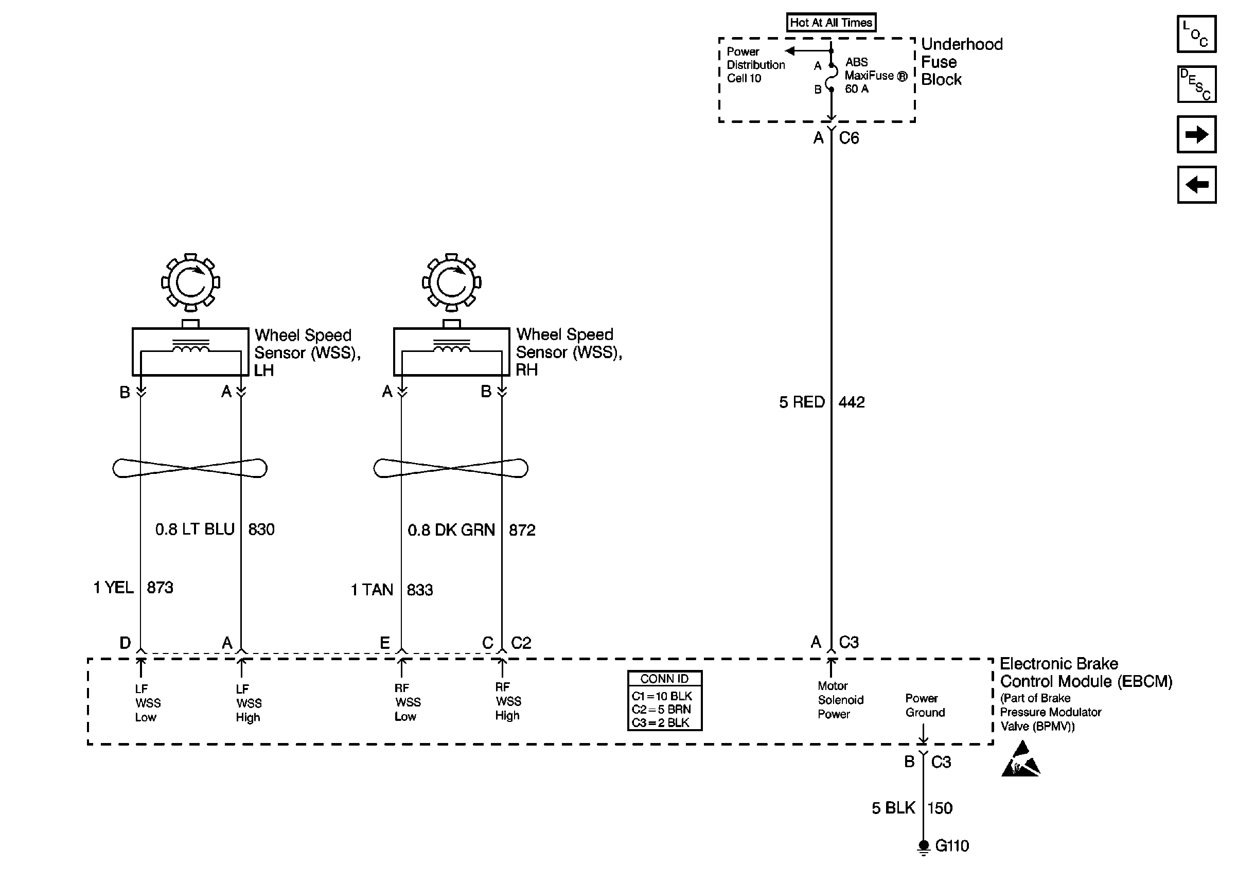
Figure 3:

Cell 44: Front Wheel Speed Sensors


Object Number: 375682  Size: FS
Figure 4:

Cell 44: Rear Wheel Speed Sensors


Object Number: 375685  Size: FS