GM Service Manual Online
For 1990-2009 cars only
Makes
🢒
Chevrolet
🢒
1999
🢒
S10 - Electric
🢒
Body and Accessories
🢒
Horns
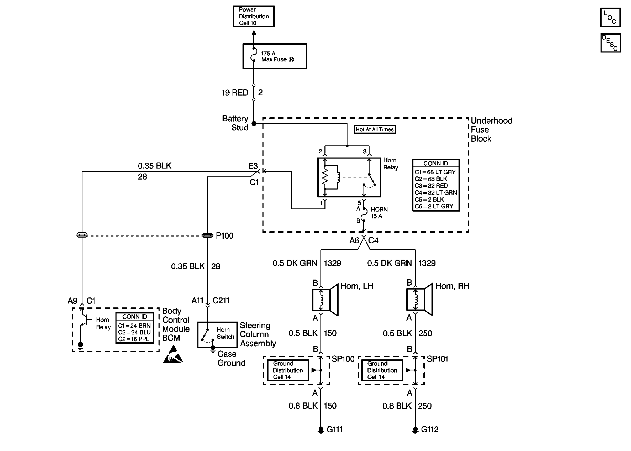
🢒 Horn Schematics
Cell 40