GM Service Manual Online
For 1990-2009 cars only
Makes
🢒
Chevrolet
🢒
2003
🢒
SSR
🢒
Brakes
🢒
Hydraulic Brakes
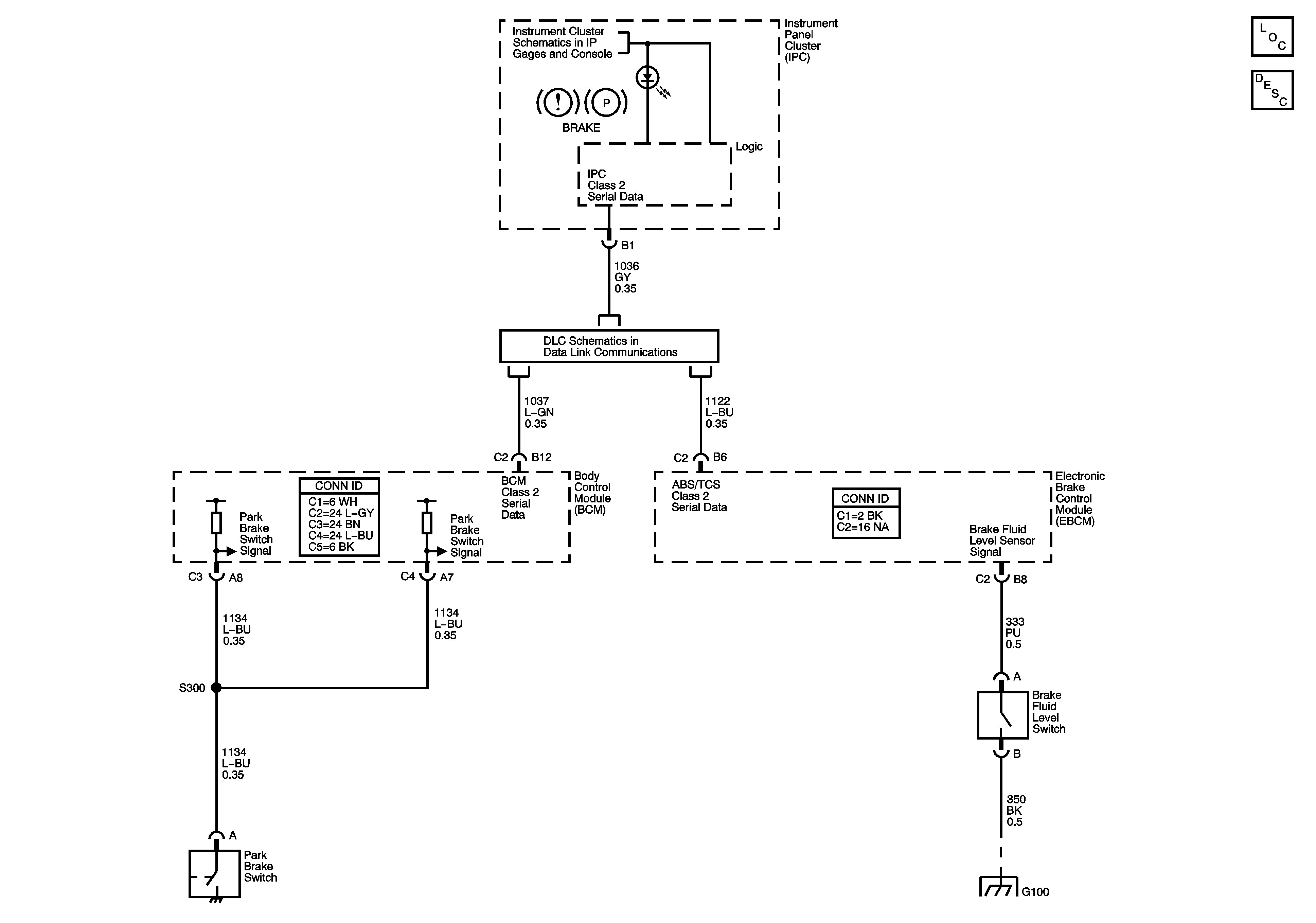
🢒 Brake Warning System Schematics
Master Electrical Component List
Brake Warning System Description and Operation
Indicators and DIC Controls
Data Link Connector (DLC) Schematics
G100, G102