GM Service Manual Online
For 1990-2009 cars only
Figure 1:

B+ BUS - Underhood Fuse Block


Object Number: 1176205  Size: FS
Master Electrical Component List
B+ Bus - Fuse Block - Rear
Figure 2:

B+ BUS - Rear Fuse Block


Object Number: 1176261  Size: FS
Master Electrical Component List
ACCY/RUN and RUN/START BUS BAR
B+ BUS - Fuse Block Underhood
B+ BUS - Fuse Block Underhood
Figure 3:

ACCY/RUN/START, RUN and START Bus Bars


Object Number: 1176263  Size: FS
Master Electrical Component List
ACCY/RUN and RUN/START BUS BAR
B+ Bus - Fuse Block - Rear
B+ BUS - Fuse Block Underhood
Figure 4:

ACCY/RUN and RUN/START Bus Bars


Object Number: 1176266  Size: FS
Master Electrical Component List
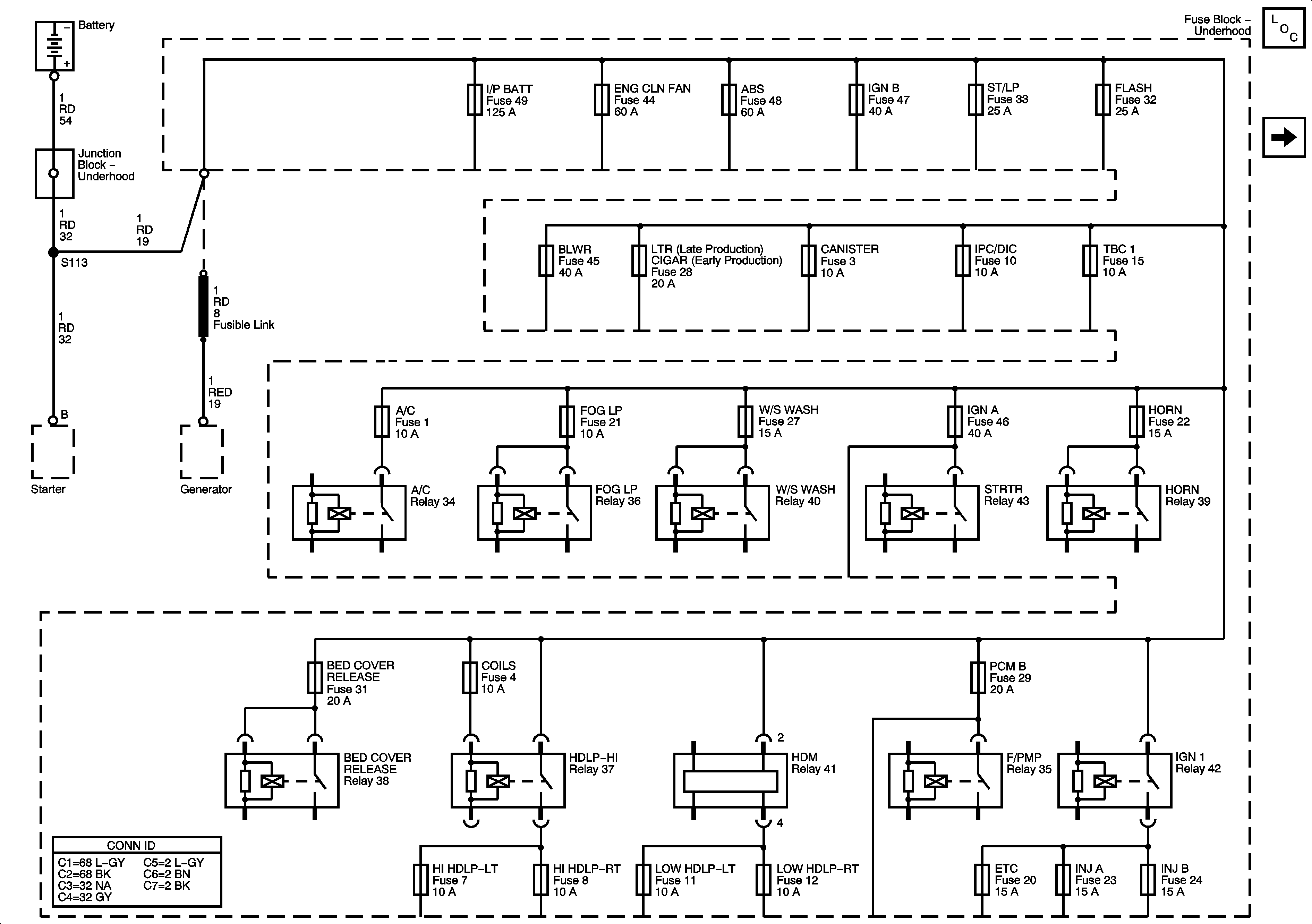
COILS, CANISTER, IPC/DIC, FLASH, TBC 1 and PCM B Fuses
ACCY/RUN and RUN/START BUS BAR
B+ BUS - Fuse Block Underhood
Figure 5:

COILS, CANISTER, IPC/DIC, FLASH, TBC 1 and PCM B Fuses


Object Number: 1176304  Size: FS
Master Electrical Component List
ENG CLN FAN, ABS, BLOWER, CIGAR and ST/LP Fuses
ACCY/RUN and RUN/START BUS BAR
B+ BUS - Fuse Block Underhood
Figure 6:

ENG CLN FAN, ABS, BLOWER, CIGAR and ST/LP Fuses


Object Number: 1176361  Size: FS
Master Electrical Component List
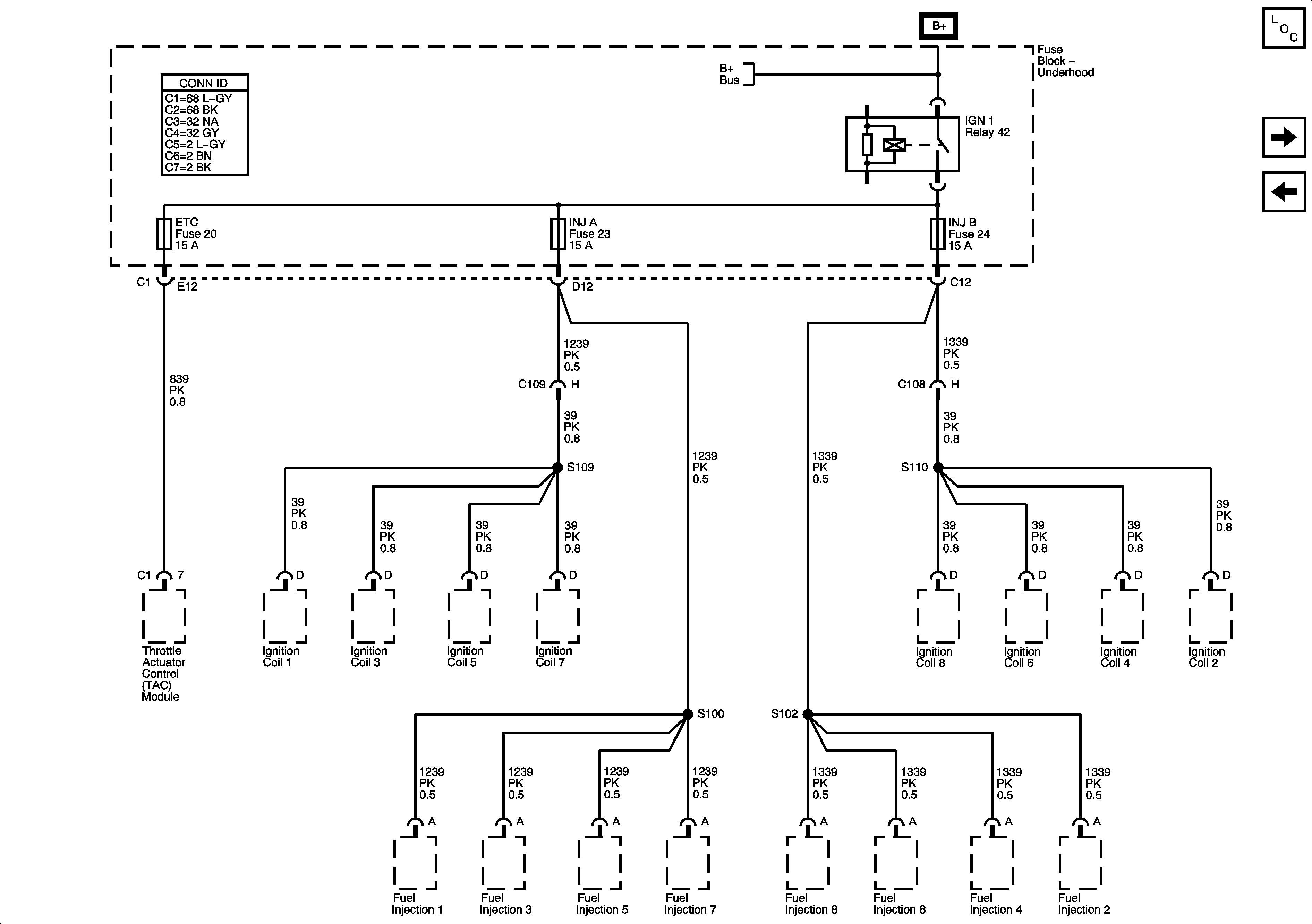
TAC, INJ A and INJ B Fuses
COILS, CANISTER, IPC/DIC, FLASH, TBC 1 and PCM B Fuses
B+ BUS - Fuse Block Underhood
Figure 7:

TAC, INJ A AND INJ B Fuses


Object Number: 1176428  Size: FS
Master Electrical Component List
DR SEAT MOD, UGDO, R/DEFG, DEFG CONT, RDO and HVAC B DD UNLOCK Fuses
ENG CLN FAN, ABS, BLOWER, CIGAR and ST/LP Fuses
B+ BUS - Fuse Block Underhood
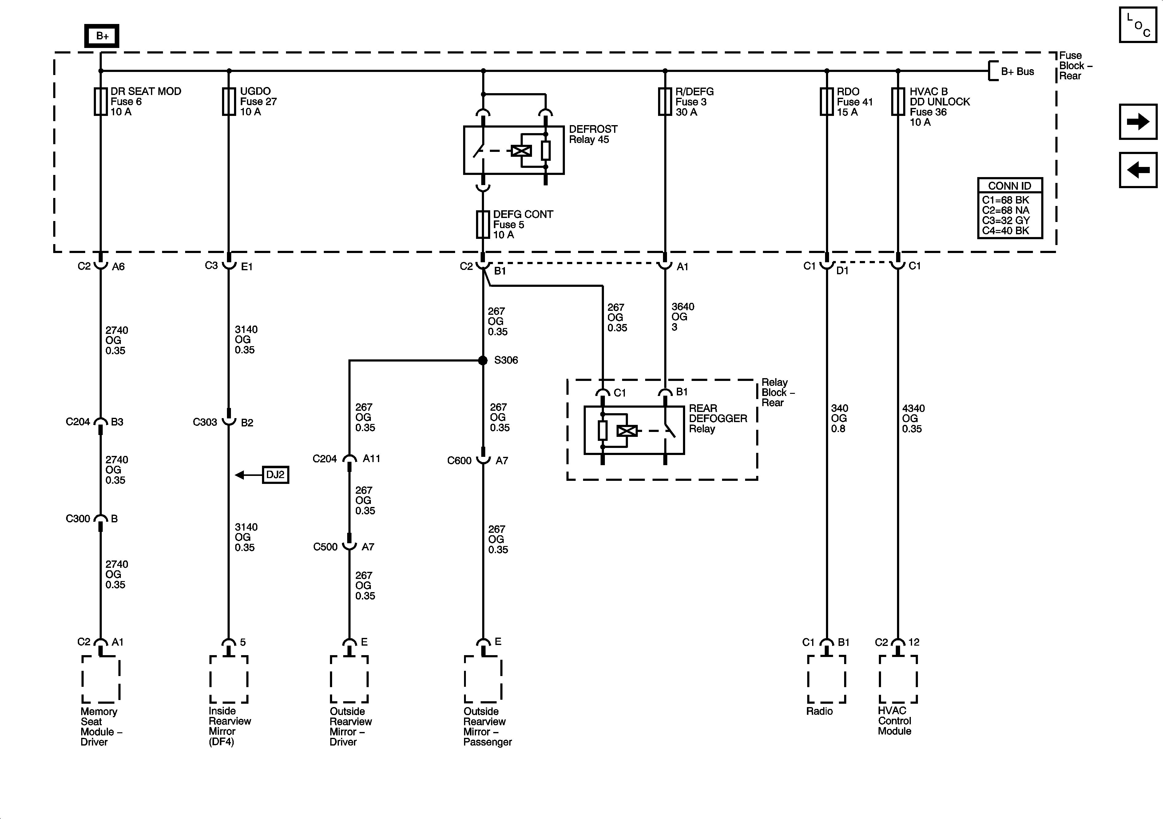
Figure 8:

DR SEAT MOD, UGDO, R/DEFG, DEFG CONT, RDO and HVAC B DD UNLOCK Fuses


Object Number: 1176462  Size: FS
Master Electrical Component List
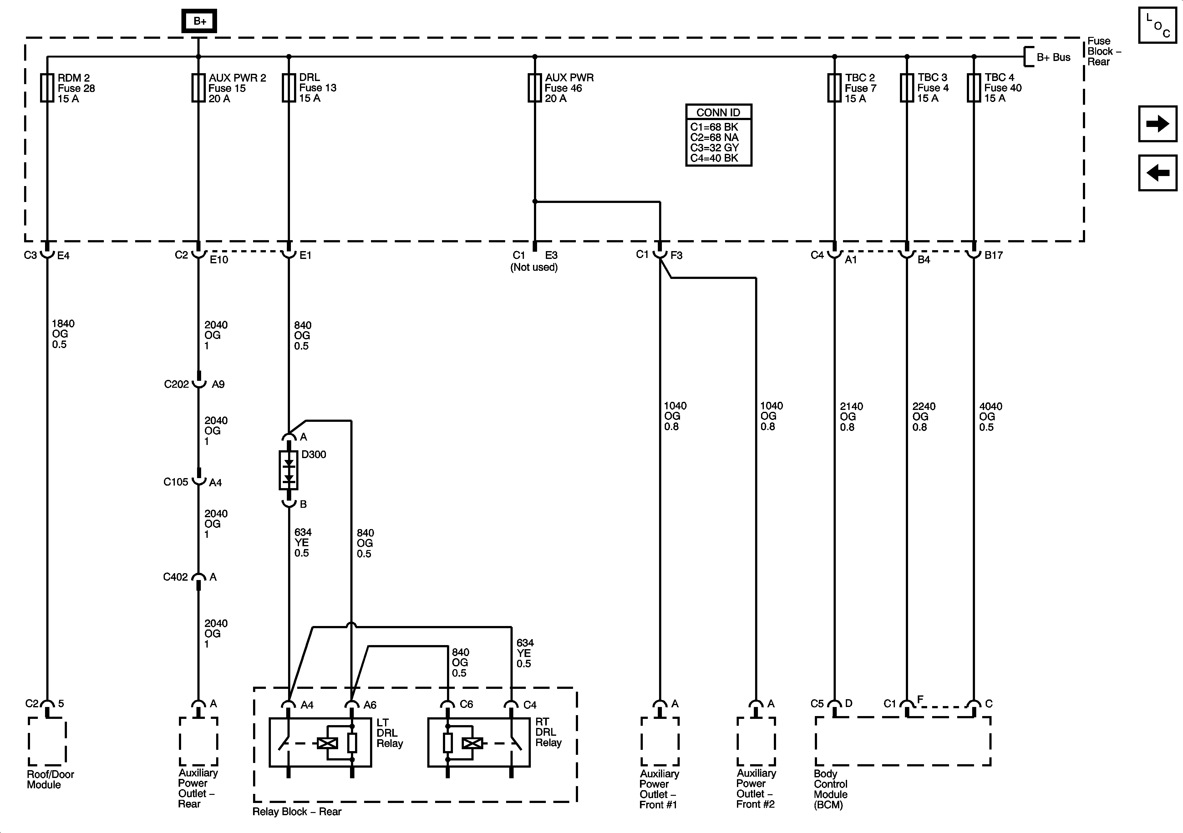
RDM 2, AUX PWR 2, DRL, AUX PWR, TBC 2, TBC 3 and TBC 4 Fuses
TAC, INJ A and INJ B Fuses
B+ Bus - Fuse Block - Rear
Figure 9:

RDM 2, AUX PWR 2, DRL, AUX PWR, TBC 2, TBC 3 and TBC 4 Fuses


Object Number: 1176486  Size: FS
Master Electrical Component List
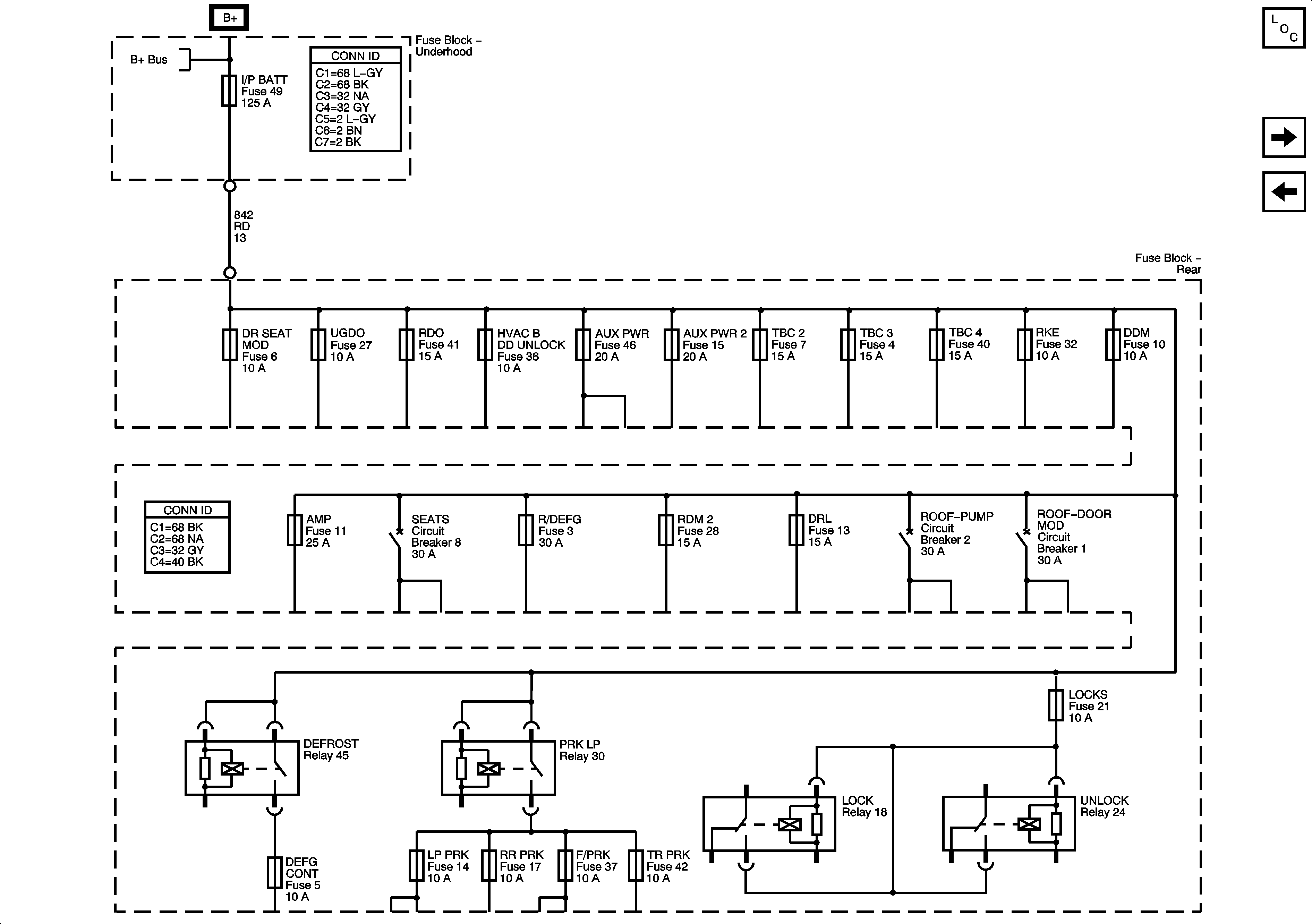
RKE, DDM and AMP Fuses, ROOF PUMP and ROOF-DOOR MOD Circuit Breakers
DR SEAT MOD, UGDO, R/DEFG, DEFG CONT, RDO and HVAC B DD UNLOCK Fuses
B+ Bus - Fuse Block - Rear
Figure 10:

RKE, DDM and AMP Fuses, ROOF PUMP and ROOF-DOOR MOD Circuit Breakers


Object Number: 1176650  Size: FS
Master Electrical Component List
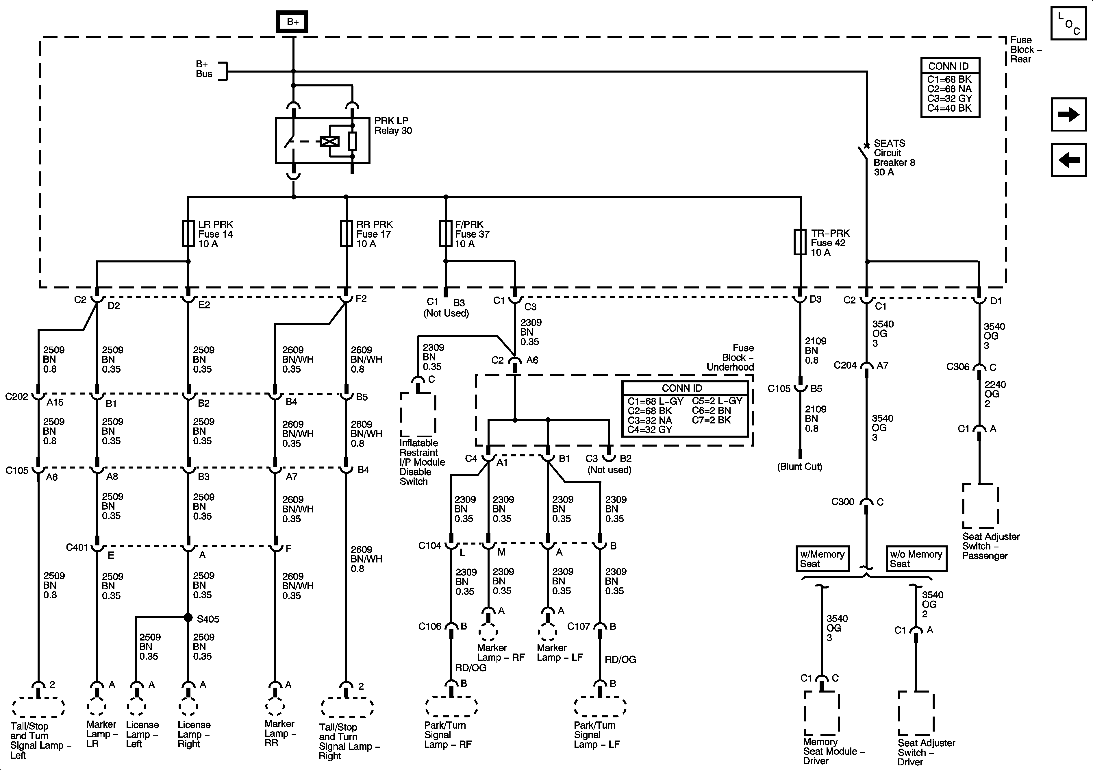
LR PRK, RR PRK, F/PRK and TR PRK Fuses, and SEATS Circuit Breaker
RDM 2, AUX PWR 2, DRL, AUX PWR, TBC 2, TBC 3 and TBC 4 Fuses
B+ Bus - Fuse Block - Rear
Figure 11:

LR PRK, RR PRK, F/PRK and TR PRK Fuses, SEATS Circuit Breakers


Object Number: 1176681  Size: FS
Master Electrical Component List
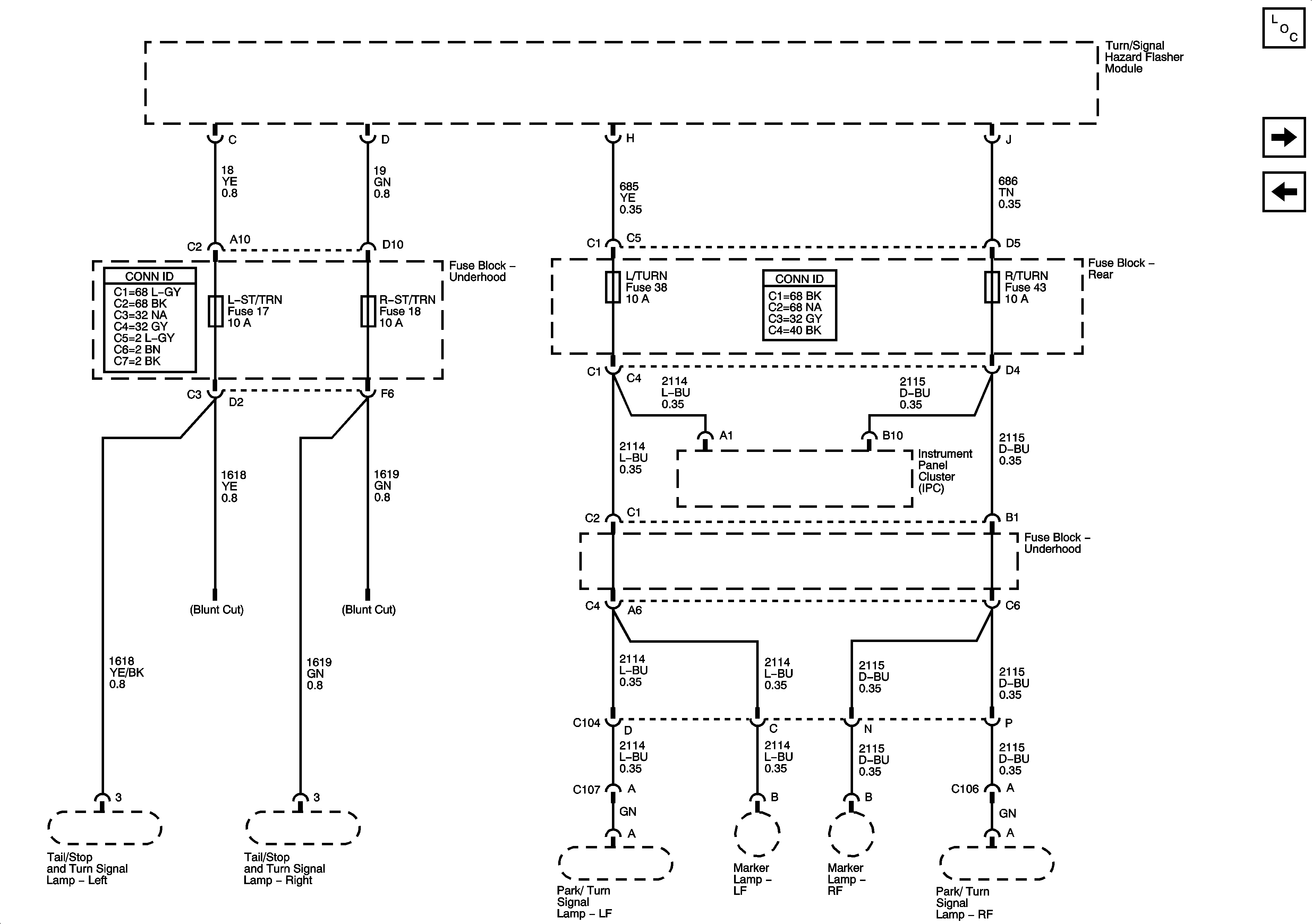
L-ST/TRN, R-ST/TRN, L/TURN and R/TURN Fuses
RKE, DDM and AMP Fuses, ROOF PUMP and ROOF-DOOR MOD Circuit Breakers
B+ Bus - Fuse Block - Rear
Figure 12:

L-ST/TRN, R-ST/TRN, L/TURN and R/TURN Fuses


Object Number: 1176706  Size: FS
Master Electrical Component List
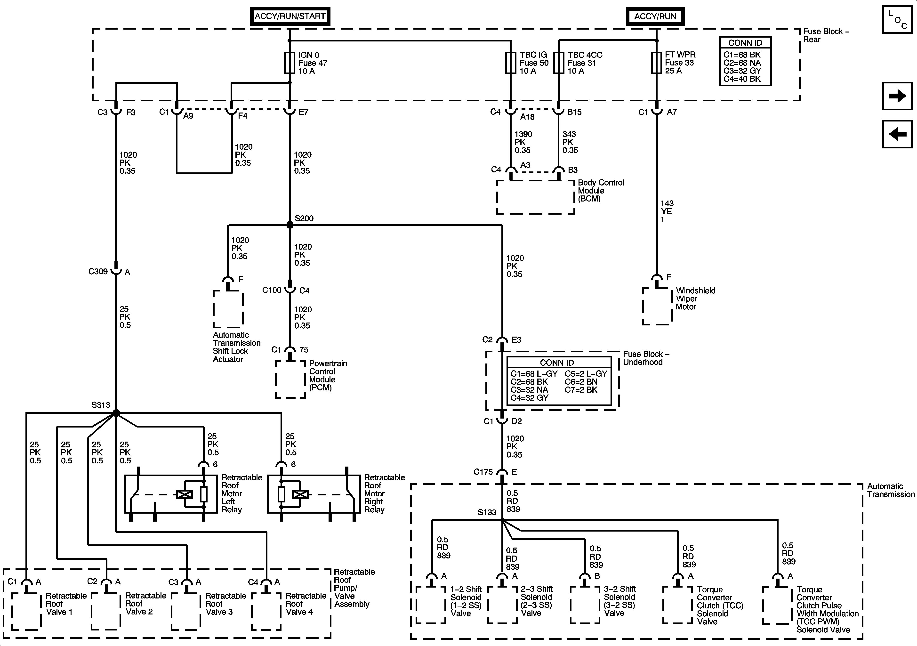
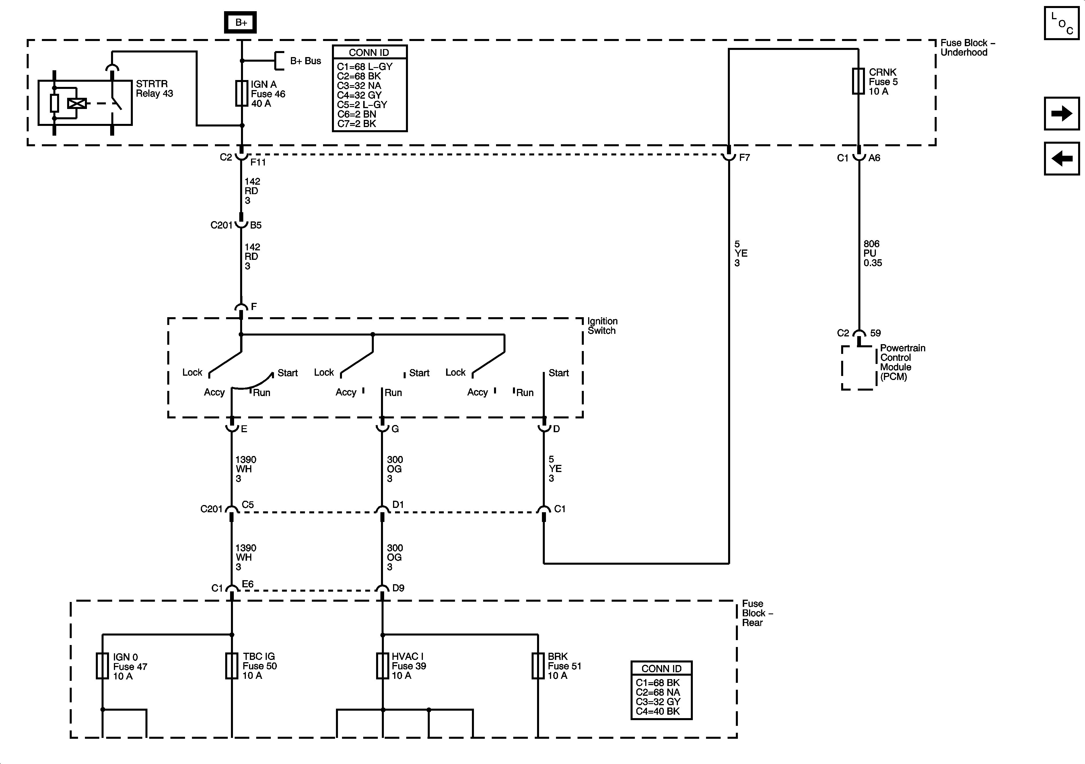
IGN 0, TBC IG, TBC 4CC and FT WPR Fuses
LR PRK, RR PRK, F/PRK and TR PRK Fuses, and SEATS Circuit Breaker
Figure 13:

IGN 0, TBC IG, TBC 4CC and FT WPR Fuses


Object Number: 1176809  Size: FS
Master Electrical Component List
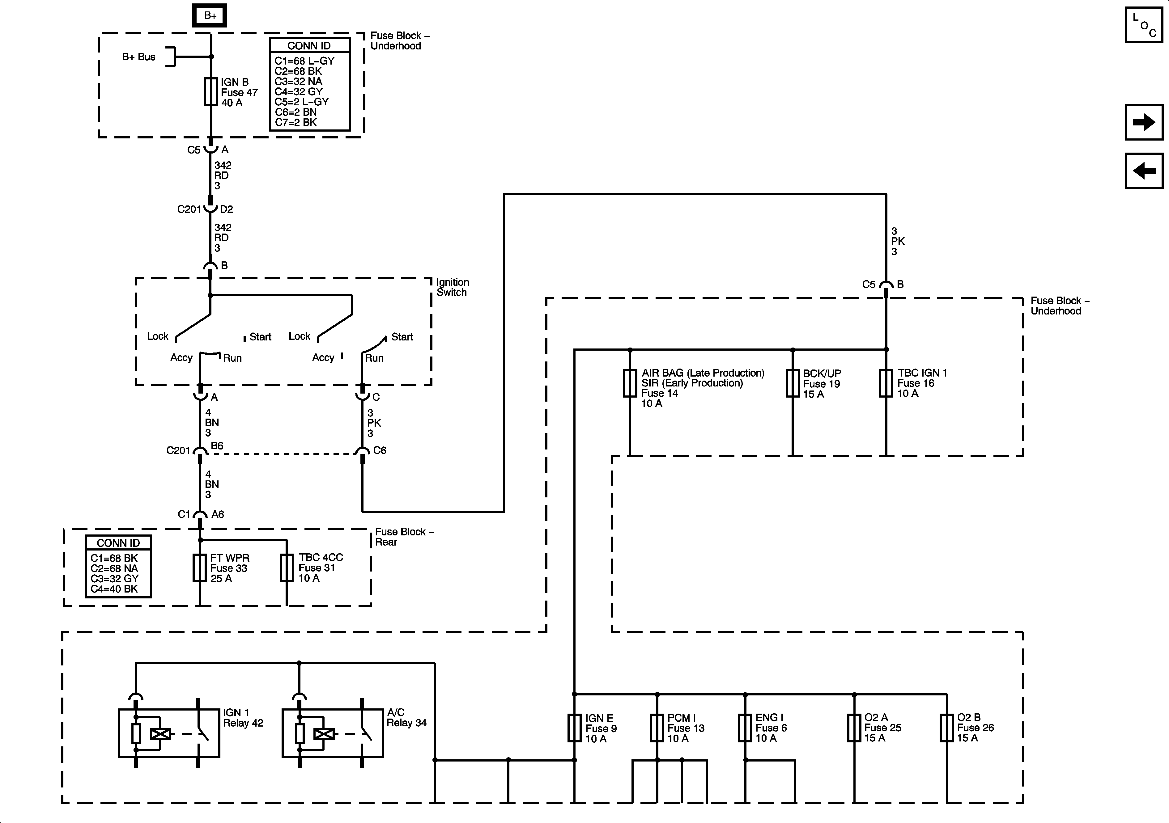
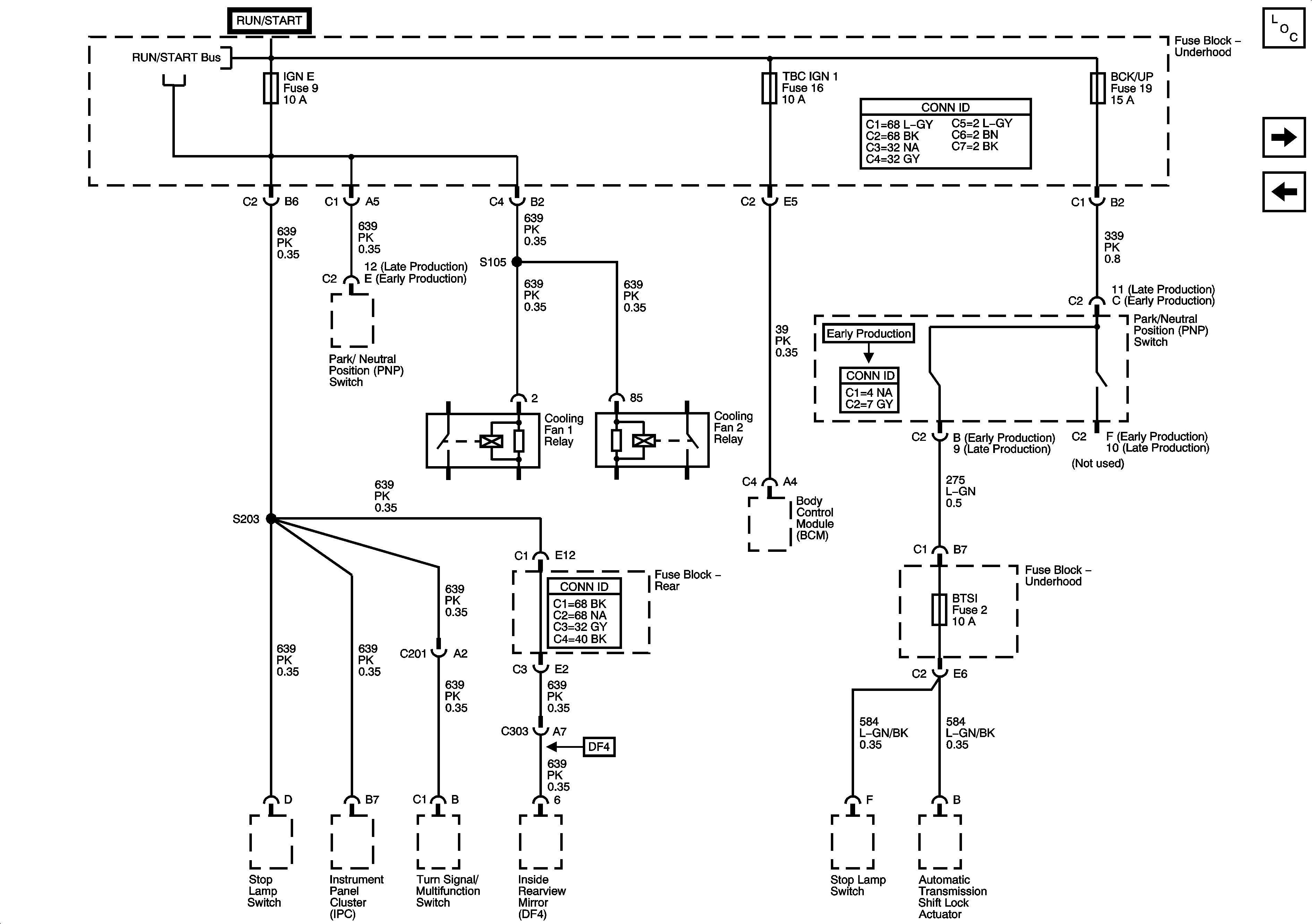
IGN E, TBC IGN 1, BACK UP and BTSI Fuses
L-ST/TRN, R-ST/TRN, L/TURN and R/TURN Fuses
Figure 14:

IGN E, TBC IGN 1, BACK UP and BTSI Fuses


Object Number: 1176869  Size: FS
Master Electrical Component List
PCM I, SIR, O2 A, O2 B AND ENG I Fuses
IGN 0, TBC IG, TBC 4CC and FT WPR Fuses
ACCY/RUN and RUN/START BUS BAR
Figure 15:

PCM I, SIR, O2 A, O2 B and ENG I Fuses


Object Number: 1176871  Size: FS
Master Electrical Component List
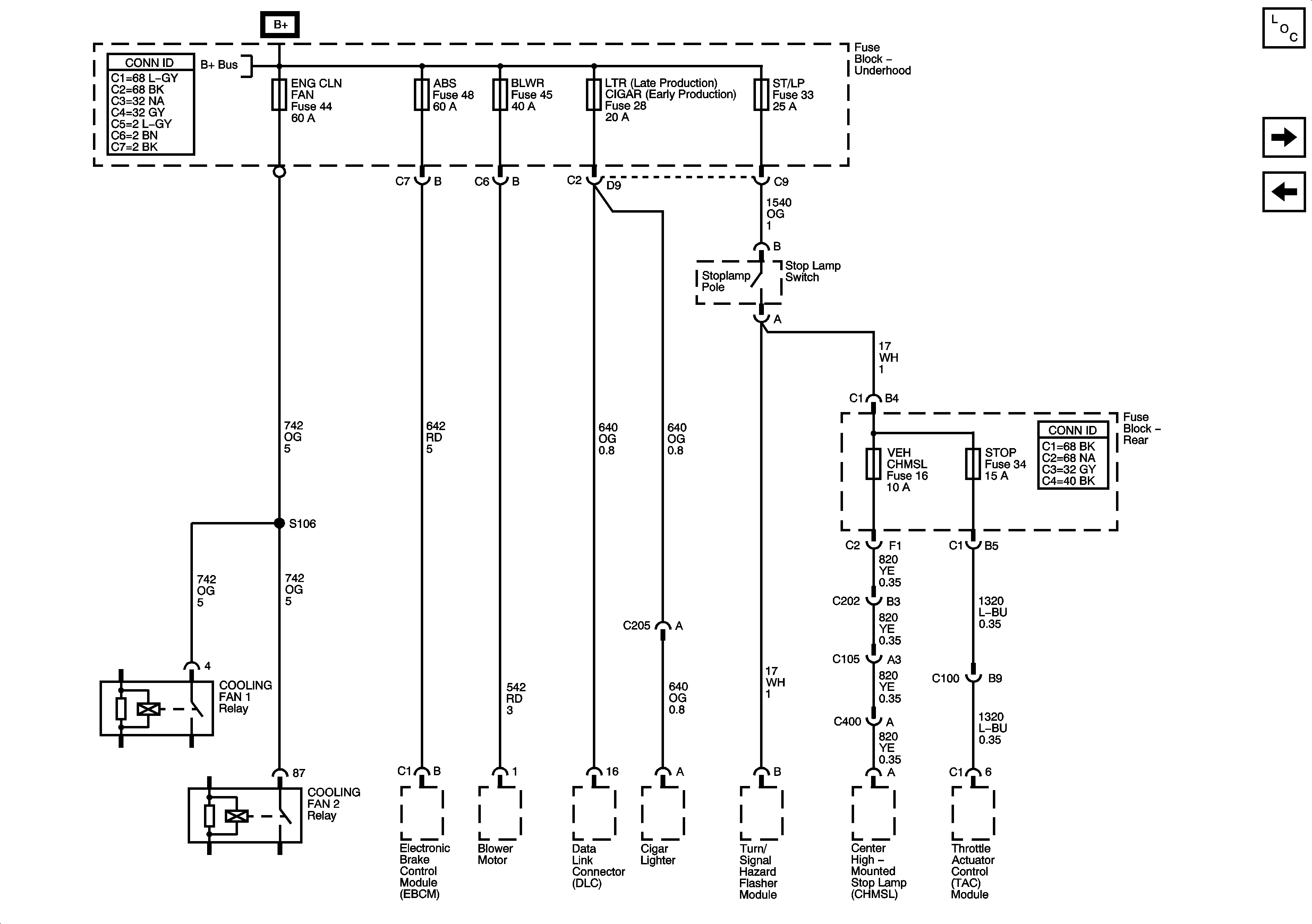
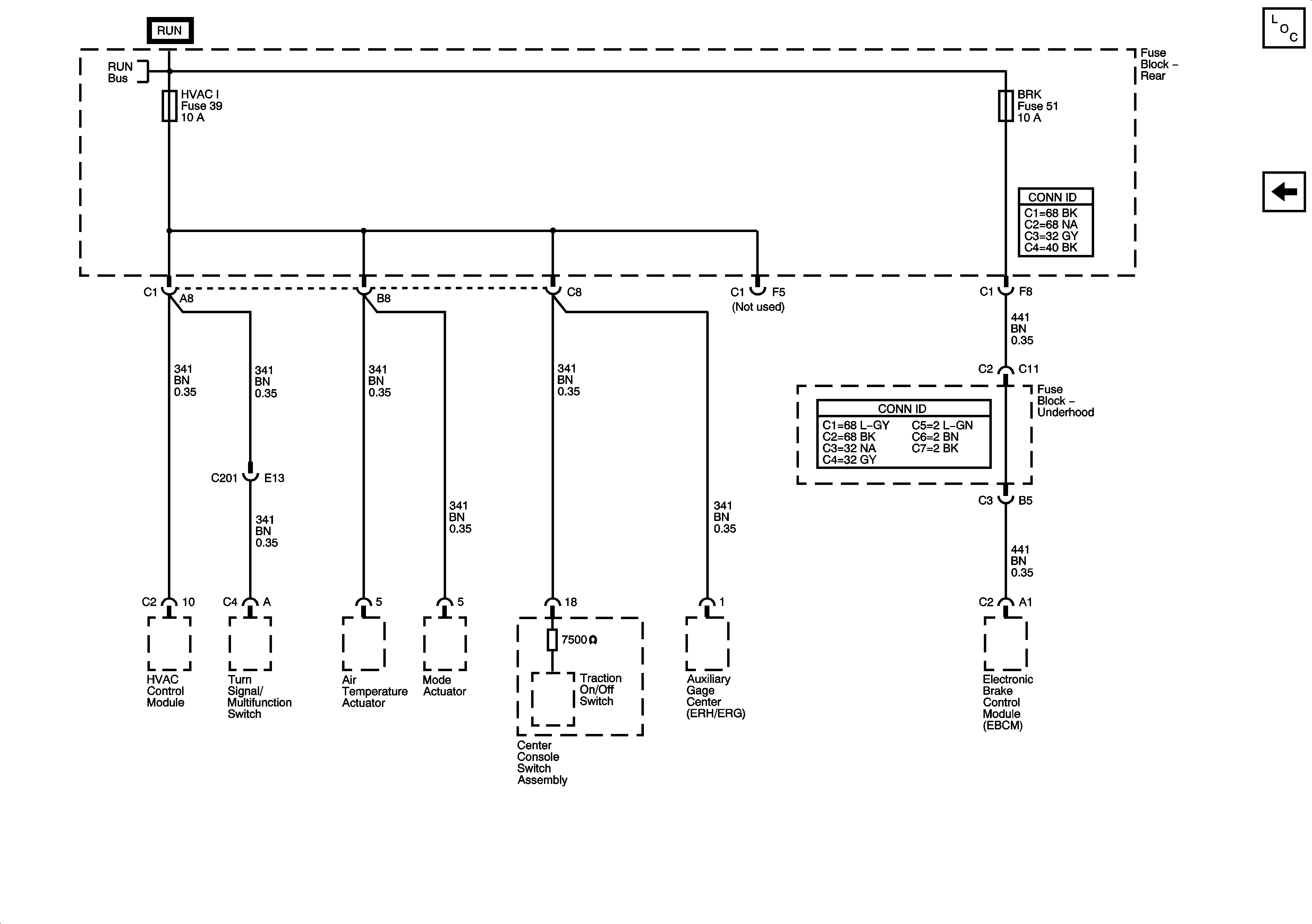
HVAC I and BRK Fuses
IGN E, TBC IGN 1, BACK UP and BTSI Fuses
ACCY/RUN and RUN/START BUS BAR
SIR Caution for Zoning
Figure 16:

HVAC I and BRK Fuses


Object Number: 1176876  Size: FS
Master Electrical Component List
PCM I, SIR, O2 A, O2 B AND ENG I Fuses
ACCY/RUN and RUN/START BUS BAR