GM Service Manual Online
For 1990-2009 cars only
Makes
🢒
Chevrolet
🢒
2003
🢒
SSR
🢒
Transmission/Transaxle
🢒
Automatic Transmission - 4L60-E/4L65-E
🢒 Automatic Transmission Controls Schematics
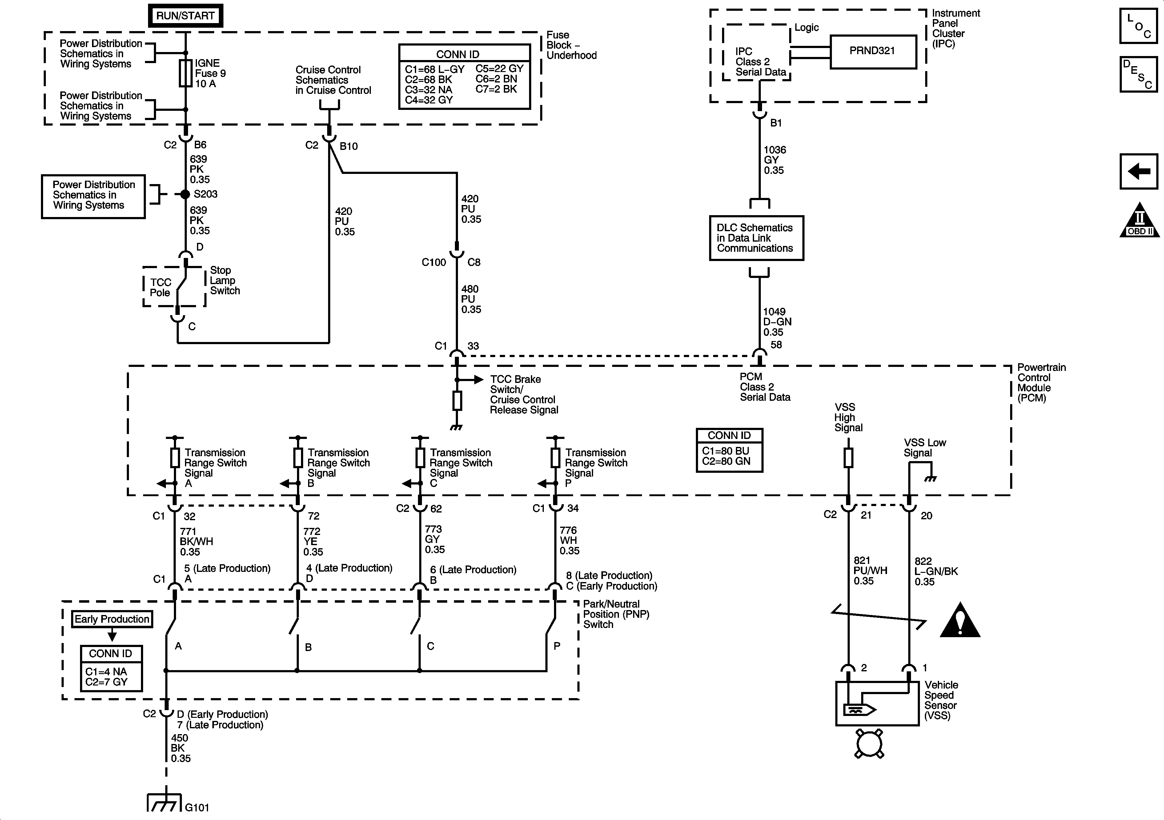
Figure
1:
Power and Internal Transmission Valve Switches
Master Electrical Component List
Transmission Component and System Description
Park/Neutral Position (PNP) Switch and VSS Sensor
OBD II Symbol Description Notice
ACCY/RUN and RUN/START BUS BAR
IGN 0, TBC IG, TBC 4CC and FT WPR Fuses
IGN 0, TBC IG, TBC 4CC and FT WPR Fuses
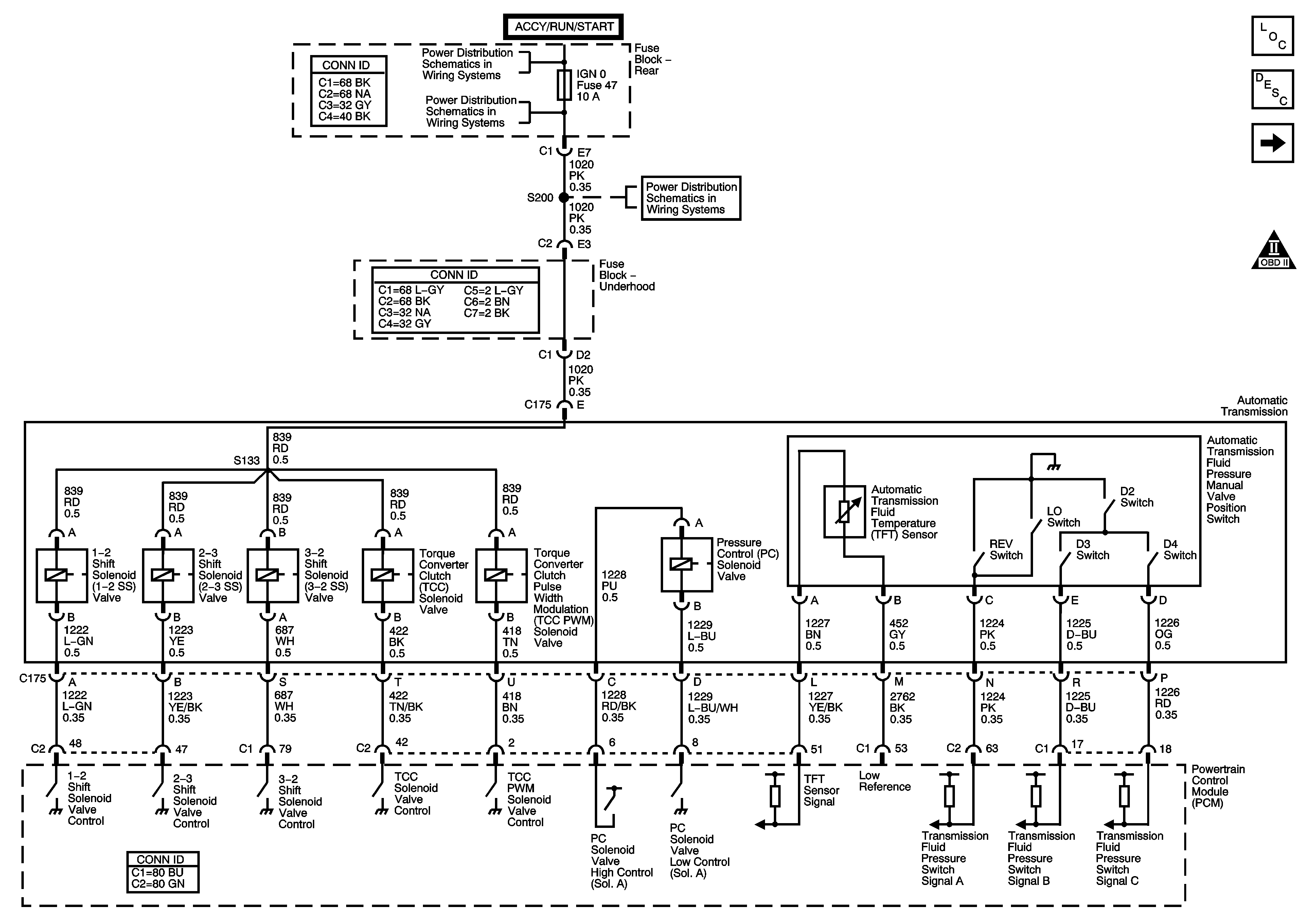
Figure
2:
Park Neutral Position (PNP) Switch and VSS
Master Electrical Component List
Transmission Component and System Description
Power and Internal Transmission Valve Switches
OBD II Symbol Description Notice
ACCY/RUN and RUN/START BUS BAR
IGN E, TBC IGN 1, BACK UP and BTSI Fuses
IGN E, TBC IGN 1, BACK UP and BTSI Fuses
Stop Lamp Switch, EBCM and PCM
G101