GM Service Manual Online
For 1990-2009 cars only
Figure 1:

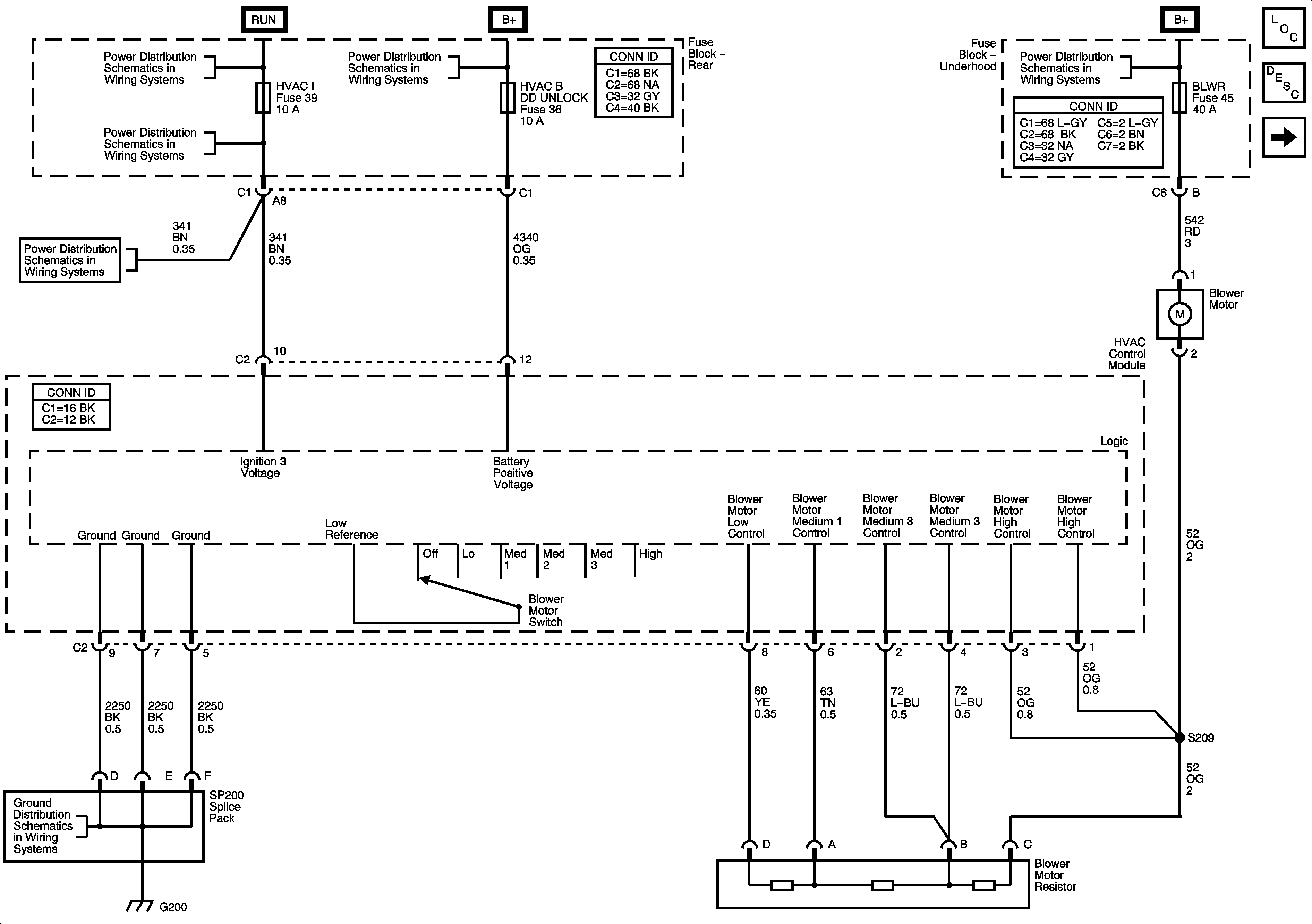
Blower Motor and Mode Controls


Object Number: 1206043  Size: FS
Master Electrical Component List
Air Delivery Description and Operation
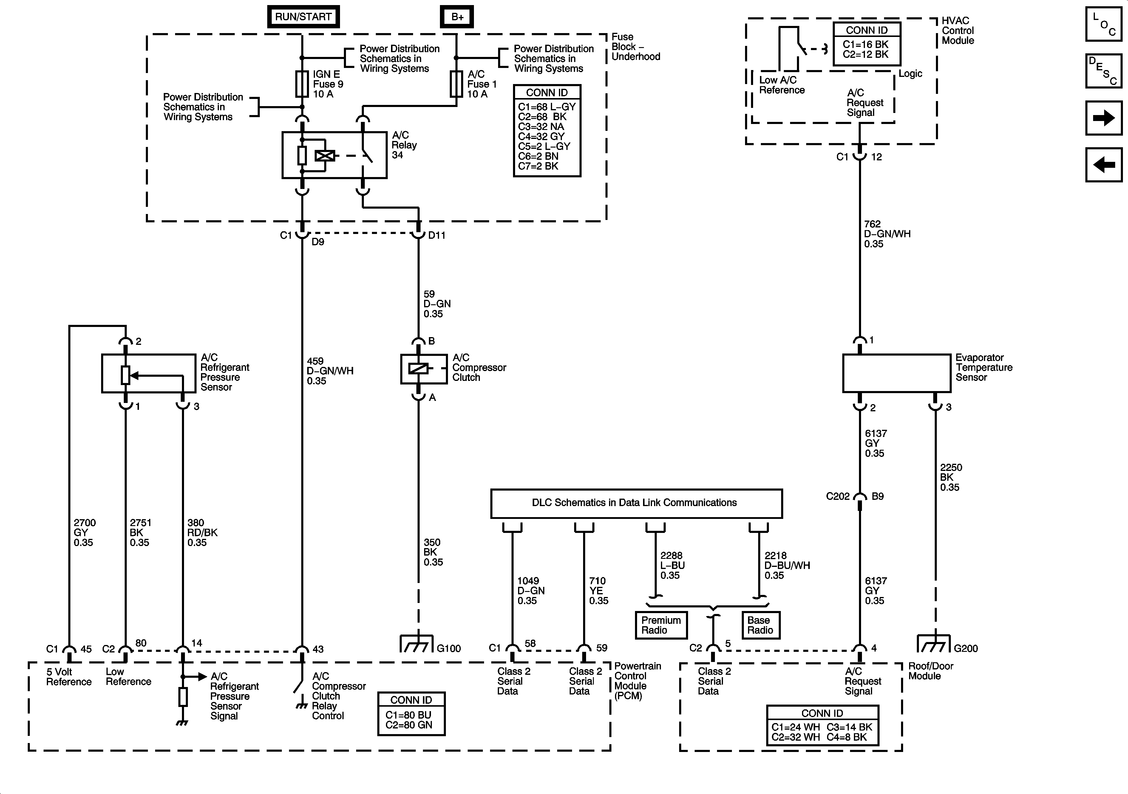
A/C Compressor Controls
ACCY/RUN and RUN/START BUS BAR
HVAC I and BRK Fuses
HVAC I and BRK Fuses
B+ Bus - Fuse Block - Rear
B+ BUS - Fuse Block Underhood
G200
Figure 2:

A/C Compressor Controls


Object Number: 1206044  Size: FS
Master Electrical Component List
Air Delivery Description and Operation
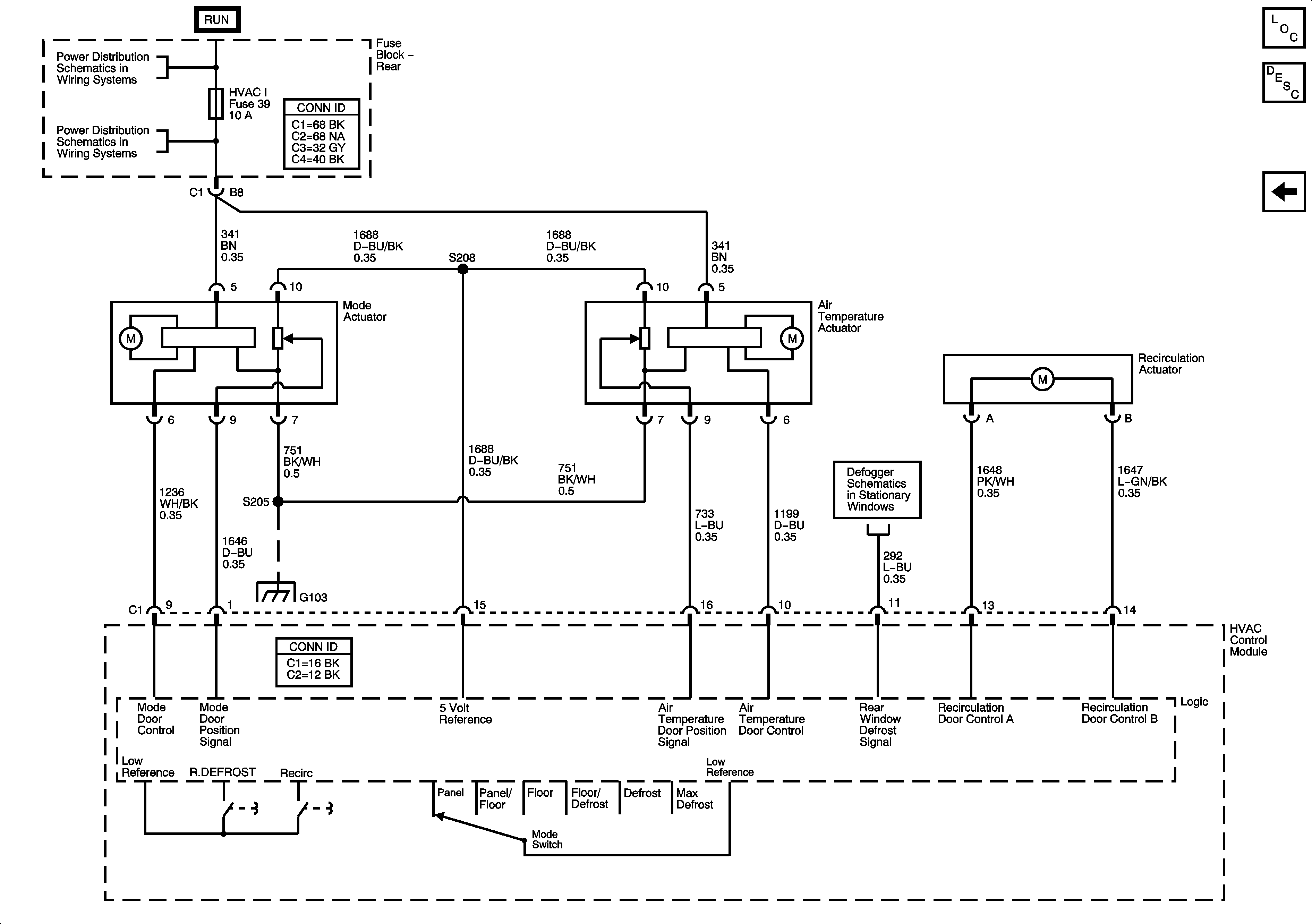
Actuators
Blower Motor and Mode Controls
IGN E, TBC IGN 1, BACK UP and BTSI Fuses
ACCY/RUN and RUN/START BUS BAR
Data Link Connector (DLC) Schematics
G200
Figure 3:

Actuators


Object Number: 1206046  Size: FS
Master Electrical Component List
Air Delivery Description and Operation
A/C Compressor Controls
ACCY/RUN and RUN/START BUS BAR
HVAC I and BRK Fuses
G103, G104
Defogger Schematics