GM Service Manual Online
For 1990-2009 cars only
Makes
🢒
Chevrolet
🢒
2003
🢒
SSR
🢒
Body and Accessories
🢒
Wiring Systems
🢒 Theft Deterrent System Schematics
Figure
1:
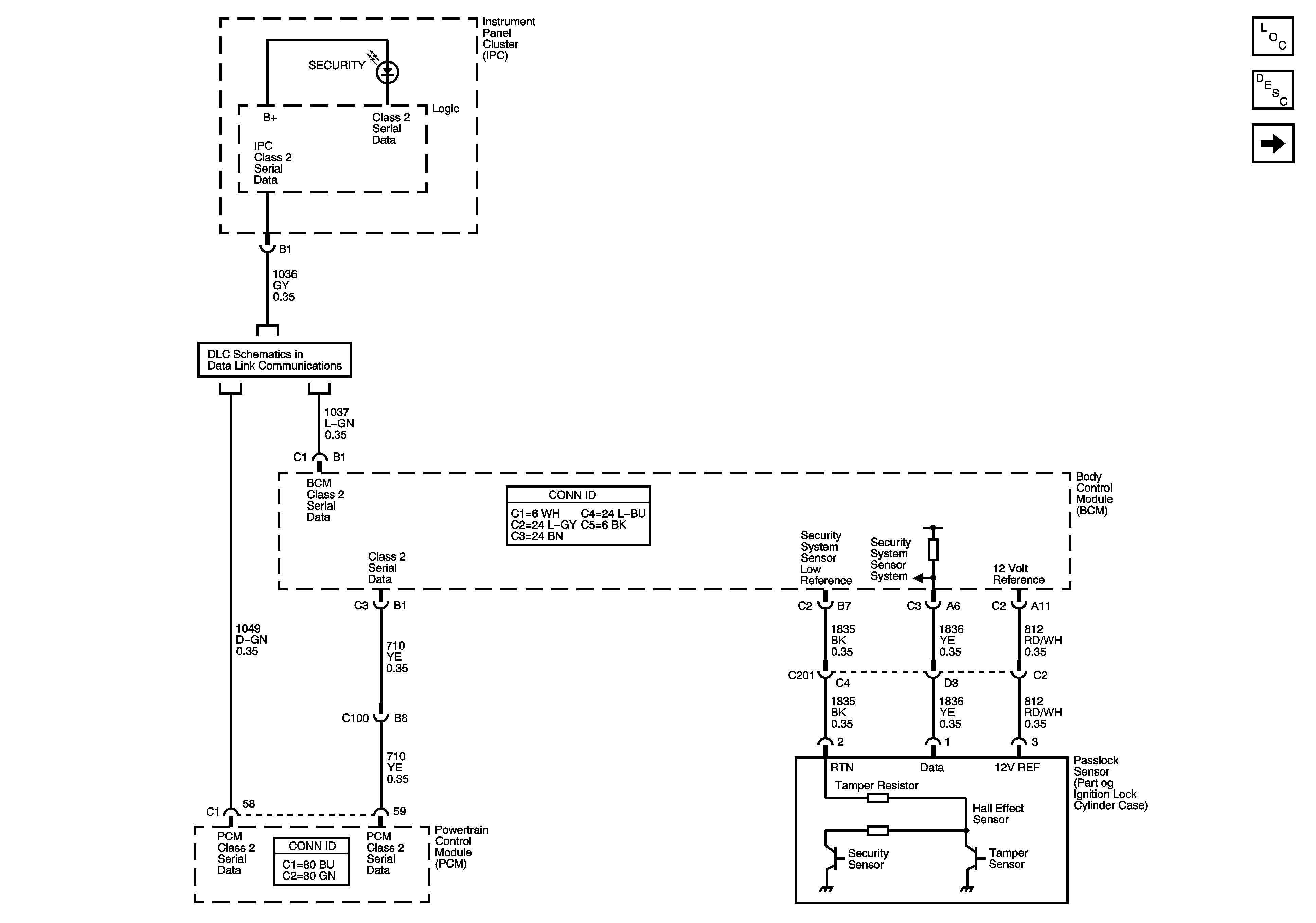
Vehicle Theft Deterrent
Master Electrical Component List
Vehicle Theft Deterrent (VTD) Description and Operation
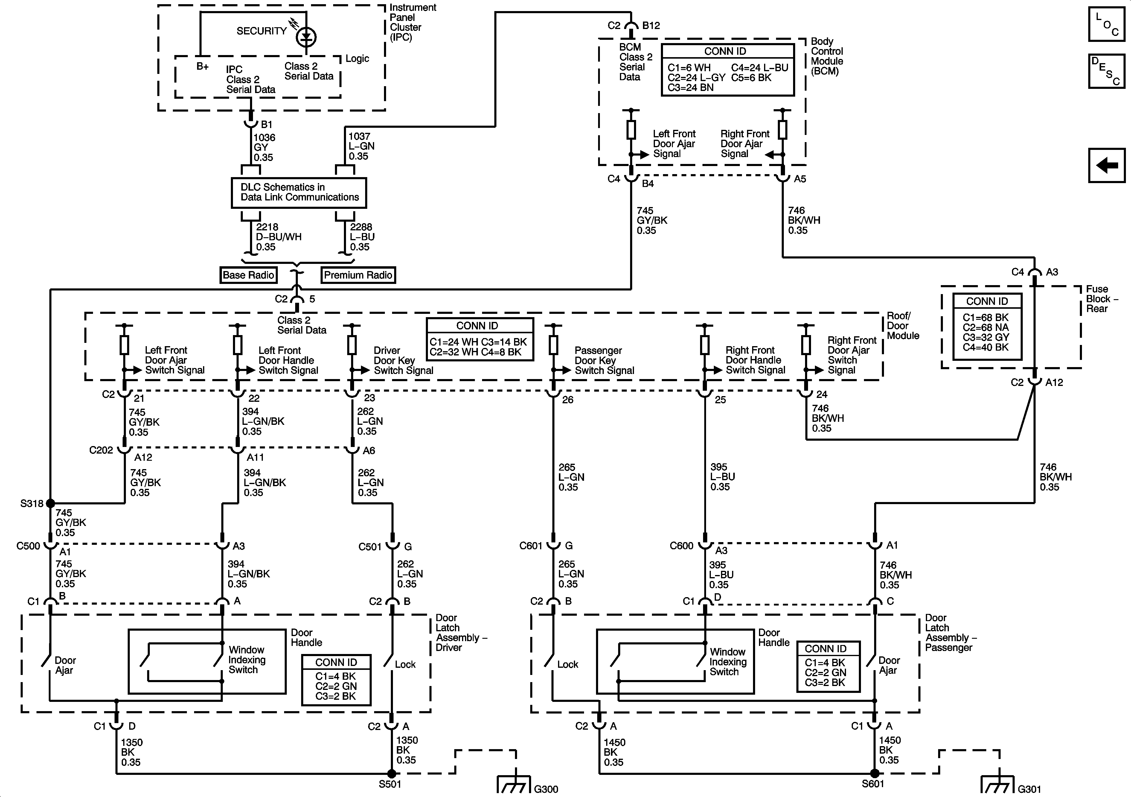
Content Theft Deterrent
Data Link Connector (DLC) Schematics
Figure
2:
Content Theft Deterrent
Master Electrical Component List
Vehicle Theft Deterrent (VTD) Description and Operation
Vehicle Theft Deterrent
Data Link Connector (DLC) Schematics
G301, G302