GM Service Manual Online
For 1990-2009 cars only
Makes
🢒
Chevrolet
🢒
2003
🢒
SSR
🢒
Body and Accessories
🢒
Keyless Entry
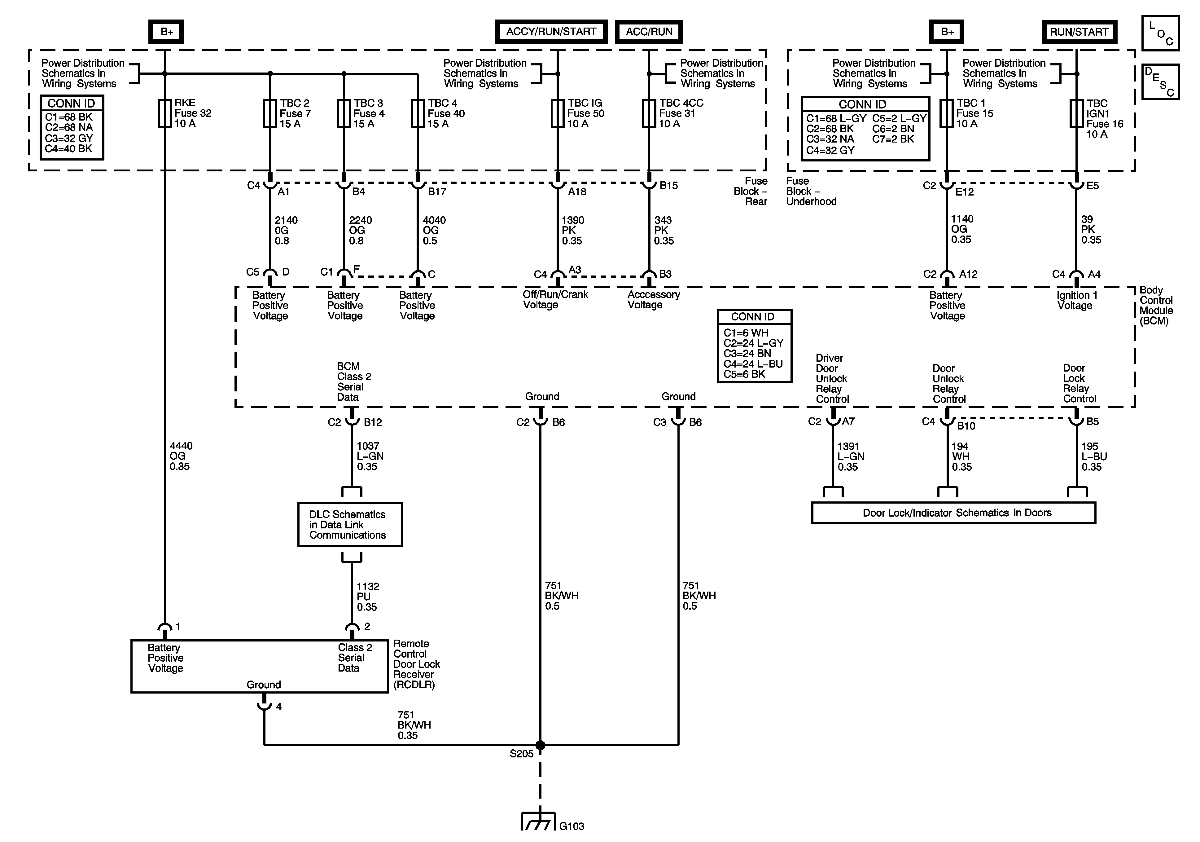
🢒 Keyless Entry Schematics
Master Electrical Component List
Keyless Entry System Description and Operation
B+ Bus - Fuse Block - Rear
ACCY/RUN and RUN/START BUS BAR
ACCY/RUN and RUN/START BUS BAR
B+ BUS - Fuse Block Underhood
ACCY/RUN and RUN/START BUS BAR
Data Link Connector (DLC) Schematics
Power Door Locks
G103, G104